在五期系列博客的最后一期中,我將論述驅動 負載的 中的噪音以及一些降低噪音的技術。之前的文章論述了耳機負載功率、耳機 以及耳機 的穩定性和失真原因。
通電或更改聲頻系統中的操作模式時,出現的令人厭煩的可聽雜音通常被稱為噪音。由于耳機驅動器的高效率,產生的噪音成為高保真耳機系統中的嚴重問題。甚至信號電壓中較小的瞬態也會在耳機中產生很吵、令人厭煩的聲音。為了改善用戶體驗并防止耳機或其它敏感電子設備損壞,很多系統使用電路學來抑制通電增加時放大器輸出過程中產生的瞬態信號。

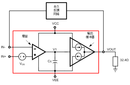
圖 1:運算放大器驅動耳機負載
我們來看看運算放大器中噪音的常見來源。
圖1是驅動耳機負載的運算放大器的簡化 。它包括兩個級——一個增益級和一個輸出緩沖器,以及一個補償電容器、Cc和一個補償電壓,Vos。如圖所示,輸出緩沖器是一個單位增益級,能夠吸收電流和提供電流。
噪音通常與運算放大器輸出引腳處的瞬態有關。噪音的主要來源是:
斜坡:通電時,VCC和VEE逐漸上升。在運算放大器到達其最低電源供應要求前,它尚未到達穩態運行,且不能調節輸出。在此期間,輸出引腳處會產生較大的瞬態。電源斷開,VCC和VEE下降時可能伴隨類似的瞬態,也可能造成VCC和VEE的不對稱斜坡。
啟用/禁用放大器:很多運算放大器包括啟用和關閉設備的選項。啟用命令會打開運算放大器的內部偏壓電路。偏壓電流上升時,增益級開始將補償電容器充電到適當電壓,輸出緩沖器中的源電流和吸收電流開始穩定,運算放大器也接近穩態。在這個階段,輸出緩沖器中不相等的源電流和吸收電流會導致電流被注入負載中。這可能導致巨大的噪音。關閉命令后也會產生類似的瞬態。
放大器的補償電壓:補償電壓是噪音的一個有趣來源。放大器接近穩態后,放大器的輸出跳到放大器的補償上(或Vos/β,β=反饋系數)。如果補償足夠大,輸出中的變化就能聽到。
集成 功能的放大器可顯著地簡化聲頻系統。OPA1622高性能耳機放大器包括一個在部件處于啟用或關閉模式時抑制噪音的解決方案。圖2是OPA1622的簡化框圖。

圖 2:OPA1622框圖
啟用電路(ENC)可在放大器處于啟用或關閉模式時保持對輸入級和輸出級的控制。啟用后,ENC能夠平穩地轉換為驅動增益級和輸出級。關閉后,ENC能夠控制補償電容器的充電,并禁用增益級和輸出級。優化進出關閉模式的過渡,可確保極小的電流注入到耳機負載中,從而最大限度減少噪音。
在OPA1622開發期間,TI著重優化了補償電壓以及它導致的噪音。OPA1622的補償電壓是50µV典型,最高是500µV。
圖3和圖4分別顯示了OPA1622在啟用和禁用期間的性能。只有極小的輸出瞬態會伴隨啟用或禁用的過程。輸出瞬態發生的時間極短,因此使用耳機時聽到的可能性不大。

圖 3:啟用高瞬態 (32Ω)時的輸出電壓

圖 4:啟用低瞬態 (32Ω)時的輸出電壓
有一些因素會影響驅動耳機的運算放大器的噪音性能。OPA1622通過使用一個噪音抑制電路,可提升聲頻應用中的整體用戶體驗。 |