USB-C接口正在徹底改變電子設備的充電方式。USB-C連接線無論哪一端都能連接智能手機或超級本。物理上,C型連接器既是雙向的(無論線纜的哪一端都能插入兩頭的設備),也是無極性的(連接器插入時可以正面朝上,也可以反面朝上)。在協商過程中,連接系統可以電子地分辨出電極性。除了數據傳輸,USB-C還能支持更高功率水平的雙向功率傳輸。默認電壓為5V,USB-C端口能夠與插入的設備協商,在雙方同意的電流水平上,將端口電壓提高到20V,或雙方同意的其他電壓值。USB-C端口提供的最大功率為100W(20V/5A),這用來給筆記本電腦充電已經綽綽有余了。優勢如此明顯,也就不難理解為什么電子設備制造商紛紛在其下一代產品中采用USB-C了。
隨著USB PD和USB-C得到越來越多的采用,計算機行業對穩壓器的性能提出了明顯更高的要求。與電壓值固定的傳統USB-A和USB-B端口相比,USB-C端口是雙向的,接受可變輸入電壓,輸出電壓范圍為5V至20V。其可調節輸出電壓允許筆記本電腦和其他移動設備用USB-C端口替代傳統AC/DC電源適配器和USB-A和B端子。考慮到這些優勢,一些客戶在其系統中設計了兩個或多個USB-C端口。
不過,目前具有兩個或多個USB-C端口的系統架構很復雜,不能滿足很多客戶的要求。本白皮書提出了一種全新的系統架構,該架構采用Intersil的ISL95338降壓-升壓穩壓器和ISL95521A組合式電池充電器。我們將討論這種架構如何簡化設計,并全面支持所有USB-C功能。我們還將說明這種架構如何應用到適配器端,以實現可編程電源(PPS),這種電源可以輸出可調節電壓,以匹配USB-C的可變輸入電壓。
一種新的USB-C架構
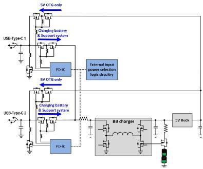
圖1顯示了一種新的USB-C架構,該架構由ISL95338雙向降壓-升壓穩壓器和ISL95521A組合式電池充電器或ISL9238降壓-升壓電池充電器組成。這種新架構允許系統通過USB-C端口給電池充電,當兩個PD充電器插入USB-C_1和USB-C_2時,還支持快速充電功能。無需額外復雜的端口控制邏輯電路或IC,該架構的兩個端口就可全面支持USB 3.1 On-The-Go(OTG)。

圖1. Intersil電池充電器架構 – 雙USB-C端口,采用兩個降壓-升壓穩壓器和一個降壓充電器
USB-Type-C:USB-C端口
Bi-directional:雙向
2 & 3-cell Li-ion:2或3節鋰離子電池
比較圖1和圖2很容易看出,要實現與Intersil電池充電器架構相同的功能和性能水平,市場上現有的電池充電器架構需要更多器件和復雜的外部電路。顯然,使用現有的電池充電系統,每個充電器通路都需要一個USB-PD控制器來控制2個ASGATE并執行充電功能,這提高了設計的系統成本。為了實現5V降壓OTG,OTG門還需要一個PD控制器。注意,現有的降壓轉換器只能輸出單一固定電壓。圖2顯示,如果使用5V降壓轉換器,設計工程師只能輸出一個固定5V電壓,這與很多USB-C應用要求的可調5V-20V OTG輸出電壓不匹配。

圖2. 現有電池充電器架構 - 單一降壓-升壓充電器+復雜的外部邏輯電路
USB-Type-C 1:USB-C端口1
5V OTG only:僅5V OTG
Charging battery & Support system:充電電池和支持系統
External input power selection logic circuitry:用于選擇外部輸入電源的邏輯電路
BB charger:降壓-升壓充電器
5V Buck:5V降壓轉換器
本文提出的Intersil架構克服了所有這些缺點。圖1顯示,兩個ISL95338并聯,將兩個USB-C端口連接到ISL95521A電池充電器。簡化了系統架構,為客戶節省了大量成本,因為去掉了不少元件,包括各個PD控制器、ASGATE和OTG GATE。最重要的是,使用了更少的元件但并未降低性能。例如,如果電池需要充電,那么就直接從USB-C輸入向ISL95521A供電。此外,將兩個ISL95338并聯,可為客戶應用提供更多選擇。
例如,可以采用具有不同額定功率的兩個USB-C輸入來實現大功率電池充電,這意味著,電池充電功率高于單個USB-C輸入功率。圖1說明了這是如何實現的:在電壓回路中放置一個ISL95338(設定為較高額定功率的USB-C)為ISL95521A輸入提供恒定電壓(V0),另外在電流回路中放置一個ISL95338(設定為較低額定功率的USB-C),自動為ISL95521A提供最大功率。換言之,無需增加額外的電路或邏輯來決定兩個并聯的ISL95338降壓-升壓穩壓器的不同額定功率。
可以基于不同的額定功率自動選擇ISL95338內部的控制回路,來充分利用輸入電源。針對OTG功能,電池電源可通過二極管提供,用ISL95338將功率傳輸至USB-C輸出。從而不再需要5V降壓和OTG門,如圖2所示。此外,通過在兩個ISL95338、ISL95521A和PD控制器之間使用SMBus通信,OTG電壓可以調節,而不是使用固定值。圖3顯示了一種大功率快速充電應用,其中,新的Intersil電池充電架構可以進行擴展,可以將4個ISL95338與一個ISL95521A或ISL9238電池充電器并聯。每個USB-C端口都可以作為匯(sink)或源(source)獨立運行。該架構還可以將傳統適配器作為電源結合到系統中,而不提高物料成本。

圖3. 實現4個USB-C端口的Intersil電池充電器架構 - 4個降壓-升壓穩壓器+1個降壓充電器
USB-Type-C 1:USB-C端口1
Normal adaptor:普通適配器
2 & 3-cell Li-ion:2或3節鋰離子電池
可編程電源解決方案
在傳統的USB-A和USB-B應用中,輸入電壓是固定值,這給USB-C應用帶來了新的挑戰,因為USB-C端口還可以接受可變輸入電壓。解決辦法是可編程電源(PPS)功能,這種功能允許電源的輸出電壓和電流以20mV/50mA步進編程和調節,以優化電源通路。如圖4所示,ISL95338降壓-升壓穩壓器非常適合用于實現PPS,因為該穩壓器可以利用USB-PD控制器的SMBus通信,輸出可調的雙向電壓。

圖4. 新型Intersil PPS架構
USB-PD Controller:USB-PD控制器
Buck-Boost VR:降壓-升壓穩壓器
USB-C Port:USB-C端口
結論
將ISL95338用在多端口USB-C電池充電系統中,可實現一種新的、易于使用的充電架構。與現有的充電架構相比,Intersil的新架構能夠以低很多的成本實現,而且提供更高的性能、更快速的充電和更長的電池壽命。此外,所有USB-C端口要求都能完全滿足,包括能實現PPS,這是未來應用需要增加的關鍵USB功能之一。