用頭戴式耳機,尤其是小型耳機聽音樂,總感到音樂味不夠足,在低頻段的效果更差。因此用本機增強耳機的低頻特性,并采用立體聲反相合成的辦法,加上內藏簡易矩陣環繞聲電路,能獲得強勁的低音和在較寬的范圍內展寬音域。本機稱為超級廣場效果。這種扣人心弦的力量,不亞于實況立體聲。
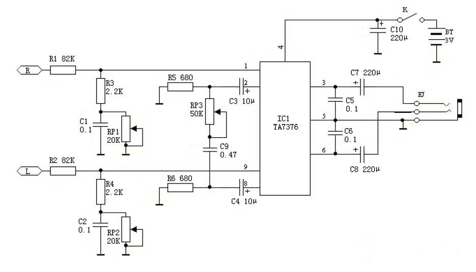
一、電路工作原理 電路原理如圖所示
由電阻電容組成的低頻增強電路。利用功率放大器IC的反饋輸入,組成立體聲反相合成電路。利用功率放大器IC組成頭戴耳機的驅動電路。從輸入端IC之間的電阻電容起到增強低頻特性的作用,因為加有電位器,低頻部分的增強量可在0--10倍之間連續可調。立體聲反相合成電路IC 2腳和8腳的直流耦合電容之后,由0.47μF和50K的電位器組成。在此電路中,把立體聲的廣場效果成分中的高音部分左右分別反相后合成,起到增強效果的作用。用東芝TA7376P推動頭戴式耳機。這種IC內藏兩個通道,外接元件少,可在低電壓下工作。負載阻抗較低時,可重放出動人效果的低頻聲音 。電源若改用5#電池,用四只串聯,電壓為6V,可直接驅動高輸出的揚聲器。若將三個200μF/10V的電容增加到1000μF左右,可獲得更好的效果。

耳機放大器電路圖
二、元器件的選擇
所有元件沒有什么特殊的。0.1μF和0.47μF的電容用獨石電容,其它的用電解電容。電位器中,20K為雙連電位器,50K用帶開關電位器。電阻無特殊要求,選用普通1/8或1/4W金屬膜電阻器。插頭用立體聲插頭。
三、制作和調試方法
制作極其簡單,即使是初學者,有一天的時間就足夠了。留心IC的腳和電解電容的極性。電位器的接線比較凌亂,不要搞錯了。若沒有接線錯誤和焊接不良,一定會馬到成功。 接入頭戴式立體聲耳機或普通耳機,裝入電池,打開開關。若兩個旋鈕配合得好,收聽音樂可得到極其感人的效果,。根據聆聽的音樂和音源適當的調整,這就是本機的使用方法要點。不用說,和小型音響、電視、CD相連會得到更佳的效果。 |