隨著藍牙音箱功能和性能的快速提升,消費者對功率的要求也越來越高,在室外應用場景下,單節鋰電池直供方案已經越來越難滿足市場對于更大功率的需求了。對于音箱的設計者來說,內置升壓的音頻功放已是更優的選擇,功放芯片內置升壓模塊提供更高的供電電壓,從而提高功放的輸出功率。
深圳市永阜康科技有限公司現在力推專門為單節鋰電池供電的情況下內置升壓雙聲道音頻功放IC系列-CS8389/8390產品系列,突破了單節鋰電池供電的局限性,為終端產品提供了更為極致的功率輸出,自帶的AB/D類切換完美解決FM收音干擾。CS8389E/CS8390E管腳兼容,外圍應用線路無需改變,功率覆蓋3W、4W、5W雙聲道的應用。
概要
CS8389E/CS8390E是一款內置BOOST升壓模塊帶防破音功能R類音頻功率放大器。CS8389E BOOST升壓至6.2V可以為4Ω的負載提供2X4.8W的恒定功率.CS8390E BOOST升壓至7.3V可以為4Ω的負載提供2X6.6W的恒定功率 .CS8389E/CS8390E管腳完全兼容,為音頻子系統的功放設計以及終端產品的升級更換提供了可觀的功率裕量以及最大的便利性。在單節鋰電池的供電范圍內,使得CS8389E/CS8390E成為便攜式音箱設備的最優選擇.
CS8389E/CS8390E的全差分架構和極高的PSRR有效地提高了CS8389E/CS8390E對RF噪聲的抑制能力。無需濾波器的PWM調制結構及內置的BOOST升壓模塊,盡可能的減少了外 圍器件,另外CS8389E/CS8390E內置了過流保護和過熱保護,有效的保護芯片在異常的工作條件下不被損壞。
CS8389E/CS8390E提供了纖小的的ESOP16L封裝形式供客戶選擇,其額定的工作溫度范圍為-40℃至85℃。
描述
內置BOOST模塊R類結構,集成D類AB類兩種模式
輸出功率
CS8389E: PO at 10% THD+N, VIN = 3.7V
RL = 4 Ω 2X4.8W
CS8390E: PO at 10% THD+N, VIN = 3.7V
RL = 4 Ω 2X6.6W
優異的"噼噗-咔嗒"(pop-noise)雜音抑制能力
工作電壓范圍:2.7V到5.5V
內置20倍的固定增益
4種防破音模式可選
無需濾波的Class-D結構
RL=4Ω+44uH@80%的效率
高電源抑制比(PSRR):在217Hz下為70dB
啟動時間 (100ms)
靜態電流 (20mA)
低關斷電流 (<0.1µA)
過流保護,短路保護和過熱保護
符合Rohs標準的無鉛封裝
封裝
ESOP16
應用
便攜式藍牙音箱
管腳排列及定義

管腳說明

典型應用圖

DEMO實物圖

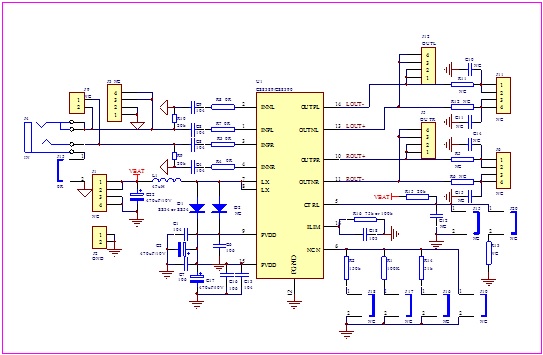
DEMO原理圖

DEMO物料BOM清單

PCB頂層設計圖

PCB底層設計圖

詳細的產品資料及銷售聯絡信息請參看:
http://www.lbxn.com.cn/products_3798.htm
http://www.lbxn.com.cn/products_3799.htm
|