0引言
鉛酸蓄電池具有價格低廉、供電可靠、電壓穩定等優點,因此廣泛應用于國防、通信、鐵路、交通、工農業生產部門。近年來全密封免維護鉛酸蓄電池其密封好、無泄漏、無污染等優點,能夠保證人體和各種用電設備的安全,而且在整個壽命期間,無需任何維護,從而揭開了鉛酸蓄電池發展歷程新的一頁。眾所周知,通信設備一般都采用免維護電池作為備用電源,許多電子設備必須的不間斷電源系統(UPS)也離不開免維護電池,此外在應急燈、汽車、游艇中也越來越多的選用免維護電池。然而,由于充電方法不正確,充電技術不能適應免維護電池的特殊需求,造成電池很難達到規定的循環壽命;诖,本文提出了一種用于全密封免維護鉛酸蓄電池的智能充電器設計方案,采用先進的三段式充電控制方法,有效地提高充電效率,延長電池壽命。
1蓄電池充電特性及充電技術現狀
容量和壽命蓄是電池的重要參數,蓄電池的額定容量(C)通常作為電池充放電速率的單位,例如100A·h的蓄電池,采用20A電流充電時,充電速率為C/5。不正確的充電方式不僅會降低電池的儲能容量,還會縮短電池的使用壽命。上世紀60年代末期,美國科學家馬斯(Mascc)提出了以最低出氣率為前提的蓄電池可接受充電電流曲線如圖1所示,其充電電流軌跡為一條呈指數規律下降的曲線。

圖1蓄電池可接受充電電流曲線
傳統的充電方式無論是定電壓充電還是定電流充電均不能提高電池的充電效率,而依據圖1充電曲線提出的三段式充電理論則可以大大提高電池的充電效率,縮短充電時間,并能有效延長電池壽命。三段式充電采用先恒流充電,再恒壓充電,最后采用浮充進行維護充電。一般分為快速充電、補足充電、涓流充電三個階段。
快速充電階段:用大電流對電池進行充電以迅速恢復電池電能,充電速率可以達1C以上,此時充電電壓較低,但會限制充電電流在一定數值范圍之內。
補足充電階段:相對于快速充電階段,補足充電階段又可以稱為慢速充電階段。當快速充電階段終止時,電池并未完全充足,還需加入補足充電過程,補足充電速率一般不超過0.3C,因為電池電壓經過快速充電階段后有所升高,所以補足充電階段的充電電壓也應該有所提升,并且恒定在一定范圍之內。
涓流充電階段:在補足充電階段后期,當檢測到溫度上升超過極限值或充電電流減小到一定值之后,開始用更小的電流進行充電直至滿足一定的條件后結束充電。
2電路組成部分
本文所介紹的充電器其充電對象為24V鉛酸蓄電池,輸入電壓范圍為交流100~240V,28V輸出時額定輸出電流為4A。該充電器電路由三部分組成,主電路、PWM芯片UC3842控制電路、單片機S3C9454控制電路,整體電路結構如圖2所示。由于該充電器功率為100W左右,故功率部分采用成本較低的單端反激電路,利用UC3842作為主電路控制IC。輸出端繼電器僅在單片機檢測符合充電條件后閉合,充電器才能對電池進行充電。

圖2充電器電路原理框圖
UC3842為電流型脈寬調制器,具有管腳數量少、外圍電路簡單、安裝與調試簡便、性能優良、價格低廉等特點,特別適合用于低成本的小功率反激電路。由于該應用電路已極為成熟,此處就不詳加敘述。
S3C9454是三星推出的一款性價比很高的8位單片機,僅20個引腳,具有多個可編程配置的I/O口和一個8位高速PWM輸出端口,內部集成了定時/計數器、9通道10位A/D轉換器,可以分別對電壓、電流及溫度信號進行采樣,豐富的資源可以很方便地實現三段式充電控制功能及輸出過壓、過流保護、溫度補償、計時充電等功能。
為實現三段式充電,電路必須能夠改變充電電壓進而改變充電電流。充電電壓的調整電路如圖3所示,單片機對電流、電壓和溫度信號檢測之后進行判斷,再輸出一定大小占空比的PWM信號,送至與輸出電壓取樣電阻R6并聯的電阻R7,改變PWM信號的占空比即改變它的平均電平,再通過電阻R7來改變輸出電壓基準值設定。

圖3輸出電壓反饋調整電路
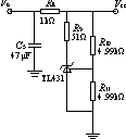
本方案中MCU電路供電電源不需要額外的輔助電源,只需從主電路的輸出端引出,利用精密穩壓器件TL431和電阻、電容等少數元件即可得到較為精確的+5V電平,其電路如下圖4所示。

圖 4 MCU供電電路
3控制過程介紹
上電之后,MCU先檢測電池有無反接、電池電壓、電池溫度等信息,然后進行判斷是否讓繼電器導通對電池進行充電。滿足條件之后,即開始充電。為保護由于過放電而造成電壓偏低的電池遭
受進一步損害,還設置了預充電階段,即檢測電池電壓偏低時,先給予一小電流充電直至電池電壓回復至正常水平再轉入快速充電階段。
快速充電階段:剛開始充電時電池電壓較低,初始充電電流會較大,利用UC3842的腳3實現限流功能,當輸出電流變大,腳3檢測電壓超過1V時, UC3842輸出脈沖便會關斷直至下個周期腳3電平降為1V以下。經簡單計算,設定原邊電流取樣電阻大小即可調整限流值。本方案中限制快速沖電電流不能超過4.5A。由圖3可知,當充電電壓小于27.5V時,光耦為斷路,電壓環未參與調節,依靠原邊限流電路實現恒功率輸出。經過快速充電階段以后,電池電壓會有所上升,充電電流會減小,當單片機檢測到充電電流減小到一定值或達到一定時間之后即轉入補足沖電階段。
補足充電階段:當輸出電壓上升至27.5V以上,光耦回路開通,電壓環開始起作用參與輸出電壓的調整,實現恒壓功能,同時單片機PWM端口一定占空比的脈沖以調整輸出電壓,使充電電壓穩定在28.8~29.8V的范圍之內。當單片機檢測充電電流減小到一定值之后或者達到一定時間之后即轉入涓流充電階段。
涓流充電階段:在此階段用不超過0.7A的電流對電池進行充電,以補充電池由于自放電而損失的電量。單片機PWM端口輸出一定占空比的脈沖調整輸出電壓穩定在26.8~27.4V之間。當檢測到充電電流下降到0.3A或浮充時間結束時,停止充電。同時單片機不斷檢測電池端電壓,當端電壓下降到一定程度,充電器自動進入大電流充電狀態。
4保護功能簡介及程序流程圖
電池反接保護功能:當MCU檢測到電池極性接反之后,繼電器不會開通充電。
過放電電池充電保護:電池過放電之后電壓會偏低,此時若進行大電流充電很容易過充損壞電池,當單片機檢測到電池電壓較低時就先轉入預充電階段。
輸出過壓保護:當MCU檢測到電池電壓過高,充電器立刻轉入浮沖階段。
輸出過流保護:此項保護功能由UC3842完成。
過溫保護:通過附加在電池表面的熱敏電阻實現溫度采樣,由MCU改變PWM占空比來實現溫度補償,防止電池溫度上升過高。
軟件基本流程如下圖5所示。實測的充電電壓、電流如圖6所示。

圖5軟件基本流程

圖6充電器充電曲線
5結語
依據此設計方案制作的三段式蓄電池充電器,可適應AC 100~240V寬范圍電壓輸入,可對24V/48A·h以下容量的蓄電池進行高效率充電,經實際測試,較好地實現了三段式充電,該產品現已順利實現量產。
|