| 當前位置:首頁->技術分享 |
|
| ISL9241 數字配置降壓-升壓充電方案 |
|
|
| 文章來源:永阜康科技 更新時間:2019/1/25 11:14:00 |
在線咨詢: |
| |
Renesas公司的ISL9241是數字可配置的降壓-升壓充電器,支持窄電壓直接充電(NVDC)和混合電源降壓升壓(HPBB/Bypass)充電,采用固件控制在兩個模式轉換.并且提供充電功能,系統總線管制和保護特性,輸入電壓范圍3.9V-23.4V,系統/電池輸出電壓3.9V到18.304,主要用在2-4節電池平板電腦,筆記本電腦,充電寶,以及USB-C接口的手持設備.本文介紹了ISL9241主要特性,框圖和功能框圖,應用框圖以及評估板ISL9241EVAL1Z主要指標,框圖,電路圖,材料清單和PCB設計圖.
Buck-Boost Configurable Battery Charger with SMBus Interface and USB Power Delivery The ISL9241 is a digitally configurable buck-boostbattery charger that can support both Narrow VoltageDirect Charging (NVDC) and Hybrid Power Buck Boost(HPBB/Bypass) charging and switch between the modesusing firmware control. Bypass mode is also supportedusing a controller’s firmware, allowing the adapter toprovide power directly to the system. The ISL9241provides the charging function, system bus regulation,and protection features using only NFETs for tablet,ultrabook, and notebook platforms. The advancedRenesas R3™ technology provides a high, light-loadefficient Charging mode. The ISL9241 takes input powerfrom a wide range of DC power sources (conventional AC/DC charger adapters, USB Type-C Power ports, traveladapters, etc.) and safely charges battery packs with up to4-series cell Li-ion batteries.
The system power can be provided from the adapter,battery, or a combination of both. The charger’sreconfigurable internal registers allow the use of asmaller inductor for the HPBB mode to achieve higherefficiencies across multiple power levels. The ISL9241can operate with only a battery, only an adapter, or bothconnected. For Intel IMVP compliant systems, theISL9241 includes System Power monitor (PSYS)functionality, which provides an analog signalrepresenting total platform power. The PSYS outputconnects to a wide range of IMVP core regulators toprovide an IMVP compliant power domain function. TheISL9241 supports reverse buck, boost, or buck-boostoperation to the adapter port (OTG mode) from 2- to 4-cell batteries. This allows configurations to support USBCPower Delivery (PD) output for Programmable PowerSupply (PPS) ports. The ISL9241 serial communicationuses SMBus/I2C, which allows programming of manykey parameters to deliver a customized solution.
ISL9241主要特性:
• Buck-boost NVDC or hybrid power (turbo boost)charger for 2-, 3-, or 4-cell Li-ion batteries using allNFET transistors
• Input voltage range: 3.9V to 23.4V (no dead zone)
• System/battery output voltage: 3.9V to 18.304V
• Bypass mode supported, to connect system to adapter
• Autonomous charging option (automatic end ofcharging)
• Adapter current and battery current monitor(AMON/BMON)
• PROCHOT# open-drain output, IMVP compliant
• System power monitor PSYS output, IMVP8/9compliant
• Internal 8-bit ADC for monitoring key parameters
• USB-C PD Fast Role Swap support and PPS support
• Independent compensation pins for forward andreverse operation (OTG) modes
• Supports supplemental power (Intel VMIN activeprotection)
• Battery Ship mode - IC ultra-low power state
• Supports JEITA compliance using an NTC
• 4x4 32 Ld TQFN package
ISL9241應用:
• 2- to 4-cell tablets, notebooks, power banks, and anyUSB-C interface portable device requiring batteries

圖1.ISL9241框圖

圖2.通用SMBus架構圖

圖3.NVDC PlusHPBB簡化應用框圖

圖4.NVDC 簡化應用框圖
評估板ISL9241EVAL1Z
The ISL9241 is a configurable buck-boost Narrow Output Voltage DC (NVDC) and Hybrid Power Buck-Boost(HPBB) combo charger that uses the advanced Renesas R3™ Technology to provide high light-load efficiency, fasttransient response, and seamless DCM/CCM transitions for a variety of mobile and industrial applications.
In Charge mode, the ISL9241 takes input power from a wide range (4V to 20V) of DC power sources (conventionalAC/DC charger adapters, USB PD ports, travel adapters, etc.) and safely charges battery packs with up to four cells ina series configuration.
The ISL9241 supports On-the-Go (OTG) functionality for 2- and 4-cell battery applications. When OTG function isenabled, the ISL9241 operates in Reverse Buck mode to provide 5V at the USB port.
Serial communication through SMBus/I2C allows programming of many critical parameters to deliver a customizedsolution. These programming parameters include, but are not limited to, adapter current limit, charger current limit,system voltage setting, and trickle charging current limit.
The ISL9241EVAL1Z evaluation board is designed to demonstrate the performance of the ISL9241. From the PROGpin to GND, the resistor can be used to program the default value numbers of the battery in series, the switchingfrequency, and the adapter current limit charging function. The default value numbers can also be set by SMBus.
評估板ISL9241EVAL1Z主要特性:
• Buck-boost NVDC and HPBB charger for 2-, 3-, and 4-cell Li-ion batteries
• Autonomous End of Charge (EOC) option
• System power monitor PSYS output
• PROCHOT# open-drain output
• Allows trickle charging of depleted battery
• Supplemental power (Intel VMIN active protection)
• Ideal diode control in Turbo mode
• Reverse buck, boost, and buck-boost operation from battery
• Two-level adapter current limit available
• Battery Ship mode option
• SMBus and auto-increment I2C compatible
評估板ISL9241EVAL1Z主要指標:
• VIN = 3.8V to 24V (no dead zone)
• VOUT = 3.9V to 18.304V
• MAX Icharge up to 6A

圖5.評估板ISL9241EVAL1Z框圖

圖6.評估板ISL9241EVAL1Z外形圖(正面)

圖7.評估板ISL9241EVAL1Z外形圖(背面)

圖8.評估板ISL9241EVAL1Z連接圖

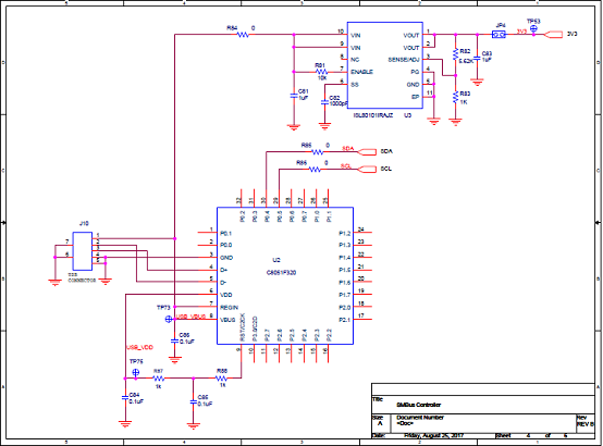
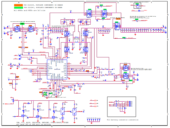
圖9.評估板ISL9241EVAL1Z電路圖(1)

圖10.評估板ISL9241EVAL1Z電路圖(2)

圖11.評估板ISL9241EVAL1Z電路圖(3)
評估板ISL9241EVAL1Z材料清單:




圖12.評估板ISL9241EVAL1Z PCB設計圖(1):頂層絲印

圖13.評估板ISL9241EVAL1Z PCB設計圖(2):內層1

圖14.評估板ISL9241EVAL1Z PCB設計圖(3):內層2

圖15.評估板ISL9241EVAL1Z PCB設計圖(4):底層(鏡像) |
| |
|
|
|
|
|
| |
| |
| |
 |
您可能對以下產品感興趣 |
 |
|
 |
| 產品型號 |
功能介紹 |
兼容型號 |
封裝形式 |
工作電壓 |
備注 |
| CS5086 |
CS5086E是一款5V USB輸入,支持雙節串聯鋰電池/鋰離子電池的升壓充電管理IC。同時集成有NTC功能和電池自動電量平衡功能,其最大的充電電流可達1.5A。 |
|
ESOP-10 |
3.5V-18V |
帶平衡功能、5V USB輸入、雙節鋰電池串聯1.5A升壓充電管理IC |
|
| |
|
| |
|
|