infineon公司的TLE9879QXA20是集成了ARM® Cortex®-M3 MCU和LIN和BLDC MOSFET驅動器的三相馬達驅動器,包括了全集成的NFET驅動器,它通過六個外接功率NFET來驅動3相馬達;能低壓工作的電荷泵以及具有電流斜率控制的可編程電流,從而最優化EMI性能.外設包括電流傳感器,逐次逼近式模擬轉換器(ADC)以及用于PWM控制的捕獲和比較和16位計時器.此外還集成了LIN收發器和大量的通用I/O與線性穩壓器以給外接負載供電.主要用在汽車燃料泵,HVAC風機,引擎冷卻風扇,水泵,BLDC泵和風扇,無傳感器和有傳感器BLDC馬達.本文介紹了TLE9879QXA20主要特性,框圖以及功率管理單元框圖,系統控制單元-數字模塊框圖,Cortex-M3核框圖,簡化應用框圖和外接元件表,評估板TLE9879 EvalKit V1.2主要特性,電路圖和PCB設計圖.
The TLE9879QXA20 is part of the TLE987x product family. The TLE9879QXA20 is a single chip 3-Phase motor driver that integrates the industry standard ARM® Cortex™ M3 core, enabling the implementation of advanced motor control algorithms such as field-oriented control. It includes six fully integrated NFET drivers optimized to drive a 3-Phase motor via six external power NFETs, a charge pump enabling low voltage operation and programmable current along with current slope control for optimized EMC behavior. Its peripheral set includes a current sensor, a successive approximation ADC synchronized with the capture and compare unit for PWM control and 16-bit timers. A LIN transceiver is also integrated to enable communication to the device along with a number of general purpose I/Os. It includes an on-chip linear voltage regulator to supply external loads.
It is a highly integrated automotive qualified device enabling cost and space efficient solutions for mechatronic BLDC motor drive applications such as pumps and fans.
TLE9879QXA20主要特性:
• 32 bit ARM Cortex M3 Core
– up to 24 MHz clock frequency
– one clock per machine cycle architecture
• On-chip memory
– 128 kByteFlash including
– 4 kByte EEPROM (emulated in Flash)
– 512 Byte 100 Time Programmable Memory (100TP)
– 6 kByte RAM
– Boot ROM for startup firmware and Flash routines
• On-chip OSC and PLL for clock generation
– PLL loss-of-lock detection
• MOSFET driver including charge pump
• 10 general-purpose I/O Ports (GPIO)
• 5 analog inputs, 10-bit A/D Converter (ADC1)
• 16-bit timers - GPT12, Timer 2, Timer 21 and Timer 3
• Capture/compare unit for PWM signal generation (CCU6)
• 2 full duplex serial interfaces (UART) with LIN support (for UART1 only)
• 2 synchronous serial channels (SSC)
• On-chip debug support via 2-wire SWD
• 1 LIN 2.2 transceiver
• 1 high voltage monitoring input
• Single power supply from 5.5 V to 27 V
• Extended power supply voltage range from 3 V to 28 V
• Low-dropout voltage regulators (LDO)
• High speed operational amplifier for motor current sensing via shunt
• 5 V voltage supply for external loads (e.g. Hall sensor)
• Core logic supply at 1.5 V
• Programmable window watchdog (WDT1) with independent on-chip clock source
• Power saving modes
– MCU slow-down Mode
– Sleep Mode
– Stop Mode
– Cyclic wake-up Sleep Mode
• Power-on and undervoltage/brownout reset generator
• Overtemperature protection
• Short circuit protection
• Loss of clock detection with fail safe mode entry for low system power consumption
• Temperature Range Tj = -40℃ to +150℃
• Package VQFN-48 with LTI feature
• Green package (RoHS compliant)
• AEC qualified
TLE9879QXA20目標應用:
Fuel pump
HVAC blower
Engine cooling fan
Water pumps
BLDC pumps and fans
Sensor-less and sensor-based BLDC motor applications controlled by the Local Interconnect Network (LIN) or PWM

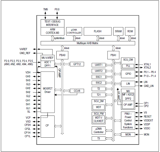
圖1.TLE9879QXA20框圖

圖2.TLE9879QXA20功率管理單元框圖

圖3.TLE9879QXA20系統控制單元-數字模塊框圖

圖4.TLE9879QXA20系統控制單元-功率模塊框圖

圖5.TLE9879QXA20 Cortex-M3核框圖

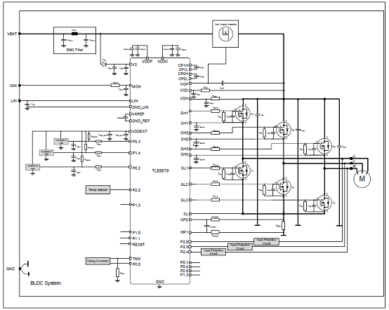
圖6.TLE9879QXA20簡化應用框圖
圖6應用框圖外接元件表:

評估板TLE9879 EvalKit V1.2
This board is intended to provide a simple, easy-to-use tool for getting familiar with Infineon’s embedded power IC TLE9879. It contains the TLE9879 and its typical application circuit including three MOSFET half bridges to instantly drive a BLDC motor. The board is ready to connect with car supply or similar and has an implemented Segger for debugging on board.
All relevant chip pins are connected to pin headers at the edge of the board, where signals can be probed or applied directly. By different jumper settings LEDs can be put in parallel to several ports and selected functions can be configured. Push button switches allow easy hardware reset and triggering of the MON input. There are intended test points for all six gate driver pins, for measurements at the shunt, VDDC and several ground points on the evaluation board (see Figure 3). For testing analog signals ADC inputs can be varied by the potentiometer on board. Three phases of motor current can be picked off at a terminal block to connect a DC brushless motor.
The evaluation board can be operated by standard laboratory equipment as power supply and LIN communication are working via banana jacks. Debugging and UART are provided via an USB interface combined with onboard Segger J-Link (XMC4200). Bidirectional level shifters ensure that the respective XMC pins are in tristate as long as UART or debugging is not used.
In case the user wants to use another ISP than the onboard Segger the SWD interface can be used. To program the TLE9879 via LIN there is an additional uIO BSL interface.
There is a battery LED that indicates that the board is connected to supply the right way. Otherwise reverse polarity protection secures the board from damage by cross connection.

圖7.評估板TLE9879 EvalKit V1.2外形圖

圖8.評估板TLE9879 EvalKit V1.2框圖

圖9.評估板TLE9879 EvalKit V1.2連接圖

圖10.評估板TLE9879 EvalKit V1.2電路圖(1)

圖11.評估板TLE9879 EvalKit V1.2電路圖(2)

圖12.評估板TLE9879 EvalKit V1.2電路圖(3)

圖13.評估板TLE9879 EvalKit V1.2電路圖(4)

圖14.評估板TLE9879 EvalKit V1.2 PCB設計圖(1):頂層

圖15.評估板TLE9879 EvalKit V1.2 PCB設計圖(2):層2

圖16.評估板TLE9879 EvalKit V1.2 PCB設計圖(3):層3

圖17.評估板TLE9879 EvalKit V1.2 PCB設計圖(4):底層 |