| 當前位置:首頁->技術分享 |
|
| 關于使用線性充電器還是開關充電器的區別 |
|
|
| 文章來源:永阜康科技 更新時間:2019/3/15 10:17:00 |
在線咨詢: |
| |
線性充電器和開關充電器廣泛應用于多種應用:助聽器、智能手表、傳感器節點、手機、筆記本電腦等。每當使用可充電電池時,都需要一個充電器。然而,考慮到可用的不同充電拓撲相關的利弊,您在選擇充電器時可能需要考慮更多因素。

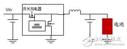
圖1:線性充電器圖
每種方法都有其利弊。線性充電器體積小、易于使用、成本低廉。不用任何切換,它們即可適用于噪聲敏感的應用;但是當充電電流大時,功耗很高。圖1所示為線性充電器的示意圖。

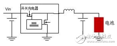
開關充電器以其高效率而聞名,并可在輸入適配器電壓的廣泛變量下最小化功耗。但與線性充電器相比,附加電感器和電容器消耗更多的電路板空間,增加了BOM成本和設計復雜性。圖2所示為開關充電器的圖。表1比較了兩種充電器類型的功能。

圖2:開關充電器圖 |
| |
|
|
|
|
|
| |
| |
| |
 |
您可能對以下產品感興趣 |
 |
|
 |
| 產品型號 |
功能介紹 |
兼容型號 |
封裝形式 |
工作電壓 |
備注 |
| CS5086 |
CS5086E是一款5V USB輸入,支持雙節串聯鋰電池/鋰離子電池的升壓充電管理IC。同時集成有NTC功能和電池自動電量平衡功能,其最大的充電電流可達1.5A。 |
|
ESOP-10 |
3.5V-18V |
帶平衡功能、5V USB輸入、雙節鋰電池串聯1.5A升壓充電管理IC |
| CS5082 |
CS5082E是一款5V輸入,支持雙節鋰電池串聯應用,鋰離 子電池的升壓充電管理IC.CS5082E集成功率MOS,采用異步開關架構,使其在應用 時僅需極少的外圍器件,可有效減少整體方案尺寸,降低BOM成本。 CS5082E的升壓開關充電轉換器的工作頻率為600KHz最大2A輸入充 電,轉換效率為90%。
|
CS5080 |
ESOP-8 |
3.44V-7.0V |
帶NTC功能、5V USB輸入、雙節鋰電池串聯應用、升壓充電管理IC,管腳兼容CS5080 |
| CS5080 |
CS5080E是一款5V輸入,支持雙節鋰電池串聯應用,鋰離子電池的升壓充電管理IC.CS5080E集成功率MOS,采用異步開關架構,使其在應用時僅需極少的外圍器件,可有效減少整體方案尺寸,降低BOM成本。CS5080E的升壓開關充電轉換器的工作頻率為600KHz最大2A輸入充電,轉換效率為90%。 |
|
ESOP-8 |
3.44V-7.0V |
5V USB輸入、雙節鋰電池串聯應用、升壓充電管理IC |
|
| |
|
| |
|
|