| 當前位置:首頁->技術分享 |
|
| MAX77860USB Type-C 3A開關降壓充電器解決方案 |
|
|
| 文章來源:永阜康科技 更新時間:2019/4/19 10:33:00 |
在線咨詢: |
| |
Maxim公司的MAX77860是USB Type-C 3A開關模式降壓充電器,集成了CC檢測和BC1.2檢測和ADC.該充電器集成了兩個開關,使用小型電感和電容尺寸,可編程充電電流,非常適合用在手持設備如智能手機,IoT設備和其它鋰電池電子設備.充電器具有單輸入,可工作于USB和高壓適配器.支持BC 1.2標準下的USB Type-C CC檢測,芯片還集成了電源通路開關,USB-OTG輸出提供真負載斷開功能,并可調整輸出電流限制,而輸入電流限制高達4.0A,單電池充電電流高達3.15A;當配置在反向升壓模式,器件就不需要另外電感器.高達14V保護,充電器具有D+/D-充電檢測,CC,CV和芯片溫度控制,主-從充電功能,高達6A充電電流,支持USB-OTG反向升壓,高達1.5A電流限制.本文介紹了MAX77860主要優勢和特性,框圖和功能框圖,典型應用電路圖以及評估板MAX77860 EVK主要特性,電路圖,建立圖和材料清單.
The MAX77860 is a high-performance single input switch mode charger that features USB Type-C CC detection capability in addition to reverse boost capability and a Safeout LDO.
This switched-mode battery charger with two integrated switches, provides small inductor and capacitor sizes, programmable battery charging current, and is ideally suited for portable devices such as smartphones, IoT devices, and other Li-ion battery powered electronics. The charger features a single input, which works for both USB and high voltage adapters. It supports USB Type-C CC detection under BC 1.2 specification, and the power-path switch is integrated in the chip. All MAX77860 blocks connected to the adapter/USB pin are protected from input overvoltage events up to 14V. The USB-OTG output provides true-load disconnect and is protected by an adjustable output current limit. It has an input current limit up to 4.0A, and can charge a single-cell battery up to 3.15A. When configured in reverse-boost mode, the IC requires no additional inductors to power USB-OTG accessories. The switching charger is designed with a special CC, CV, and die temperature regulation algorithm, as well as I2C programmable settings to accommodate a wide range of battery sizes and system loads. The on-chip ADC can help monitor the charging input voltage/current, battery voltage, charging/discharging current, and the battery temperature.
The MAX77860 communicates through an I2C 3.0 compatible serial interface consisting of a bidirectional serial data line (SDA) and a serial clock line (SCL). The IC is available in a 3.9mm x 4.0mm, 81-bump (9 x 9 array), 0.4mm pitch, wafer-level package (WLP).
MAX77860主要優勢和特性:
● Single-Input Switch Mode Charger
• Up to 14V Protection
• 4.0V to 13.5V Input Operating Range
• Switching Charger with D+/D- Charger Detection
• Up to 4.0A Input Current Limit with Adaptive Input Current Limit (AICL)
• Up to 3.15A Battery Charging Current Limit
• Optional External Sense Resistor
• CC, CV, and Die Temperature Control
• Supports USB-OTG Reverse Boost, up to 1.5A Current Limit
• Master-Slave Charging Capability, up to 6A Charge Current
• Integrated Battery True-Disconnect FET
• Rated up to 9ARMS, Discharge Current Limit (Programmable)
● USB Type-C Detection
• Integrated VCONN Switch
• CC Pin
• D+/D- Detection for USB HVDCP
• BC 1.2 Support
● One Safeout LDO
● I2C-Compatible Interface
MAX77860應用:
● USB Type-C Charging for 1S Li-ion Applications
● Mobile Point-of-Sale Devices
● Portable Medical Equipment
● Portable Industrial Equipment

圖1.MAX77860簡化框圖

圖2.MAX77860功能框圖

圖3.MAX77860典型應用電路圖
評估板MAX77860 EVK
The MAX77860 evaluation system (EV system) is a fully assembled and tested surface-mount printed circuit board (PCB) that evaluates the single input switched-mode battery charger featuring USB Type-C CC detection and charging capability in addition to reverse boost capability and a safest LDO.
The MAX77860 EV system includes the integrated circuit (IC) evaluation board with an integrated I2C interface and a MINIQUSB communication device. Windows® based graphical user interface (GUI) software is available for use with the EV system and can be downloaded from the MAX77860 product page on the Maxim website. A Windows 7 or newer operating system is required to use the EV kit GUI software.

圖4.評估板MAX77860 EVK外形圖
評估板MAX77860 EVK主要特性:
Evaluates MAX77860 Single-Input Switch Mode Charger
Demonstrates 4.0V to 13.5V Input Operation Range
Demonstrates USB Type-C Charging Up to 3.15A
Demonstrates Adapter Detection
Demonstrates USB-OTG Functionality
Assembled and Tested
I2C Serial Interface
評估板MAX77860 EVK應用:
Mobile Point-of-Sale Devices
Portable Industrial Equipment
Portable Medical Equipment
USB Type-C Charging for 1S Li-ion Applications

圖5.評估板MAX77860 EVK建立圖

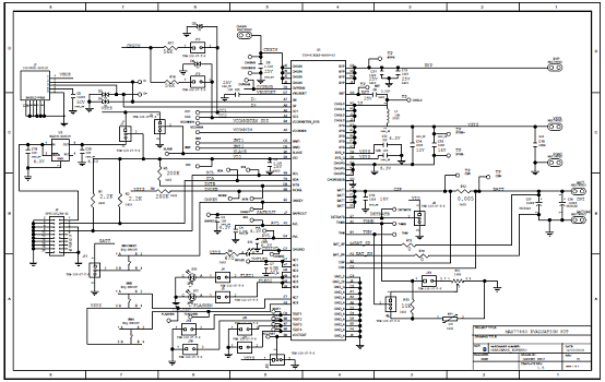
圖6.評估板MAX77860 EVK電路圖(1)

圖7.評估板MAX77860 EVK電路圖(2)
評估板MAX77860 EVK材料清單:


詳情請見: |
| |
|
|
|
|
|
| |
| |
| |
 |
您可能對以下產品感興趣 |
 |
|
 |
| 產品型號 |
功能介紹 |
兼容型號 |
封裝形式 |
工作電壓 |
備注 |
| VAS5176 |
VAS5176 是一款8.5V-24V 輸入,高度集成的開關型鋰離子/聚合物電池充電管理芯片, 以高精度調節2A充電電流,和電池電壓。 |
VAS5175A/VAS5176 |
ESOP-8 |
8.5V-24V |
8.5V-24V輸入2A開關降壓型2節/3節4節鋰電池充電管理IC |
| VAS5175H |
VAS5175H 是一款5V-24V 輸入,開關降壓型1節4.35V/2節8.7V鋰離子/聚合物電池充電芯片, 以高精度調節2A 充電電流,和電池電壓。它密切監測電池組的溫度只在設置安全溫度范圍下允許充電,還提供電池檢測、預充電調節、充電飽充和充電狀態指示等功能。 |
VAS5175A/VAS5176 |
ESOP-8 |
5V-26V |
2A開關降壓型1節4.35V/2節8.7V鋰電池充電管理IC |
| VAS5175A |
VAS5175A 是一款5V-24V輸入,高度集成的開關型鋰離子/聚合物電池充電芯片, 以高精度調節2A充電電流,和電池電壓。它密切監測電池組的溫度只在設置安全溫度范圍下允許充電,還提供電池檢測、預充電調節、充電飽充和充電狀態指示等功能。 |
VAS5175H/VAS5176 |
ESOP-8 |
5V-24V |
2.0A, 1/2節鋰電池開關型充電器 |
| CS5256 |
CS5256E是一款5V輸入,支持單節鋰電池或鋰離子聚合物電池的降壓充電管理IC。CS5256E集成功率MOS,采用同步開關架構,使其在應用時僅需極少的外圍器件, 可有效減少整體方案尺寸, 降低BOM成
本。CS5256E轉換器具有2A的充電電流能力,充電電流可以通過外部電阻靈活可調, 充電效率可以達到
90%以上。 |
|
ESOP-8 |
3.7V-6.0V |
具有自適應輸入電流限制、2A同步降壓型鋰電池充電管理IC |
|
| |
|
| |
|
|