| 當前位置:首頁->方案設計 |
|
| TWS藍牙耳機充電盒解決方案 |
|
|
| 文章來源:永阜康科技 更新時間:2019/7/22 9:28:00 |
在線咨詢: |
| |
繼蘋果推出無線耳機AirPods后,國內外便掀起了TWS藍牙耳機的熱潮,TWS(True Wireless Stereo 真無線立體聲)藍牙耳機迅速進入大眾視野。
而對于TWS藍牙耳機來說充電盒是標配,充電盒除了能為其提供電力,還能很方便的將它收納存放。
目前,市場的藍牙耳機充電盒芯片解決方案主要是雙模方案,即在耳機端做音頻和彈窗功能,該方案存在以下幾個弊端:
1、彈窗推送不及時
雙模方案中,音頻優先級比彈窗優先級高,也就是左耳和右耳有一定交互后才開始彈窗功能。
2、耳機適配性差
雙模方案,音頻使用的是經典藍牙,而彈窗功能是BLE來實現。也就是說耳機必須使用藍牙4.0或以上版本的芯片才可以。
3、充電盒電量顯示不真實
雙模方案,由于只有一個芯片在耳機中, 跟充電盒電量沒有接觸點,無法檢測到充電盒的電壓。
云里物里藍牙耳機充電盒解決方案完美的解決了以上弊端:
1、彈窗與音頻分開,音頻和彈窗可并行,彈窗推送反應快;
2、將BLE部分單獨分開,對耳機部分沒有要求,只要手機支持,所有藍牙耳機都可以使用此充電盒解決方案來實現彈窗功能和電量推送,適配性強;
3、因為是直接連接到充電盒的電源的,所以可以直接檢測到電池電壓,電量真實。
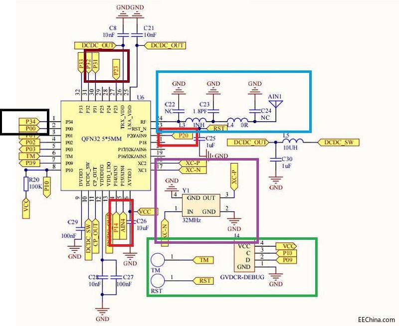
云里物里藍牙耳機充電盒解決方案采用M1805 BLE芯片來實現,芯片及其外圍設計如下(顏色框線對應內容說明):

藍色:RF電路。
紫色:晶振,為節省成本和空間,省去了32.768khz的晶振,32M晶振供芯片主頻和RF使用。
綠色:燒錄引腳需引出,方便修改固件。
紅色:充電盒電量檢測和耳機電量檢測引腳。耳機需跟充電盒有觸點,才可以檢測。
棕色:RGB燈引腳,按照Airpod設計顏色指示狀態。
黑色:P00 用于霍爾開關,P34用于控制耳機是否充電。
此解決方案包含了霍爾開關控制,充電盒和耳機電池電量檢測,RGB燈狀態指示部分。在固件中也有做功能開發。如果不需要這些功能,如RGB燈狀態指示,可不接相對應的引腳。 |
| |
|
|
|
|
|
| |
| |
| |
 |
您可能對以下產品感興趣 |
 |
|
 |
| 產品型號 |
功能介紹 |
兼容型號 |
封裝形式 |
工作電壓 |
備注 |
| CS5603 |
CS5603D/T/S是面向空間受限的便攜應用的高度,集成鋰離子和鋰聚 合物線性充電器件。該器件由USB端口或交流適配器供電。 |
CS5601/SGM40561 |
DFN-8 |
4.5V-6.6V |
低電池泄露電流,30mA終止電流,650mA單節鋰離子和鋰聚合物電池充電器 |
| CS5601 |
CS5601T是面向空間受限的便攜應用的高度,集成鋰離子和鋰聚合物 線性充電器件。該器件由USB端口或交流適配器供電。帶輸入過壓保護的高輸入電壓范圍支持低成本、非穩壓適配器。 |
CS5603/SGM40561 |
DFN-8 |
4.5V-28V |
低電池泄露電流,1mA終止電流,750mA單節鋰離子和鋰聚合物電池充電器 |
|
| |
|
| |
|
|