混合動力純電動車(HEV)和純電動車(EV)往往深受熱烈歡迎,由于他們具備低(零)排污和低維護保養規定,一起出示了更高的高效率和驅動器特性。新的HEV/EV企業大勢所趨,并且目前的汽車企業正大舉項目投資HEV/EV銷售市場,以角逐市場占有率。
HEV/EV汽車動力系統的關鍵取決于系統軟件。該系統軟件從電力網獲得電力工程,將其儲存在充電電池中(靜止不動時),并從充電電池獲得動能以旋轉電動機并挪動車子。該系統軟件包括4個分系統:車載充電器(OBC)、電池管理系統(BMS)、DC-DC轉化器(DC/DC)及其逆變電源和電機控制(IMC),如圖所示1圖示。在HEV/EV的BMS中常常忽視放大器的協調能力和成本費經濟效益。因而,文中將重中之重詳細介紹BMS及其布置工作人員怎樣在系統軟件中應用放大器。

圖1:典型性的含有OBC、BMS、DC/DC、逆變電源和電機控制的HEV/EV系統圖
BMS的功效是啥?
BMS維護保養和監控器充電電池,包含合理和安全性地電池充電和充放電。BMS相對性地均衡每一單個充電電池的工作電壓和正電荷,監控器充電電池的身體狀況,使充電電池維持安全性的操作溫度,并保證更長的電池循環次數。BMS應當避免例如充電電池不斷過多充放電,由于這將減少電池循環次數,或應避免過多電池充電,由于這將會會毀壞充電電池并造成火災事故或發生爆炸。HEV/EV中的充電電池是很多串聯和并聯的鋰電池組成,能夠考慮需要的工作電壓和動能。待徹底電池充電后,單獨鋰電池的工作電壓為4.2V,充放電時貼近2.8V。HEV/EV中填滿電的充電電池工作電壓范疇為200V至800V。圖2是典型性的BMS框圖。

圖2:BMS系統框圖
我們一起回望一下下BMS的關鍵作用。
充電電池電流量磁感應
監控器鍵入鋰電池組的電流量和輸出鋰電池組的電流量尤為重要。在主鋰電池中,該電流量的尺寸通常達到百余安培。霍爾傳感器、磁感應控制器或分離變阻器上的防護放大器一般 用以充電電池冷側(低壓)到熱側(高工作電壓)電流量感測。這種防護電流量感測解決方法能夠具備仿真模擬差分信號輸出數據信號。防護電流量感測致力于維持熱側和冷側分離出來,并將有關感測出的電流量的仿真模擬信息內容出示給主微處理器中的由底壓開關電源供電系統的模數轉換器(ADC)。這類電流量感測一般 不用十分精確。運算放大器將差分信號變換為單端數據信號(以接地裝置為參照),提升動態范圍,并驅動器ADC。在BMS中,一般 應用電流量分離監控開展精準的熱側電流量感測。
圖3圖示為不一樣工作電壓域的帶防護放大器和與運算放大器電路(用以帶直流電傳送作用的電流量感測)。分流電阻上造成的工作電壓VSHUNT由1個防護放大器變大,做為其防護輸出的差分信號輸出數據信號VDIFF。運算放大器將差分信號VDIFF變換為單端數據信號OUT,并根據向數據信號釋放2 V/V的收獲來提升動態范圍。防護放大器偏位決策了原始電流量感測精密度。差分放大器的共模抑制比關鍵由電阻器容時決策。

圖3:用以防護電流量感測的帶運算放大器的防護放大器
DC-DC轉化器從HEV/EV中的主髙壓充電電池轉化成獨立的48V充電電池分系統。這個48V充電電池分系統為中央空調、加溫、剎車系統驅動力轉為出示驅動力,并出示比應用鉛酸蓄電池的傳統式12 V開關電源軌更高的高效率。48V分系統沒有主充電電池那麼高的電流量負荷,但依然必須電流量感測,這就是說為什么它有自身的當地BMS。在48V BMS中,非防護高精密電流量分離監控用以主電流量感測,雙重運算放大器電流量感測電源電路作為沉余過電流保護。圖4圖示為開展雙重電流量感測的與運算放大器電路。

圖4:低側雙重電流量磁感應與運算放大器電路
充電電池工作電壓感測
必須像電流量相同監控器充電電池的工作電壓。在防護工作電壓檢驗中,電阻分壓器將高工作電壓從充電電池分壓電路到放大器的共模鍵入范疇。防護放大器感測出分壓電路工作電壓,差分放大器配備中應用的運算放大器將防護放大器中的差分信號輸出數據信號變換為單端輸出。若不用防護,則差分放大器配備中的運算放大器能夠實行立即工作電壓感測。
圖5圖示為選用防護放大器和運算放大器的防護工作電壓感測。防護放大器防護熱側和冷側,并輸出收獲為1的差分信號。運算放大器將差分信號變換為單端輸出,并使ADC收獲考慮全動態范圍。該工作電壓被饋送到冷側MCU中的ADC。
致力于BMS布置的集通過率集成ic可追蹤每一鋰電池的工作電壓并均衡正電荷。以菊花鏈方法聯接這種輸出功率集成ic能夠一起精確測量全部鋰電池的工作電壓,均衡這種充電電池上的工作電壓,并將此信息的傳遞給MCU。

圖5:根據防護放大器和運算放大器感測防護工作電壓
防護漏流電流量精確測量
如同我以前提及的那般,髙壓200至800V側與車子汽車底盤接地裝置和別的底壓域(12 V和48 V)維持防護。根據檢測防護終斷精確測量充電電池工作電壓和泄漏電流量還將造成精確測量髙壓軌與汽車底盤接地裝置的底壓中間的電阻器或泄露。小車髙壓和防護泄露精確測量參照布置表述了檢測防護終斷。它必須應用己知的電阻器相對路徑臨時短接護欄網,如圖所示6圖示

圖6:帶運算放大器的防護漏流電流量精確測量電源電
必須從髙壓充電電池的正級或負級側掌握常見故障泄露電流的相對路徑。當我產生防護終斷時,汽車繼電器S1坐落于正級側或汽車繼電器S2坐落于負級側。將該己知的防護電阻器與精確測量的電阻器開展較為能夠明確根據防護天然屏障的泄露。
比如,當S1關掉時,假如在負級側無滲漏,則ISO_POS工作電壓將相當于Vref。若在負級側存有泄露電流(防護毀壞),則ISO_POS工作電壓將不一定Vref。因為泄露電流穿過Rps1、Rps2和Rs1、充電電池的正級側和負級側到底壓側接地裝置,閉環控制收獲不一樣。具備低鍵入參考點電流量的運算放大器適用此運用,由于聯接到反相鍵入的特性阻抗將會十分高(在兆歐范圍之內)。
溫度檢測
HEV/EV必須高工作電壓和高電流量,這將會造成高功耗和迅速溫度。檢測充電電池以及周邊系統軟件的溫度十分必須,以避免功率過大。若常見故障造成高功耗,充電電池操縱模塊將斷掉充電電池,以避免發生火災事故和發生爆炸等勒索軟件惡性事件。
這種經濟發展合理的溫度感測解決方法是應用運算放大器緩存于與電阻器串連的負溫度指數(NTC)熱敏電阻器的數據信號。因為BMS和充電電池占位室內空間很大,因而全部系統軟件的溫度將會不勻稱。這類不勻稱的溫度必須在全部BMS中置放好幾個溫度感測模塊。將于這種模塊的數據信號重復使用到單獨ADC或MCU腳位必須數據信號調整。還必須緩存和變大數據信號,以考慮ADC的全動態范圍。

圖7表明了用以緩存放大器或同相放大器配備的運算放大器。具備有效偏位和失衡飄移的成本低髙壓運算放大器適用此運用。
圖7:應用NTC熱敏電阻器和運算放大器開展溫度感測
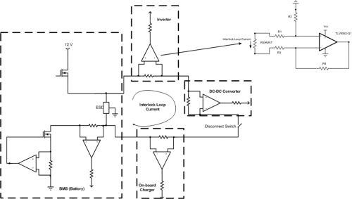
互鎖檢測
互鎖是1個工作電壓和電流量控制回路系統軟件,流過HEV/EV系統軟件中的一連串分系統,如圖所示8圖示。互鎖從BMS起動并歷經逆變電源、DC/DC轉化器、OBC再回到BMS,以檢測一切偽造、開啟髙壓系統軟件或開啟維護保養艙口的惡性事件。小車髙壓互鎖參照布置表述了互鎖系統軟件怎樣斷掉高壓線路以避免碰傷。
互鎖控制回路關鍵涉及到感測不用高精精確測量的以單脈沖傳送的電流量。緊湊型的解決方法要求可能會致使根據儀表放大器的解決方法。最經濟發展的解決方法是在差分放大器配備中應用帶運算放大器和吸收合并電阻器的電流量感測電源電路。互鎖控制回路并不是高電流量控制回路;因而,您能夠應用高值分流電阻,且不容易有高功耗風險性。安全性和確診作用必須沉余,以遮蓋主系統軟件產生常見故障時的狀況。為檢驗全部將會的常見故障,將會存有大量必須再次工作電壓和電流量感測的狀況,及其成本低解決方法變得越來越行得通的狀況。

圖8:BMS中的互鎖系統軟件
|