| 當前位置:首頁->技術分享 |
|
| TLE9879 BLDC馬達驅動方案 |
|
|
| 文章來源:永阜康科技 更新時間:2019/11/30 9:51:00 |
在線咨詢: |
| |
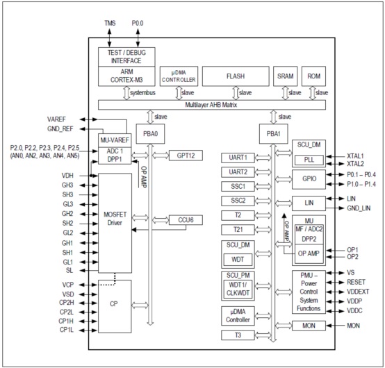
infineon公司的TLE9879QXA40是單片三相馬達驅動器,集成了工業標準的ARM® Cortex® M3核,可以實現先進的馬達控制算法如磁場定向控制(FOC).TLE9879包括六個全集成的NFET驅動器,通過外接功率NFET來驅動三相馬達,電荷泵可以低電壓工作,可編程電流和電流斜率控制具有優異的EMC性能.它的外設包括電流傳感器,帶有用于PWM控制的捕獲和比較的同步逐次逼近ADC和16位計時器.此外還集成LIN收發器使得能和通用I/O的設備進行通信.它還包括片上線性電壓穩壓器給外部負載供電.高度集成的器件包含了模擬和數字功能區塊,嵌入的32位微控制器(工作頻率高達40MHz)用來系統和接口控制.片上低壓降的穩壓器用來給內部和外部供電.內部振蕩器提供成本效益的時鐘,特別適合于LIN通信.而LIN收發器用作通信接口.還集成了具有外接MOSFET的馬達橋或BLDC馬達橋的驅動級,具有PWM功能,保護特性和電荷泵特性,其10位SAR ADC實現高精度傳感器測量,而8位ADC用來診斷測量.單電源5.5 V- 27 V工作,工作溫度Tj = -40℃到+150℃,具有AEC 認證,主要用在汽車馬達驅動如泵和風扇.本文介紹了TLE9879QXA40主要特性,框圖,系統控制單元-數字模塊框圖和Cortex-M3框圖,評估板TLE9879 EvalKit V1.3主要特性,框圖,電路圖,元件放置圖和PCB設計圖.
The TLE9879QXA40 is a single chip 3-Phase motor driver that integrates the industry standard ARM® Cortex® M3core, enabling the implementation of advanced motor control algorithms such as field-oriented control.
It includes six fully integrated NFET drivers optimized to drive a 3-Phase motor via six external power NFETs, acharge pump enabling low voltage operation and programmable current along with current slope control foroptimized EMC behavior. Its peripheral set includes a current sensor, a successive approximation ADCsynchronized with the capture and compare unit for PWM control and 16-bit timers. A LIN transceiver is also integrated to enable communication to the device along with a number of general purpose I/Os. It includes anon-chip linear voltage regulator to supply external loads.It is a highly integrated automotive qualified device enabling cost and space efficient solutions for mechatronicBLDC motor drive applications such as pumps and fans.
This highly integrated circuit contains analog and digital functional blocks. An embedded 32-bit microcontroller isavailable for system and interface control. On-chip, low-dropout regulators are provided for internal and externalpower supply. An internal oscillator provides a cost effective clock that is particularly well suited for LINcommunications. A LIN transceiver is available as a communication interface. Driver stages for a Motor Bridge orBLDC Motor Bridge with external MOSFET are integrated, featuring PWM capability, protection features and acharge pump for operation at low supply voltage. A 10-bit SAR ADC is implemented for high precision sensormeasurement. An 8-bit ADC is used for diagnostic measurements.
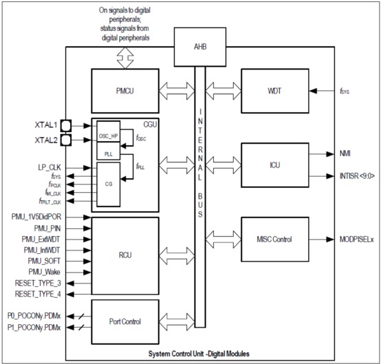
The Micro Controller Unit supervision and system protection (including a reset feature) is complemented by aprogrammable window watchdog. A cyclic wake-up circuit, supply voltage supervision and integrated temperaturesensors are available on-chip.
All relevant modules offer power saving modes in order to support automotive applications connected to terminal30. A wake-up from power-save mode is possible via a LIN bus message, via the monitoring input or using aprogrammable time period (cyclic wake-up).
Featuring LTI, the integrated circuit is available in a VQFN-48-31 package with 0.5 mm pitch, and is designed towithstand the severe conditions of automotive applications.
The TLE9879QXA40 has several operation modes mainly to support low power consumption requirements.
TLE9879QXA40主要特性:
• 32 bit ARM Cortex M3 Core
– up to 40 MHz clock frequency
– one clock per machine cycle architecture
• On-chip memory
– 128 kByteFlash including
– 4 kByte EEPROM (emulated in Flash)
– 512 Byte 100 Time Programmable Memory (100TP)
– 6 kByte RAM
– Boot ROM for startup firmware and Flash routines
• On-chip OSC and PLL for clock generation
– PLL loss-of-lock detection
• MOSFET driver including charge pump
• 10 general-purpose I/O Ports (GPIO)
• 5 analog inputs, 10-bit A/D Converter (ADC1)
• 16-bit timers - GPT12, Timer 2, Timer 21 and Timer 3
• Capture/compare unit for PWM signal generation (CCU6)
• 2 full duplex serial interfaces (UART) with LIN support (for UART1 only)
• 2 synchronous serial channels (SSC)
• On-chip debug support via 2-wire SWD
• 1 LIN 2.2 transceiver
• 1 high voltage monitoring input
• Single power supply from 5.5 V to 27 V
• Extended power supply voltage range from 3 V to 28 V
• Low-dropout voltage regulators (LDO)
• High speed operational amplifier for motor current sensing via shunt
• 5 V voltage supply for external loads (e.g. Hall sensor)
• Core logic supply at 1.5 V
• Programmable window watchdog (WDT1) with independent on-chip clock source
• Power saving modes
– MCU slow-down Mode
– Sleep Mode
– Stop Mode
– Cyclic wake-up Sleep Mode
• Power-on and undervoltage/brownout reset generator
• Overtemperature protection
• Short circuit protection
• Loss of clock detection with fail safe mode entry for low system power consumption
• Temperature Range Tj = -40℃ to +150℃
• Package VQFN-48 with LTI feature
• Green package (RoHS compliant)
• AEC qualified

圖1.TLE9879QXA40框圖

圖2.系統控制單元-數字模塊框圖

圖3. Cortex-M3框圖

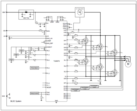
圖4.TLE9879QXA40簡化應用框圖
應用框圖外接元件表:

評估板TLE9879 EvalKit V1.3
This board provides a simple, easy-to-use tool for getting familiar with Infineon’s Embedded Power ICTLE9879QXA40 (further to be named: TLE9879). It contains the TLE9879 and its typical application circuitincluding three MOSFET half bridges to drive a BLDC motor. The board is ready to connect with car supply orsimilar and has an onboard J-Link debugger.
All relevant chip pins are connected to pin headers at the edge of the board, where signals can be probed orapplied directly (see Table 2, Table 3). By different jumper settings LEDs can be put in parallel to several portsand selected functions can be configured (see Table 6). Push button switches allow easy hardware reset and triggering of the MON input. There are intended test points for all six gate driver pins, for measurements at theshunt, VDDC and several ground points on the evaluation board (see Figure 3). For testing analog signals ADCinputs can be varied by the potentiometer on board. Three phases of motor current can be picked off at a terminal block to connect a DC brushless motor.
The evaluation board can be operated by standard laboratory equipment as power supply and LINcommunication are working via banana jacks. Debugging and UART are provided via an USB interface combinedwith an onboard Segger J-Link (XMC4200). Bidirectional level shifters ensure that the respective XMC pins are in tristate as long as UART or debugging is not used.
An SWD interface is available to use another ISP than the onboard J-Link. To program the TLE9879 via LIN thereis an additional uIO BSL interface (see Table 4). There is a battery LED that indicates that the board is suppliedthe right way. Otherwise reverse polarity protection secures the board from damage by cross connection

圖5.評估板TLE9879 EvalKit V1.3外形圖

圖6.評估板TLE9879 EvalKit V1.3框圖

圖7.評估板TLE9879 EvalKit V1.3內部連接圖

圖8.評估板TLE9879 EvalKit V1.3測試點圖

圖9.評估板TLE9879 EvalKit V1.3其它元件放置點圖

圖10.評估板TLE9879 EvalKit V1.3電路圖(1)

圖11.評估板TLE9879 EvalKit V1.3電路圖(2)

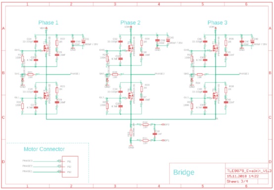
圖12.評估板TLE9879 EvalKit V1.3電路圖(3)

圖13.評估板TLE9879 EvalKit V1.3電路圖(4)

圖14.評估板TLE9879 EvalKit V1.3 PCB設計圖(1):頂層

圖15.評估板TLE9879 EvalKit V1.3 PCB設計圖(1):層2

圖16.評估板TLE9879 EvalKit V1.3 PCB設計圖(1):層3

圖17.評估板TLE9879 EvalKit V1.3 PCB設計圖(1):底層 |
| |
|
|
|
|
|
| |
| |
| |
 |
您可能對以下產品感興趣 |
 |
|
 |
| 產品型號 |
功能介紹 |
兼容型號 |
封裝形式 |
工作電壓 |
備注 |
| ATD5988 |
ATD5988是一種便于使用的內部集成了譯碼器的微
特步進電機驅動器。其設計為能使雙極步進電機以全、
半、1/4、1/8、1/16、1/32步進模式工作。步進模式由邏
輯輸入管腳MSx選擇。輸出驅動能力達到32V和±2A。
ATD5988包含一個工作在慢衰或混合衰減模式的固定衰
減時間的電流調節器。 |
A5988 |
QFN-28 |
6.5V-32V |
內置轉換器和過流保護的微特步進電機驅動芯片 |
| AT8841 |
AT8841為打印機和其它電機一體化應用提供一種雙通道集成電機驅動方案。AT8841有兩路H橋驅動,最大輸出42V 3A,可驅動兩路刷式直流電機,或者一路雙極步進電機,或者螺線管或者其它感性負載。雙極步進電機可以以整步、2細分、4細分運行,或者用軟件實現高細分。 |
DRV8841 |
TSSOP-28 |
8V-42V |
3A雙路刷式直流或單路雙極步進電機驅動器(PWM 控制器) |
| AT8840 |
AT8840為打印機和其它電機一體化應用提供一種單通道H橋集成電機驅動方案。AT8840有一路H橋驅動,最大輸出42V 3.5A(5A峰值),可驅動一路刷式直流電機。 |
DRV8840 |
TSOOP-28 |
8V-42V |
具有浪涌電流保護功能的 5A 刷式直流電機驅動器(PH/EN 控制器) |
| AT4931 |
AT4931 是一款三相無刷直流電機預驅動芯片,能夠在寬電
壓范圍內驅動N 溝道功率MOSFET,且電機電源最高可支持到
30V. |
A4931 |
QFN-28 |
8V-38V |
三相直流電動機預驅動器 |
|
| |
|
| |
|
|