| 一 電容降壓原理
電容降壓的工作原理是 利用電容在一定的交流信號頻率下產生的容抗來限制最大工作電流。
例如,在50Hz的工頻條件下,一個1uF的電容所產生的容抗約為3180歐姆。當220V的交流電壓加在電容器的兩端,則流過電容的最大電流約為70mA。雖然流過電容的電流有70mA,但在電容器上并不產生功耗,應為如果電容是一個理想電容,則流過電容的電流為虛部電流,它所作的功為無功功率。
根據這個特點,我們 如果在一個1uF的電容器上再串聯一個阻性元件,則阻性元件兩端所得到的電壓和它所產生的功耗完全取決于這個阻性元件的特性。
例如,我們將一個110V/8W的燈泡與一個1uF的電容串聯,在接到220V/50Hz的交流電壓上,燈泡被點亮,發出正常的亮度而不會被燒毀。因為110V/8W的燈泡所需的電流為72mA,它與1uF電容所產生的限流特性相吻合。
同理,我們也可以將5W/65V的燈泡與1uF電容串聯接到220V/50Hz的交流電上,燈泡同樣會被點亮,而不會被燒毀。因為5W/65V的燈泡的工作電流也約為70mA。
因此,電容降壓實際上是利用容抗限流。而電容器實際上起到一個限制電流和動態分配電容器和負載兩端電壓的角色。
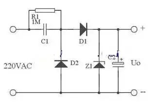
下圖為阻容降壓的典型應用,C1為降壓電容,R1為斷開電源時C1的泄放電阻,D1為半波整流二極管,D2在市電的負半周為C1提供放電回路,否則電容C1充滿電就不工作了,Z1為穩壓二極管,C2為濾波電容。輸出為穩壓二極管Z1的穩定電壓值。

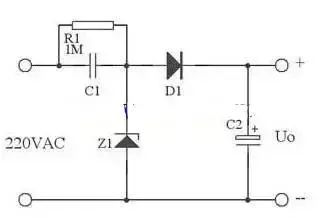
在實際應用中,可以用下圖代替上圖,這里用了Z1正向特性和反向特性,其反向特性(也就是其穩壓特性)來穩定電壓,其正向特性用來在市電負半周給C1提供放電回路。

在較大的電流應用中,可以用全波整流,如下圖:

在小電壓全波整流輸出時,最大輸出電流即為:
容抗:Xc=1/(2πfC)
電流:Ic = U/Xc=2πfCU
采用電容降壓時應注意以下幾點:
①根據負載的電流大小和交流電的工作頻率選取適當的電容,而不是依據負載的電壓和功率。
②限流電容必須采用無極性電容,絕對不能采用電解電容。而且電容的耐壓須在400V以上。最理想的電容為鐵殼油浸電容。
③電容降壓不能用于大功率條件,因為不安全。
④電容降壓不適合動態負載條件。
⑤同樣,電容降壓不適合容性和感性負載。
⑥當需要直流工作時,盡量采用半波整流。不建議采用橋式整流。而且要滿足恒定負載的條件。
二 器件選擇
1、電路設計時,應先測定負載電流的準確值,然后參考示例來選擇降壓電容器的容量。因為通過降壓電容C1向負載提供的電流Io,實際上是流過C1的充放電電流Ic。C1容量越大,容抗Xc越小,則流經C1的充、放電電流越大。當負載電流Io小于C1的充放電電流時,多余的電流就會流過穩壓管,若穩壓管的最大允許電流Idmax小于Ic-Io時易造成穩壓管燒毀。
2、為保證C1可靠工作,其耐壓選擇應大于兩倍的電源電壓。
3、泄放電阻R1的選擇必須保證在要求的時間內泄放掉C1上的電荷。
三 設計 舉例
已知C1為0.33μF,交流輸入為220V/50Hz,求電路能供給負載的最大電流。
C1在電路中的容抗Xc為:
Xc=1 /(2 πf C)= 1/(2*3.14*50*0.33*10-6)= 9.65K
流過電容器C1的充電電流(Ic)為:
Ic = U / Xc = 220 / 9.65 = 22mA
通常降壓電容C1的容量C與負載電流Io的關系可近似認為:C=14.5 I,其中C的容量單位是μF,Io的單位是A。電容降壓式電源是一種非隔離電源,在應用上要特別注意隔離,防止觸電。 |