| 當前位置:首頁->方案設計 |
|
| L6983 38V/3A同步降壓轉換器解決方案 |
|
|
| 文章來源:永阜康科技 更新時間:2020/2/27 12:39:00 |
在線咨詢: |
| |
ST公司的l6983是靜態電流僅為17 μA的 38 V 3 A同步降壓轉換器.輸入電壓VIN為3.5V到38V,輸出電壓為0.85V到VIM,具有固定輸出3.3V和5V版本.3A DC輸出電流,內部補償網絡. L6983是基于峰值電流模式架構,采用QFN16 3x3封裝.可采用低消耗模式(LCM)和低噪音模式(LNM)版本.LCM模式在輕負載時可控制輸出電壓波紋,最大化效率. LNM模式開關頻率固定,因此輕負載時最小化輸出電壓波紋.L6983的開關頻率可在200 Hz - 2.2 MHz間選擇,同時具有擴頻技術以改善EMC.關斷電流2 μA.器件具有熱軟起動,具有過壓保護和熱保護以及輸出電壓加序.設計用于24V總線工業電源系統,24V電池供電設備,分散智能節點,傳感器和常開應用以及低噪音應用.本文介紹了L6983主要特性,框圖,基本應用電路(可調整版本)及其元件表,以及評估板STEVAL-ISA208V1主要特性,電路圖,材料清單和PCB設計圖.
The L6983 is an easy to use synchronous monolithic step-down regulator capable of delivering up to 3 A DC to the load. The wide input voltage range makes the device suitable for a broad range of applications. The L6983 is based on a peak current mode architecture and is packaged in a QFN16 3x3 with internal compensation thus minimizing design complexity and size.
The L6983 is available both in low consumption mode (LCM) and low noise mode (LNM) versions. LCM maximizes the efficiency at light-load with controlled output voltage ripple so the device is suitable for battery-powered applications. LNM makes the switching frequency constant and minimizes the output voltage ripple for light load operations, meeting the specification for low noise sensitive applications. The L6983 allows the switching frequency to be selected in the 200 Hz - 2.2 MHz range
with optional spread spectrum for improved EMC.
The EN pin provides enable/disable function. The typical shutdown current is 2 μA when disabled. As soon as the EN pin is pulled up, the device is enabled and the internal 1.3 ms soft-start takes place. The L6983 features Power Good open collector that monitors the FB voltage. Pulse-by-pulse current sensing on both power elements implements an effective constant current protection and thermal shutdown prevents thermal run-away.
L6983主要特性:
? 3.5 V to 38 V operating input voltage
? Output voltage from 0.85 V to VIN
? 3.3 V and 5 V fixed output voltage versions
? 3 A DC output current
? 17 μA operating quiescent current
? Internal compensation network
? Two different versions: LCM for high efficiency at light loads and LNM for noise sensitive applications
? 2 μA shutdown current
? Internal soft-start
? Enable
? Overvoltage protection
? Output voltage sequencing
? Thermal protection
? 200 kHz to 2.2 MHz programmable switching frequency. Stable with low ESR capacitor
? Optional spread spectrum for improved EMC
? Power Good
? Synchronization to external clock for LNM devices
? QFN16 package
L6983應用:
? Designed for 24 V buses industrial power systems
? 24 V battery powered equipment
? Decentralized intelligent nodes
? Sensors and always-on applications
? Low noise applications

圖1. L6983框圖

圖2. L6983基本應用電路(可調整版本)
圖2應用電路的元件表:

評估板STEVAL-ISA208V1
38 V, 3 A synchronous step-down switching regulator evaluation board based on the L6983CQTR
The L6983 is an easy-to-use synchronous monolithic step-down regulator capable of delivering up to 3 ADC to the load. Its wide input voltage range makes the device suitable for a broad range of applications. The device implements peak current mode architecture in a QFN16 3x3 package with internal compensation to minimize design complexity and size.
The L6983 is available both in low consumption mode (LCM) and low noise mode (LNM) versions. LCM maximizes efficiency at light-load with controlled output voltage ripple, which is ideal for battery-powered applications. LNM makes the switching frequency constant and minimizes the output voltage ripple overload current range,meeting the specification for noise sensitive applications.
The L6983 allows switching frequency selection between 200 Hz and 2.2 MHz with optional spread spectrum for improved EMC. The EN pin provides enable/disable function. The typical shutdown current is 2 μA when disabled. When the EN pin is pulled up, the device is enabled and the internal 1.3 ms soft-start takes place. The device features power good open collector that monitors the FB voltage. Pulse-bypulse
current sensing on both power elements implements effective constant current protection and thermal shutdown prevents thermal runaway.
評估板STEVAL-ISA208V1主要特性:
? 3.5 V to 38 V operating input voltage
? Output voltage from 0.85 V to VIN
? 3.3 V and 5 V fixed output voltage versions
? 3 A DC output current
? 17 μA operating quiescent current
? Internal compensation network
? Two different versions:
– LCM for high efficiency at light loads
– LNM for noise sensitive applications
? 2 μA shutdown current
? Internal soft-start
? Enable
? Overvoltage protection
? Thermal protection
? Output voltage sequencing
? QFN16 package
? 200 kHz to 2.2 MHz programmable switching frequency; stable with low ESR capacitor
? Optional spread spectrum for improved EMC
? Power good
? Synchronization to external clock for LNM devices

圖3. 評估板STEVAL-ISA208V1外形圖

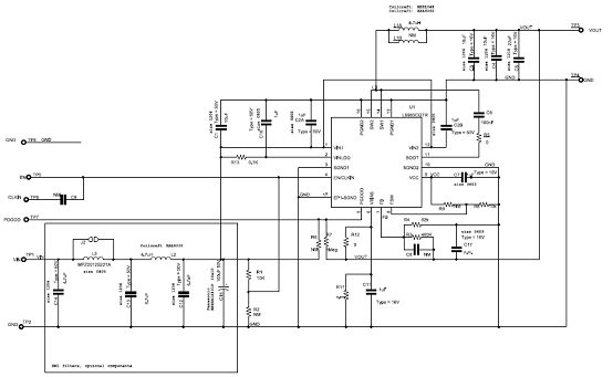
圖4. 評估板STEVAL-ISA208V1電路圖
評估板STEVAL-ISA208V1材料清單:



圖5. 評估板STEVAL-ISA208V1 PCB設計圖(頂層)

圖6. 評估板STEVAL-ISA208V1 PCB設計圖(底層) |
| |
|
|
|
|
|
| |
|
| |
|
|