| 當前位置:首頁->技術分享 |
|
| MA12040 2x80W D類音頻放大器解決方案 |
|
|
| 文章來源:永阜康科技 更新時間:2020/4/25 9:43:00 |
在線咨詢: |
| |
infineon公司的MA12040是基于專有的多級開關技術的無濾波器高效音頻功率放大器,支持寬工作電壓,工作電壓+4V到+18V(PVDD)和+5V(A/DVDD),允許使用在許多差分應用中.多級開關技術在工作時有非常低的功耗.MA12040具有嵌入數字管理方案,功率管理算法大大地調整開關頻率和調制,以優化功率損耗和輸出功率范圍內的EMI,其4階反饋回路保證了低失真和高PSRR.MA12040具有對DC,短路,超溫和欠壓狀態的保護功能.18V PVDD時的空閑功耗小于100mW,1W時的效率大于79%(1kHz sine, 8Ω),滿功率時的效率大于92%(1kHz sine, 8Ω),DNR大于107dB(A-w,rel.to 1% THD+N powerlevel),55μV輸出綜合噪音(A-w),高輸出電平時的THD+N為0.003%.可選擇的增益為(20dB/26dB),2x40W峰值輸出功率(18V PVDD, RL = 4Ω,10% THD+N level),2x20W連續輸出功率(RL = 8Ω at 18V,PMP4, 10% THD+N level,無散熱器).主要用在電池工作的揚聲器,無西南和塢站揚聲器,多房間系統,家庭影院和條形音響.本文介紹了MA12040主要特性,典型應用框圖,MA12040參考板主要特性,電路圖,材料清單和PCB設計圖.
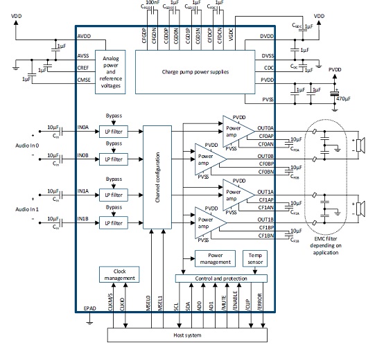
The MA12040 is a super-efficient audio power amplifierbased on proprietary multi-level switching technology.It supports a wide supply voltage range, allowing it tobe used in many different applications.
Multi-level switching enables very low power lossduring operation. In addition, it allows the amplifier tobe used in filterless configurations at full rated powerin a wide range of audio products.
The MA12040 features an embedded digital powermanagement scheme. The power managementalgorithm dynamically adjusts switching frequency andmodulation to optimize power loss and EMI across theoutput power range.A 4th order feedback loop ensures low distortion and ahigh PSRR.
The MA12040 operates from a single power stagesupply voltage (PVDD) and a 5V system supply voltage(DVDD, AVDD).Highly flexible output stage configurations are offered,ranging from four single-ended outputs to a singleparallel-BTL output.
The MA12040 features protection against DC, shortcircuits,over-temperature and under-voltagesituations.Flexible “Power Mode Profiles” allow the user to utilizethe multi-level switching technique for very low powerloss or very high audio performance.Device configuration is controlled through an I2Cinterface as well as dedicated control pins.
MA12040主要特性:
• Proprietary Multi-level Switching Technology
◦ 3-level and 5-level modulation
◦ Low EMI emission
◦ Filterless amplification
◦ Digital Power Management Algorithm
• High Power Efficiency (PMP4)
◦ <100mw Idle power dissipation (18V PVDD,all channels switching)
◦ >79% Efficiency at 1W power (1kHz sine, 8Ω)
◦ >92% Efficiency at Full Power (1kHz sine, 8Ω)
• Audio Performance (PMP2)
◦ >107dB DNR (A-w, rel. to 1% THD+N powerlevel)
◦ 55μV output integrated noise (A-w)
◦ 0.003% THD+N at high output levels
• 4th Order Feedback Error Control
◦ High suppression of supply disturbance
◦ HD audio quality
• Supply Voltages: +4V to +18V (PVDD) and +5V(A/DVDD)
• Selectable Gain (20dB/26dB)
• 2×40W peak output power (18V PVDD, RL = 4Ω,10% THD+N level)
• 2×20W continuous output power (RL = 8Ω at 18V,PMP4, 10% THD+N level, without heatsink)
• 2.0,2.1,4.0,1.0 Output Stage Configurations
• Protection
◦ Under-voltage-lockout
◦ Over-temperature warning/error
◦ Short-circuit/overload protection
◦ Power stage pin-to-pin short-circuit
◦ Error-reporting through serial interface (I2C)
◦ DC protection
• I2C control (four selectable addresses)
• Heatsink free operation with EPAD-down package
Package
• 64-pin QFN Package with exposed thermal pad(EPAD)
• Lead-free Soldering
MA12040應用:
• Battery Operated Speakers
• Wireless and Docking Speakers
• Soundbars
• Multiroom Systems
• Home Theater Systems

圖1.MA12040典型應用框圖
This application note describes the functionality and set-up of the reference design (Sections 2 and 3). It also includes a schematic, PCB layout, BOM and a discussion of circuit design considerations (Section 4). Measurement results (Section 5) show high performance in audio and efficiency parameters, as well as good thermal characteristics. Testing included a frequency sweep, output power sweep and electromagnetic interference tests. Finally, Appendix A provides sample code that demonstrates basic I2C communication using Arduino UNO.
The reference board (RFB) is a reference and demonstration board for Infineon’s MA12040, MA12040P, MA12070 and MA12070P amplifiers.
It contains a variety of digital/analog input, output and set-up/selection features. It also contains one on-board power supply (5 V buck converter), so only one external power supply (PVDD) is necessary.

圖2.MA12040參考板外形圖
MA12040參考板主要特性:
The board can be used for evaluating or demonstrating key features/advantages of the MERUSTM Audio technology:
Energy efficiency
− Power losses under normal user operating conditions (listening levels)
− Idle power loss
Adaptive power management system
No output filter components
− Solution cost and size reduction
Audio performance
− THD performance and audio quality
Fast product protyping
− All design files are available
− Guides as reference for product design-in
General board specifications
Number of audio channels 2 x BTL or 1 x PBTL
Audio input format:
o MA12040 and MA12070 Analog
o MA12040P and MA12070P Digital (I2S)
Supply voltage range MA12040(P) 5 to 18 V
Supply voltage range MA12070(P) 5 to 26 V
Maximum output current per channel MA12040(P) 6 A
Maximum output current per channel MA12070(P) 8 A
Output power capability at 18 V PVDD:
o Peak 2 x 40 W sine 1 kHz (RMS) into 4 Ω (10 percent THD + N)
o Peak 2 x 20 W sine 1 kHz (RMS) into 8 Ω (10 percent THD + N)
o Continuous 2 x 9.0 W sine 1 kHz (RMS) into 4 Ω (less than 0.08 percent THD + N)
Output power capability at 26 V PVDD:
o Peak 2 x 80 W sine 1 kHz (RMS) into 4 Ω (10 percent THD + N)
o Peak 2 x 40 W sine 1 kHz (RMS) into 8 Ω (10 percent THD + N)
o Continuous 2 x 9.0 W sine 1 kHz (RMS) into 4 Ω (less than 0.02 percent THD + N)
Amplifier gain (MA12040 and MA12070 only) 20 dB or 26 dB (register configurable)
Output integrated noise:
o MA12040 and MA12070 Less than 100 μVrms (AW)
o MA12040P and MA12070P Less than 150 μVrms (AW)
Dynamic range:
o MA12040 and MA12070 More than 100 dB
o MA12040P and MA12070P More than 96 dB
Idle current consumption at 18 V PVDD:
o MA12040 and MA12070 Less than 16 mA
o MA12040P and MA12070P Less than 19 mA

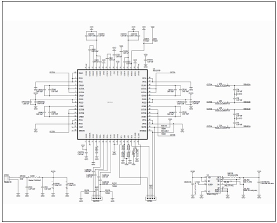
圖3.MA12040參考板電路圖
MA12040參考板材料清單:


圖4.MA12040參考板PCB設計圖(頂層)

圖5.MA12040參考板PCB設計圖(底層) |
| |
|
|
|
|
|
| |
| |
| |
 |
您可能對以下產品感興趣 |
 |
|
 |
| 產品型號 |
功能介紹 |
兼容型號 |
封裝形式 |
工作電壓 |
備注 |
| HT350 |
24W (VDD=15V, RL=4Ω, THD+N=1%)
或30W (VDD=15V, RL=4Ω, THD+N=10%) |
|
ESOP-10 |
4.5V-16V |
無電感30W單聲道D類音頻功放IC |
| HT360 |
2×20W (VDD=14.5V, RL=4Ω, THD+N=1%)
或2×25W (VDD=14.5V, RL=4Ω, THD+N=10%) |
|
ESOP-16 |
4.5V-16V |
免電感濾波2*20W D類立體聲音頻功放 |
| CS8611 |
30W(4Ω)+16W×2(8Ω)/16V |
|
EQA-28 |
5V-18.5V |
擴頻技術,固定40倍增益,差分輸入,2X15W+30W 2.1聲道專用D類音頻功放 |
| CS8676 |
2X20W/12V/4Ω或33W/16V/4Ω |
|
ESOP-16 |
5V-18V |
擴頻功能,低空載電流,40倍增益,免濾波,2X20W&33W(PBTL) D類音頻放大器 |
|
| |
|
| |
|
|