| 音頻噪聲,很多人都會遇到,下面介紹一個因為音頻環地造成的噪聲問題。
什么是地環路
顧名思義,接地環路是系統接地方案中的一個物理閉合環路,產生于電路之間的多個接地路徑。
地環路是如何形成的
供電及屏蔽造成

如上圖,紅色為供電線,黑色為地線。設備1和設備2音頻互聯,之間接了屏蔽線,地第一次拉通。設備2同時還要給設備1供電,電源地線也拉通,造成了上圖黑色的接GND環路。
舉個應用場景的例子:音頻放大器與PC之間接了2條線,一條線通過USB供電,另一條線為3.5mm接頭的耳機接頭線。這樣連接可能就有噪聲。
220V接GND線和屏蔽線造成

如上圖,設備一和設備2都有自己的獨立供電系統,本來Device1和Device之間只有屏蔽線互相接GND,但是因為都接到了220V電源,所有又構成了如上圖紅色的地環路。
總之,很多復雜的應用場景都可能產生環地,再舉個例子,有的產品是金屬外殼的,PCB板都通過螺絲孔接到金屬外殼,也會形成地環路。
地環路如何引入噪聲
地環路為什么會引入噪聲呢?
一是天線效應:因為地環路可以充當一個大的環路天線,從環境中拾取噪聲,并在地環路上產生電流。地也是由導線構成的,不是超導體,會有地電阻,地電感,電流流過必然會產生電壓。這個電壓就是噪聲了,經過接收設備的放大,這個噪聲就是很可觀的了,有時會造成完全無法使用。值得提一下的是:交流電源的50/60 Hz磁場是接地環路拾取的常見噪聲源。人類的耳朵能聽到的聲音頻率范圍為20Hz~20000Hz,所以50Hz的噪聲是可以被聽到的。
二是電源分流:對于共用電源的情況,正常情況下,我們理想的是音頻信號的返回路徑為音頻的GND線(屏蔽線),電源的回流路徑為電源地線。然而電路哪可能這么聽話,既然因為形成地環路,那么電源回流就可以從音頻的GND線回流,回流的多少取決于兩條路徑的阻抗。僅僅是電源回流,如果電源的電流波動小,產生的噪聲也不大,畢竟音頻是一個交流的信號,如果分流的電流是恒定的,那也不會產生交流的信號。而大部分真是的情況是,電流因為設備每時每刻用電的不同,也是一個交流的信號,因此音頻地線上分得的電流也是一個交流的信號,也就會形成音頻頻率范圍的噪聲了。
如何解決地環路噪聲
A、使用音頻隔離變壓器:這個方式斷開了地環路

B、屏蔽層單點接GND:很多音頻線都是兩邊都接了GND,條件允許的話可以在一頭接GND,另外一頭斷開。這種方式也斷開了地環路。
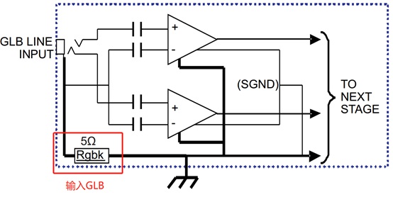
C、采用GLB電路:音頻信號端的地線通過一個小電阻與大地相連。具體原理詳見TI文檔《TI Ground Loop Break Circuits and Their Operation.pdf》,公眾號回復“GLB”,可獲得該文檔。此方法的原理是增大了地環路的阻抗,并讓噪聲主要落在那個小電阻上面----適用于信號SGND和功率PGND分開的電路。


|