瞬態抑制二極管(TVS)又叫瞬態電壓抑制器,是目前國際上普遍使用的一種高效能電路保護器件,它的外型與普通二極管相同,但卻能吸收高達數千瓦的浪涌功率,它的主要特點是在反向應用條件下,當承受一個高能量的大脈沖時,其工作阻抗立即降至極低的導通值,從而允許大電流通過,同時把電壓鉗制在預定水平,其響應時間僅為10-12毫秒,因此可有效地保護電子線路中的精密元器件。

TVS瞬態抑制二極管常用技術參數:
(1)最大反向漏電流ID和額定反向關斷電壓VWM。VWM是TVS最大連續工作的直流或脈沖電壓,當這個反向電壓加入TVS的兩極間時,它處于反向關斷狀態,流過它的電流應小于或等于其最大反向漏電流ID。
。2)最小擊穿電壓VBR和擊穿電流IR。VBR是TVS最小的雪崩電壓。25℃時,在這個電壓之前,TVS是不導通的。當TVS 流過規定的1mA電流(IR)時,加入TVS兩極間的電壓為其最小擊穿電壓VBR。按TVS的VBR與標準值的離散程度,可把TVS分為±5%VBR和±10% VBR兩種。對于±5%VBR來說,VWM=0.85VBR;對于±10% VBR來說,VWM=0.81 VBR。
。3)最大箝位電壓VC和最大峰值脈沖電流。IPP當持續時間為20微秒的脈沖峰值電流IPP流過TVS時,在其兩極間出現的最大峰值電壓為VC。它是串聯電阻上和因溫度系數兩者電壓上升的組合。VC 、IPP反映了TVS器件的浪涌抑制能力。VC與VBR之比稱為箝位因子,一般在1.2~1.4之間。
。4)電容量C 是TVS雪崩結截面決定的、在特定的1MHZ頻率下測得的。C的大小與TVS的電流承受能力成正比,C過大將使信號衰減。因此,C是數據接口電路選用TVS的重要參數。
。5)最大峰值脈沖功耗PMPM是TVS能承受的最大峰值脈沖耗散功率。其規定的試驗脈沖波形和各種TVS的PM值,請查閱有關產品手冊。在給定的最大箝位電壓下,功耗PM越大,其浪涌電流的承受能力越大;在給定的功耗PM下,箝位電壓VC越低,其浪涌電流的承受能力越大。另外,峰值脈沖功耗還與脈沖波形、持續時間和環境溫度有關。而且TVS所能承受的瞬態脈沖是不重復的,器件規定的脈沖重復頻率(持續時間與間歇時間之比)為0.01%,如果電路內出現重復性脈沖,應考慮脈沖功率的“累積”,有可能使TVS損壞。
TVS二極管使用選擇:
1)TVS額定反向關斷VWM應大于或等于被保護電路的最大工作電壓。若選用的VWM太低,器件可能進入雪崩或因反向漏電流太大影響電路的正常工作。
2)TVS的最大箝位電壓VC應小于被保護電路的損壞電壓。
3)在規定的脈沖持續時間內,TVS的最大峰值脈沖功耗PM必須大于被保護電路內可能出現的峰值脈沖功率。在確定了最大箝位電壓后,其峰值脈沖電流應大于瞬態浪涌電流。
4)對于數據接口電路的保護,還必須注意選取具有合適電容C的TVS器件。

a)TVS在電源系統的應用
雷電過電壓波、負載開關等人為操作錯誤引起的過電壓容易通過供電線路侵入電氣電子設備內部,造成電氣電子設備失效、誤動作,甚至造成設備的永久性損壞,造成嚴重經濟損失。通過在電源線路上安裝浪涌吸收裝置MOV 和TVS,實施兩級保護,并對L、N 線進行共模、差模保護。具體做法是在線路的前端安裝MOV 作為第一級保護,泄放大部分雷電流,在線路的末端(設備前端)安裝大功率TVS作為第二級SPD保護,進一步削弱過電壓波幅值,將電網電壓降至E/I安全耐壓范圍之內。

b) TVS在信號線路的應用
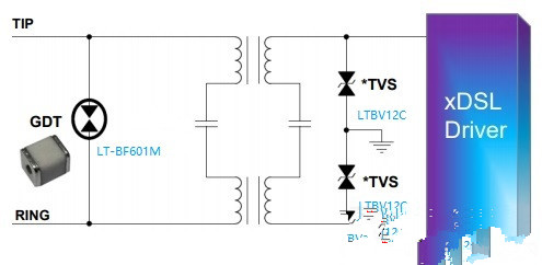
TVS不僅可以用于電源系統的浪涌防護,還可以用于信號線路的浪涌保護,采用氣體放電管GDT 與TVS管組合成信號浪涌保護器,其特點是反應快,漏流小,幾乎對信號無損耗,可以對高速網絡線路提供安全、可靠的保護,如圖所示。

|