1. LDO電路中電容的作用
對于需要進行掉電保存或掉電報警功能的產品,利用大容量電容的儲能作用,為保存數據和系統關閉提供時間,往往是很多工程師的選擇。而在不需要掉電保存數據的系統中,為了抑制電源紋波、電源干擾和負載變化,在電源端也會并接一個適當容量的電容。電容作為LDO輸出端必須的器件,那么對于普通的LDO這么多的電容可能會產生什么影響呢?而帶掉電快速放電功能的ZL6205又是怎么做到既能保證電容能夠為MCU保存數據提供時間又能夠做到快速掉電的呢?
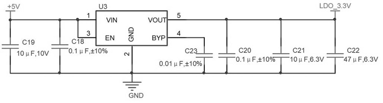
2. 某普通LDO應用電路
圖1為實際應用中某普通LDO電路,該電路輸入輸出端均有較大的電容連接。該LDO是一個普通的LDO,在上下電過程中基本可以看成是輸出跟隨輸入的。當LDO輸入端掉電,輸出端電容的殘存電荷得不到快速釋放時,會造成LDO輸出端掉電緩慢。

圖1 某普通LDO應用電路
3. 某普通LDO掉電測試
為了看到普通LDO的掉電過程,基于圖1的應用電路,掉電過程實測如圖2所示。圖中藍色線(通道1)為掉電時輸入的電壓波形,粉色線(通道2)為掉電時輸出電壓波形。圖中可以看到該LDO在沒有其他額外的電流泄放電路輔助時,輸出電壓經過2s的緩慢掉電,輸出端電壓值只跌落到300mV。

圖2 某普通LDO緩慢掉電過程
4. 緩慢掉電對MCU的影響
增大電容使用上面某普通LDO的確能夠為MCU保存數據提供了足夠的時間,但是MCU保存數據都是在掉電的初期進行的,在掉電的后期,低壓區階段還在緩慢掉電對MCU又會產生什么影響呢?
我們都知道MCU都有一定的上電時序要求,例如圖3為某MCU的上電要求,根據圖中可知該MCU對上電的要求有:
1、上電前的電壓VI需要低于200mV至少12us;
2、上電時間tr不能超過為500ms。

圖3 某MCU上電要求
當上面的普通LDO給該MCU供電時,要是進行掉電又快速上電的測試,根據圖2可知,該LDO經過2s的掉電,電壓依然會維持到300mV左右,即使接入MCU做負載,但是當僅僅給MCU這樣的輕負載供電時,MCU一旦進入欠壓區域,內部就會進入保護狀態,很多外設會關閉,消耗電流會很小,對LDO的掉電過程影響極為有限。所以該普通的LDO給該MCU供電在掉電后需要做快速再次啟動上電時就會不滿足要求1:上電前的電壓VI需要低于200mV至少12us。這樣該MCU有可能會“死機”。
5. ZL6205掉電測試
現在使用引腳封裝兼容的ZL6205直接替換上面圖1的普通LDO,然后在相同的電源下進行掉電測試。圖4實測相同的電路下ZL6205的掉電過程。其中藍色線(通道1)為掉電時輸入的電壓波形,粉色線(通道2)為掉電時輸出電壓波形。
上面說到某普通LDO在大電容的電路中也能夠為MCU保存數據提供時間,但是普通的LDO在MCU保存完數據以后,電壓很長時間都不能跌落到0V,容易造成MCU在再次啟動時“死機”。從圖4的ZL6205掉電曲線可以看到,ZL6205因為在VIN>2.1V之前VOUT會跟隨VIN的電壓,這就能夠為MCU掉電初期保存數據提供時間,只要改變輸入電容的大小就能控制這個跟隨階段的時間長短,為保存數據提供需要的時間。在VIN≤2.1V后,ZL6205的電壓就會快速跌落到0V,這樣就能避免不滿足上面MCU的上電要求而容易造成“死機”的現象。可以說是既為MCU在掉電初期保存數據提供了需要的時間,掉電后期又實現了快速掉電,為MCU再次上電提供保障。

圖4 ZL6205快速掉電過程
ZL6205為什么能夠快速掉電呢?圖5是ZL6205結構框圖,ZL6205在輸入欠壓或者EN禁能時會把輸出關閉,這樣即使輸入端掉電很緩慢也不會影響輸出快速掉電,并且ZL6205在輸出關閉后會立刻啟動內部掉電快速放電電路使輸出端電容的殘存電荷得到快速釋放,加速電壓跌落。

圖5 ZL6205內部框圖
上面圖4的掉電波形是使用圖1的電路測試的,因為圖1的LDO使能腳EN直接接到VIN,所以會有一段輸出跟隨輸入電壓的過程。這種電路非常適合MCU在掉電時需要時間保存數據,同時又需要快速放電的系統。
對于上下電需要一步到位的供電系統,可以使用下圖6這樣的電路。因為ZL6205帶使能引腳,有著相對穩定的使能電壓閾值。通過不同比例的分壓電阻可以設置芯片上電啟動電壓值和掉電輸出關閉電壓。

圖6 ZL6205典型應用電路
假如使用EN腳使用電阻分壓設置上電使能電壓值(如上圖6,具體EN實際使能電壓詳見ZL6205數據手冊),上電和掉電過程就會如圖7所示,藍色為ZL6205的輸入電壓,粉色為ZL6205輸出電壓。當輸入電壓跌落到了設置的關閉電壓值,ZL6205的輸出快速掉電。當輸入電壓上升到設置的電壓值時,ZL6205快速啟動。上下電過程中,輸出都沒有跟隨輸入的階段,掉電和上電都是一步到位,這樣的上下電速度是完全滿足MCU的上電要求的。

圖7 ZL6205利用EN設置關閉與開啟點
除了ZL6205,ZLG還有兼容1117封裝的ZL6105系列LDO,它同時具有ZL6205這樣的快速上下電的特點,此外,還有超低功耗的ZL6201(靜態電流低至1.6μA),特別適合用于電池供電場合。