繼電器是電路中常見的機電器件,有兩種類型:鎖存或非鎖存。鎖存繼電器即使在完全斷電后仍會保持其最后的開關位置,無論單線圈還是雙線圈類型都可以。單線圈鎖存繼電器僅使用一個線圈來設置或復位開關位置,但需要正負電壓。當施加正電壓時,電流沿一個方向流動并讓繼電器進入設定狀態(即繼電器開關閉合)。若施加負電壓,則反轉電流方向,使繼電器進入復位狀態(即開關打開)。
而雙線圈鎖存繼電器僅使用正電壓,但需要兩個電源或驅動器。這種繼電器有一個設定線圈和一個復位線圈。當設定線圈通電時,繼電器進入設定狀態。相反,當復位線圈通電時,繼電器進入復位狀態。但兩個線圈永遠不會同時通電。
如果你想使用雙線圈繼電器,但手頭可用的唯一驅動器是用于單線圈繼電器的,有一個辦法可以輕松地將單線圈驅動器轉換為可以驅動雙線圈繼電器,如圖1所示。這種只有正向電壓驅動的轉換對于繼電器測試特別有用,因為它只需要一個電壓極性而不是兩個。這種辦法可以大大簡化繼電器的測試設置。

圖1:二極管可將單線圈繼電器驅動器轉換為雙線圈使用。
操作的原理很簡單。當線圈驅動器輸出電壓為正時,電流流過二極管D1以激勵設定線圈,而復位線圈不供電,因為D2阻斷電流。繼電器進入設定狀態。當電壓為負時,二極管D1阻斷流過設定線圈的電流,二極管D2開始激勵復位線圈。
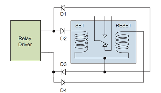
圖1中的鎖存繼電器有兩個獨立的線圈連接,使用4個引腳。然而,有些雙線圈繼電器只使用三個引腳,還有一個公共的線圈連接,如圖2所示。這時候配置稍微復雜一些,涉及四個二極管。
如前所述,當驅動器電壓為正時,電流流過二極管D2、設定線圈和D3。二極管D1和D4反向偏置,阻止電流到復位線圈。類似地,當電壓為負時,電流流過二極管D4、復位線圈和D1,同時設定線圈斷電。同樣,一次只能給一個線圈通電。

圖2:當線圈共用一個連接時,需要四個二極管來轉換單線圈信號以便用于雙線圈。
轉換電路的另一個好處是可以比較容易地測試雙線圈繼電器的AC性能,例如操作時間(開啟時間)、反彈時間、斷開時間和最大頻率等。只需用方波電壓信號發生器替換繼電器驅動器即可。由于許多繼電器線圈需要高電壓(高達48V),在某些情況下還需要從20mA到1000mA以上的大電流,只有信號發生器可能是不夠的。在這種情況下,就需要一個高壓函數發生器放大器,比如Accel儀器公司的TS250,以提升電壓和電流(見圖3)。

圖3:僅使用一個函數發生器和一個高壓驅動器來測試雙線圈繼電器。
二極管電路可以提供一種簡便方法,將單線圈繼電器驅動信號轉換為雙線圈使用。這種方法可讓系統設計人員選擇使用單線圈或雙線圈鎖存繼電器,而無需更換驅動器。此外,它只需一個信號驅動器即可實現雙線圈鎖存繼電器的測試。 |