常用的濾波電路有無源濾波和有源濾波兩大類。電容濾波為無源濾波,本文詳細介紹了電容濾波的工作原理以及其作用。
濾波電容的作用簡單講是使濾波后輸出的電壓為穩定的直流電壓,其工作原理是整流電壓高于電容電壓時電容充電,當整流電壓低于電容電壓時電容放電,在充放電的過程中,使輸出電壓基本穩定。
濾波電容容量大,因此一般采用電解電容,在接線時要注意電解電容的正、負極。電容濾波電路利用電容的充、放電作用,使輸出電壓趨于平滑。
★當u2為正半周并且數值大于電容兩端電壓uC時,二極管D1和D3管導通,D2和D4管截止,電流一路流經負載電阻RL,另一路對電容C充電。當uC>u2,導致D1和D3管反向偏置而截止,電容通過負載電阻R放電,uC按指數規律緩慢下降。

★當u2為負半周幅值變化到恰好大于uC時,D2和D4因加正向電壓變為導通狀態,u2再次對C充電,uC上升到u2的峰值后又開始下降;下降到一定數值時D2和D4變為截止,C對RL放電,uC按指數規律下降;放電到一定數值時D1和D3變為導通,重復上述過程。
RL、C對充放電的影響:
電容充電時間常數為rDC,因為二極管的rD很小,所以充電時間常數小,充電速度快;RLC為放電時間常數,因為RL較大,放電時間常數遠大于充電時間常數,因此,濾波效果取決于放電時間常數。電容C愈大,負載電阻RL愈大,濾波后輸出電壓愈平滑,并且其平均值愈大,如圖所示。

整流電路是將交流電變成直流電的一種電路,但其輸出的直流電的脈動成分較大,而一般電子設備所需直流電源的脈動系數要求小于0.01.故整流輸出的電壓必須采取一定的措施.盡量降低輸出電壓中的脈動成分,同時要盡量保存輸出電壓中的直流成分,使輸出電壓接近于較理想的直流電,這樣的電路就是直流電源中的濾波電路。
常用的濾波電路有無源濾波和有源濾波兩大類。無源濾波的主要形式有電容濾波、電感濾波和復式濾波(包括倒L型、 LC濾波、LCπ型濾波和RCπ型濾等)有源濾波的主要形式是有源RC濾波,也被稱作電子濾波器。
直流電中的脈動成分的大小用脈動系數來表示,此值越大,則濾波器的濾波效果越差。
脈動系數(S)=輸出電壓交流分量的基波最大值/輸出電壓的直流分量半波整流輸出電壓的脈動系數為S=1.57,全波整流和橋式整流的輸出電壓的脈動系數S≈O.67。對于全波和橋式整流電路采用C型濾波電路后,其脈動系數S=1/(4(RLC/T-1)。(T為整流輸出的直流脈動電壓的周期。)
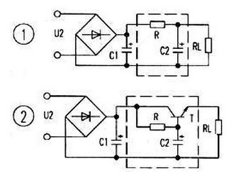
RC-π型濾波電路,實質上是在電容濾波的基礎上再加一級RC濾波電路組成的。如圖1虛線框即為加的一級RC濾波電路。若用S'表示C1兩端電壓的脈動系數,則輸出電壓兩端的脈動系數S=(1/ωC2R')S'。
由分析可知,在ω值一定的情況下,R愈大,C2愈大,則脈動系數愈小,也就是濾波效果就越好。而R值增大時,電阻上的直流壓降會增大,這樣就增大了直流電源的內部損耗;若增大C2的電容量,又會增大電容器的體積和重量,實現起來也不現實。
為了解決這個矛盾,于是常常采用有源濾波電路,也被稱作電子濾波器。電路如圖2。它是由C1、R、C2組成的π型RC濾波電路與有源器件--晶體管T組成的射極輸出器連接而成的電路。由圖2可知,流過R的電流IR=IE(1+β)=IR(1+β)。流過電阻R的電流僅為負載電流的1/(1+β).所以可以采用較大的R,與C2配合以獲得較好的濾波效果,以使C2兩端的電壓的脈動成分減小,輸出電壓和C2兩端的電壓基本相等,因此輸出電壓的脈動成分也得到了削減。
從RL負載電阻兩端看,基極回路的濾波元件R、C2折合到射極回路,相當于R減小了(1+β)倍,而C2增大了(1+β)倍。這樣所需的電容C2只是一般RCπ型濾波器所需電容的1/β,比如晶體管的直流放大系數β=50,如果用一般RCπ濾波器所需電容容量為1000μF,如采用電子濾波器,那么電容只需要20μF就滿足要求了。采用此電路可以選擇較大的電阻和較小的電容而達到同樣的濾波效果,因此被廣泛地用于一些小型電子設備的電源之中。

|