Maxim公司的MAX98050是集成了低等待數字濾波器的低功耗高性能音頻CODEC.器件具有單通路播放通路,具有5波段雙二階均衡器和高效率全差分混合AB類/D類耳機放大器.播放耳機放大器優化以得到極低輸出噪音電平和最小化靜態功耗,從而最大化輸出功率效率.器件包括三個麥克風輸入通路,支持聲音,環境和抗噪音錄音使用.每個通路能單獨從外接模擬或數字麥克風進行錄音,并能把音頻數據送到錄音通路(到數字音頻接口)和外接低等待數字濾波器通路.還提供了第四個錄音通路到數字音頻接口,以允許主機監視播放通路輸出數字數據.數字濾波器通路的取樣速率96kHz/192kHz/384kHz可選擇,單通路耳機播放通路具有高效的混合AB類/D類放大器,播放動態范圍114dB,三個麥克風錄音通路具有模擬或數字麥克風輸入,動態范圍107dB(AMIC單端)或113dB(AMIC差分).1% THD+N時32Ω的滿刻度播放功率為31mW(1VRMS滿刻度模式). 6.7mm2 36凸點WLP封裝,主要用在真無線耳機和耳塞,立體聲耳機,單聲道藍牙耳塞,PSAP設備和助聽器輔助設備,VR/AR耳機和頭帶設備.本文介紹了MAX98050主要優勢和特性,簡化和詳細框圖,PCM輸入和輸出音頻數據通路圖,PCM模式錄音和播放應用電路圖以及評估系統MAX98050EVSYS#主要特性,單聲道和立體聲框圖,評估板電路圖,材料清單和PCB設計圖.
The MAX98050 is a low-power, high-performance audio CODEC with integrated low-latency digital filters for wireless hearables, headsets, and headphones.
The device features a mono playback channel with a 5-band biquad equalizer and a high-efficiency, fully differential hybrid class-AB/class-D headphone amplifier. The playback headphone amplifier is optimized for extremely low output noise levels and minimized quiescent power consumption while maximizing output power efficiency.
The device includes three microphone input channels capable of supporting voice, ambient, and anti-noise record use cases. Each channel can individually record from either an external analog or digital microphone, and then can route audio data to both the record channels (to the digital audio interface) and the internal low-latency digital filter channels. A fourth record channel to the digital audio interface is provided to allow the host to monitor the playback channel output digital data.
Two low-latency, digital filter channels are provided that can support a variety of use cases. These include noise cancellation applications (feed-forward, feedback, and hybrid filter profiles), both voice and ambient enhancement and transparency applications, and sidetone applications. Each channel provides a 12-band digital biquad filter, a DRC or Limiter stage, a digital volume control block, and an ultrasound filter. In addition, a third internal digital filter channel is provided in the playback channel that is structured for playback compensation and/or general feedback compensation filters. This channel includes a 10-band biquad filter and a digital volume control block. To support dynamic or adaptive filter and use case transitions, the biquad filters and volume controls provide banked profiles that can be updated/swapped without disruption to audio playback.
The flexible digital audio interface supports common PCM audio data formats such as I2S, left-justified, and TDM timing with 16-bit, 24-bit, or 32-bit data word and channel lengths. The PCM interface supports playback sample rates from 8kHz to 192kHz and record sample rates from 8kHz to 48kHz. The device requires external bit and frame clocks but eliminates the need for a high-speed external master clock.
The device is available in a small 6.7mm2 36-bump WLP package (0.4mm pitch) with a low 0.5mm height ideal for tight form factors. The device operates over the extended -40C to +85C temperature range.
MAX98050主要優勢和特性:
● Low-Latency Digital Filter Channels
• 96kHz/192kHz/384kHz Sample Rate Options
• Channel Support Applications Including Feed-Forward (FF) and Feedback (FB) ANC, Ambient/Voice Enhancement and Transparency, and Playback Compensation
• Filters Allowing Smooth, Dynamic Transitions / Updates without Playback Disruption
● Mono Headphone Playback Channel
• High-Efficiency Hybrid Class-AB/D Amplifier
• 114dB Playback Dynamic Range
• 2.55mW PQ (fS = 48kHz, No Noise Gate)
• 1.9mW PQ (fS = 48kHz, With Noise Gate)
● Three Microphone Record Channels
• Analog or Digital Microphone Inputs
• 107dB Dynamic Range (AMIC Single-Ended)
• 113dB Dynamic Range (AMIC Differential))
• 5.3mW PQ (fS = 16kHz, 2 AMIC Record)
• 2.1mW PQ (fS = 16kHz, 2 DMIC Record)
● Playback with ANC Filter Profile (fS = 192kHz)
• 9.85mW PQ (AMIC FF+FB Profile)
• 6.7mW PQ (AMIC FF Only Profile)
• 7mW PQ (DMIC FF+FB Profile)
● Full-Scale Playback Power at 1% THD+N:
• 31mW into 32Ω (1VRMS Full-Scale Mode)
• 15mW into 32Ω (Reduced Swing Mode)
• 61mW into 16Ω (1VRMS Full-Scale Mode)
● Flexible I2S/TDM Digital Audio Interface
• Support for 16/24/32-Bit Audio Data
• Playback Sample Rates of 8kHz to 192kHz
• No High-Speed Master Clock Required
● Audio CODEC Evaluation Platform Available
• Includes Maxim Reference Headset Design
● 6.7mm2 36-Bump WLP Package
• 0.4mm Pitch with a 0.5mm Height
MAX98050應用:
● True Wireless Hearables and Headsets
● Stereo Bluetooth Headsets and Headphones
● Mono Bluetooth Earpieces
● PSAP Devices and Hearing Assist Devices
● VR/AR Headsets and Head-Mounted Devices

圖1.MAX98050簡化框圖

圖2.MAX98050詳細框圖

圖3.MAX98050 PCM輸入和輸出音頻數據通路圖

圖4.MAX98050 PCM模式錄音和播放應用電路圖
評估系統MAX98050EVSYS#
The MAX98050 evaluation system (MAX98050EVSYS#) evaluates the MAX98050, a low-power, high-performance audio CODEC with integrated low-latency digital filters for wireless hearables, headsets, and headphones. The EV system is comprised of two MAX98050 Development Boards (DEV boards), Maxims Audio Interface Board III (AUDINT3), Maxims Dual EVKit Adapter board, and a USB cable. In addition to the hardware, the MAX98050 Evaluation Software and Hearable Sound Studio Basic software are available for download.
It is recommended that the DEV boards be evaluated with the AUDINT3 board as an EV system. The EV system can be configured as Mono Hardware Setup (1 DEV board) or Stereo Hardware Setup (2 DEV boards). MAX98050 supports standard I2S, left-justified, and TDM digital audio interfaces, as well as I2C for control.
The AUDINT3 board provides all of the necessary supply voltages for proper operation of MAX98050. In addition, the AUDINT3 provides the USB-to-PCM and USB-to-I2C interfaces that are needed to evaluate the system. The Simplified EV System Block Diagrams show details of the DEV boards, Dual EVKit Adapter board and connection with the AUDINT3 board.
For GUIs, there is the MAX98050 Evaluation Software, which provides complete access to all hardware registers. There is also the Hearable Sound Studio Basic software, which facilitates the tuning of the onboard 5 band playback equalizer, digital filter channels, and the digital filter dynamic range compression (DRC).
評估系統MAX98050EVSYS#主要優勢和特性:
Complete Hardware System with Easy Setup, No Tools or Special Equipment Required
Easy-to-Use Graphical User Interfaces Software (Windows® 10 Compatible) MAX98050 Evaluation Software Provides Complete Access to All Hardware RegistersHearable Sound Studio Basic for Digital Filter Design and Acoustic Hardware Evaluation.
評估系統MAX98050EVSYS#包括:
Two MAX98050 Development Boards (DEV Boards)
Audio Interface Board III (AUDINT3)
Dual EVKit Adapter Board
Micro-USB cable

圖5.評估系統MAX98050EVSYS#簡化框圖:單通道硬件建立

6.評估系統MAX98050EVSYS#簡化框圖:立體聲硬件建立

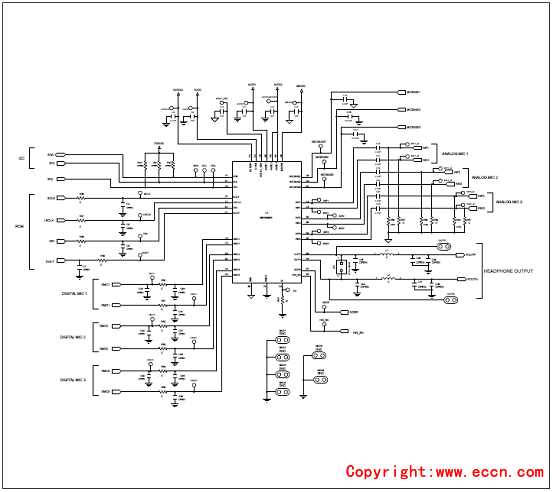
7.評估系統MAX98050EVSYS#電路圖(1)

8.評估系統MAX98050EVSYS#電路圖(2)

9.評估系統MAX98050EVSYS#電路圖(3)
評估系統MAX98050EVSYS#材料清單:



10.評估系統MAX98050EVSYS# PCB設計圖(1):頂層

11.評估系統MAX98050EVSYS# PCB設計圖(2):內層2(地)

12.評估系統MAX98050EVSYS# PCB設計圖(3):內層3(信號)

13.評估系統MAX98050EVSYS# PCB設計圖(4):內層4(地)

14.評估系統MAX98050EVSYS# PCB設計圖(5):內層5(地)

15.評估系統MAX98050EVSYS# PCB設計圖(6):底層

16.評估系統MAX98050EVSYS# PCB設計圖(7):底層綜合 |