ADI公司的AD7284是完整的14位分辨率鋰電池監控系統,包含了堆棧鋰電池如用在混合動力汽車和備用電池通用監控所需要的全部功能.AD7284具有復接電池電壓和輔助的ADC測量通路,支持4到8個電池的測量.器件提供最大可調整誤差(TUE) ±3 mV,包括從輸入到輸出的所有內部誤差.主要的ADC分辨率是14位,AD7284還包括綜合二次測量路徑,以驗證主ADC上的數據.其它的診斷特性包括檢測開路輸入,通信和電源相關的故障.±16 mV 標準電池堆棧電壓 (TUE) 精度,內部溫度傳感器,VDD工作范圍為10 V至40 V,結溫范圍為−30C至+120C,符合汽車應用要求.主要用在鋰電池監控,電動和混合動力汽車,固定動力應用.本文介紹了AD7284主要特性,功能框圖和菊花鏈連接案例圖,八電池組的主配置圖,三個器件的菊花鏈配置圖以及評估板EV-AD7284SSSDZ主要特性,功能框圖,電路圖和材料清單.
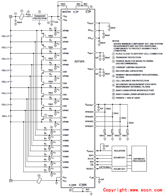
The AD7284 contains all the functions required for the general- purpose monitoring of stacked Li-Ion batteries, as used in hybrid electric vehicles and battery backup applications. The AD7284 has multiplexed cell voltage and auxiliary, analog- to-digital converter (ADC) measurement channels supporting four to eight cells of battery management. The device provides a maximum total unadjusted error, TUE, (cell voltage accuracy) of ±3 mV that includes all the internal errors from input to output. The primary ADC resolution is 14 bits. The AD7284 also includes an integrated secondary measurement path that validates the data on the primary ADC. Other diagnostic features include the detection of open inputs, communication, and power supply related faults. The AD7284 cell balancing interface outputs control the external field effect transistors (FETs) to allow discharging of individual cells. There are two on-chip 2.5 V voltage references: one reference for the primary measurement path, and one for the secondary measurement path. The AD7284 operates from one VDD supply, ranging from 10 V to 40 V. The device provides eight differential analog input channels to accommodate large common-mode signals across the full VDD range. Each channel allows an input signal range, VPINx− VPIN(x − 1) and VSINx – VSIN(x − 1), of 0 V to 5 V, where x = 0 to 8. The input pins assume a series stack of eight cells. The AD7284 includes four auxiliary ADC input channels that can be used for temperature measurement or system diagnostics. The AD7284 has a differential daisy-chain interface that allows multiple devices to be stacked without the need for individual device isolation. By design, this interface allows both device to device communication within the same module and communication between devices on different modules.
AD7284主要特性:
8 analog input channels, integrated secondary monitor ±3 mV maximum cell voltage accuracy, TUE, 14-bit ADC
Very low measurement latency across 96 cells
Stack voltage measurement ±16 mV typical battery stack voltage (TUE) accuracy
Cell balancing interface, with individually programmable on time
4 auxiliary analog input channels, 14-bit ADC
Suitable for thermistor inputs and external diagnostics
Buffered reference output for ratiometric measurements
Internal temperature sensor
VDD operating range: 10 V to 40 V
On-chip 5 V regulator
Watchdog timer
IDD matching current: 100 μA
Robust, proprietary daisy-chain interface
SPI to host controller
CRC protection on read and write commands
2 general-purpose outputs
64-lead low profile quad flat package, exposed pad (LQFP_EP)
Junction temperature range: −30C to +120C
Qualified for automotive applications
AD7284應用:
Li-Ion battery monitoring
Electric and hybrid electric vehicles
Stationary power applications

圖1.AD7284功能框圖

圖2.AD7284內部基準和選擇的外部基準圖

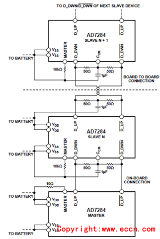
圖3.AD7284菊花鏈連接案例圖

圖4.AD7284八電池組的主配置圖

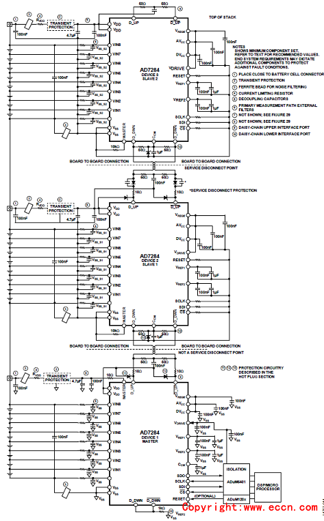
圖5.AD7284三個器件的菊花鏈配置圖
評估板EV-AD7284SSSDZ
Evaluation Board for the AD7284 8-Channel, Li-Ion Battery Monitoring System
The AD7284 is a complete, 14-bit resolution, lithium ion (Li-Ion) battery monitoring system, integrating multiple voltage and auxiliary analog-to-digital converter (ADC) input channels. Full details about the device are available in the AD7284 data sheet from Analog Devices, which should be consulted in conjunction with this user guide when using the evaluation kit.
This user guide describes the four evaluation kits for the AD7284: the EV-AD7284MSDZ, EV-AD7284TMSDZ (containing the AD7284 master board), EV-AD7284SSDZ, and EV-AD7284SSSDZ (containing the AD7284 mini transformer isolated slave board).
On-board components on the master board include isolated power and interface using the ADuM1201 and the ADuM5401 digital isolators, and power using the ADP3303 and the ADP7104 regulators.
The AD7284 master board is used in conjunction with the EVAL-SDP-CB1Z system demonstration platform (SDP) board available from Analog Devices, which must be purchased separately from the evaluation board.
評估板EV-AD7284SSSDZ主要特性:
Full featured evaluation board for the AD7284
Separate master and slave evaluation kits
Direct current daisy chain or isolated daisy-chain options
Master configuration kit
EVAL-SDP-CB1Z compatible
Standalone capability
Isolated power and interface
Slave configuration kit
To be used in conjunction with an AD7284 master evaluation kit
Direct interface to the AD7284 master board
Daisy-chain capability for chains of up to 20 devices
PC software for control and data analysis when used with the Analog Devices, Inc.,SDP, EVAL-SDP-CB1Z
評估板EV-AD7284SSSDZ包含:
Four evaluation kits are available for the AD7284
Isolated daisy chain kits
EV-AD7284TMSDZ kit
EV-AD7284TMSDZ master evaluation board
USB cable
9 V (2 A) power supply
Direct current daisy chain kits
EV-AD7284MSDZ kit
EV-AD7284xSDZ master evaluation board
USB cable
9 V (2 A) power supply
EV-AD7284SSDZ kit
EV-AD7284xSDZ slave evaluation board
EV-AD7284SSSDZ kit, containing an AD7284 mini transformer isolated slave board.

圖6.評估板EV-AD7284SSSDZ功能框圖

圖7.從評估板EV-AD7284SSSDZ概述圖

圖8.兩個器件菊花鏈建立配置圖

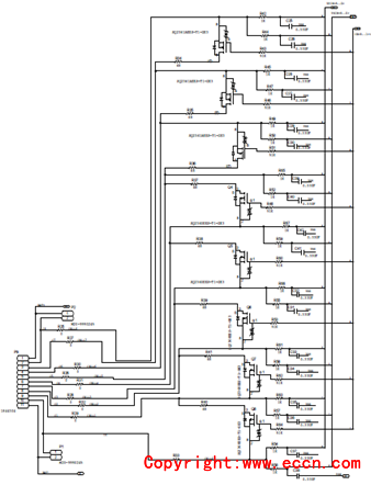
圖9.評估板EV-AD7284SSSDZ電路圖(1)

圖10.評估板EV-AD7284SSSDZ電路圖(2)

圖11.評估板EV-AD7284SSSDZ電路圖(3) |