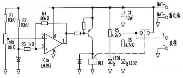
| 鉛酸電池和鋰電池一樣,不宜過充也不宜過放。但是鋰電池使用時一般會配合保護板,實現過充放、短路等保護。但是鉛酸電池一般是獨立使用的,過充放就需要人為控制或者由負載內部的充放電電路進行保護。對電池進行充電時,一般會使用成品的充電器或充電管理芯片,充電器內部的電壓采樣已經充電管理芯片一般都會設計過充保護電路部分以及二次充電保護電路。所以,電瓶的使用過程中,往往是容易過放電的。下面我們來通過一個簡單的電路,實現電瓶過放電的保護功能。

這個電路的結構比較簡單,使用一個片常用的電壓比較器芯片-LM393。這是一個雙電壓比較器芯片,在這個電路中使用了其中的一片。這個電路的工作原理是:蓄電池除了給負載部分供電外,還會給這個電路提供電源。電壓比較器的同相輸入端由電阻R2通過穩壓二極管穩壓,經過電阻R3提供基準電壓,同時蓄電池電壓會經過電阻R1以及可變電阻VR1的分壓輸入到電壓比較器的反相輸入端,這一路作為電池電壓的檢測,通過調節VR1使電壓在放電保護電壓。正常工作時,反相輸入端的電壓會高于同相輸入端,比較器的輸出端會輸出低電平,驅動外接的PNP三極管導通,繼電器線圈得電工作,常開觸點閉合,蓄電池會給負載供電。
當電池電壓過低時,反相輸入端的電壓會低于同相輸入端,比較器的狀態會發生翻轉,輸出由低電平變為高電平,三極管截止,繼電器線圈失去電壓,觸點斷開停止供電。這是這個電路的工作原理,也是電壓比較器的基礎應用。但是當電池電壓隨著放電降低時,會出現同相輸入端與反相輸入的電壓相等的時刻,此時,電壓比較器的判斷處于臨界值,輸出的狀態就會變得不穩定,表現為繼電器的觸點不斷導通與斷開;并且,電池在負載斷開時,電壓也會有所回升,同樣會造成比較器輸出狀態的不穩定。為了避免這個問題的出現,加入的電R4。
當電池電壓過低使比較器輸出高電平時,輸出的電壓會經過電阻R4返回到同相輸入端,此時同相輸入端的電壓就會提高,如果電池的電壓有所回升,如果想讓比較器輸出狀態發生翻轉,就需要比欠壓保護的電壓值高。這樣就使得欠壓檢測的電壓與恢復電壓產生了電壓差,這個電壓就是回差電壓,或者稱作遲滯。這樣就有效避免了由于電壓臨界值所帶來的問題。
鉛酸電池充放電保護電路圖(二)

|