| 當前位置:首頁->技術分享 |
|
| CS5005 無電感電荷泵DC/DC小電流300mA升壓IC用于單節鋰電池3.7V升壓給主控、無線麥接收板供電的應用說明 |
|
|
| 文章來源:永阜康科技 更新時間:2021/1/16 13:12:00 |
在線咨詢: |
| |
3.7V單節鋰電池供電是現階段量最大的便攜式音箱供電方式之一。而采用內置BOOST升壓音頻功放占比重非常大。此類音箱電池供電電流動態變化極大,尤其電池保護板放電電流余量不足時,電流跳變落差大導致電池電壓波動極大。勢必導致主控低壓檢測電路誤動作,出現卡音或者直接拉死主控。所以單獨配置升壓電路給主控以及無線麥接收板供電必不可少。
5V是很多器件以及電路標準的供電電壓。針對音箱的應用場景,一般帶LED顯示屏主控供電電流約50mA,無線麥接收板電流約100mA,加上U盤等其他電路一起最大電流約200mA。另外還必須考慮升壓輸出紋波以及噪聲,不然會影響系統的信噪比。再有就是EMI特性,直接影響FM收音效果以及無線麥接收距離和清晰度,考慮外圍成本,EMI輻射干擾,電荷泵升壓方式是最佳選擇。
深圳市永阜康科技有限公司結合客戶實際應用方案,推出低噪聲、低EMI、電荷泵5V升壓芯片-CS5005S。CS5005S輸出電流高達300mA,效率80%以上。內部采用低噪聲半導體工藝加上恒定頻率工作模式實現超高信噪比。針對FM收音、無線麥V段頻率,芯片內部特殊的處理,使得這兩個應用場景最大程度實現良好的接收效果。CS5005S內置軟起動電路可在啟動期間防止出現過大的浪涌電流。具備可靠的短路保護以及過熱保護功能。采用精簡的SOT23-6封裝,外圍只需三個2.2uF瓷片小電容。廣泛應用于3.7V單節鋰電池供電的拉桿音響,手提音箱,藍牙音響,以及其他便攜式產品。
CS5005S應用特性
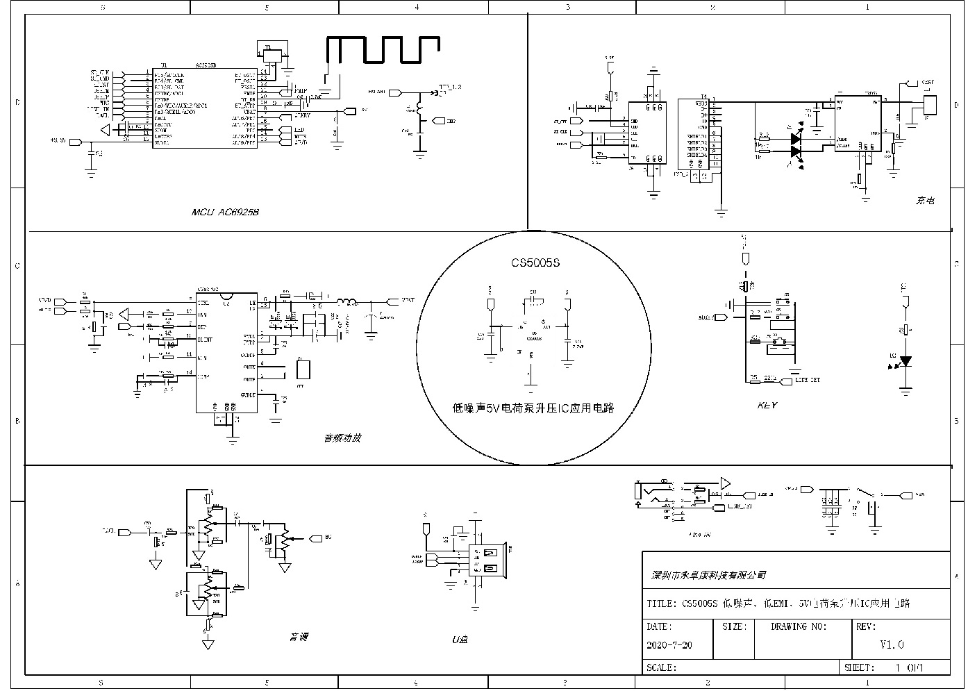
1. CS5005S腳位圖以及管腳說明

2. CS5005S應用原理圖
3. CS5005S 一體演示板原理圖

4. CS5005S一體演示板PCB頂層設計圖
5. CS5005S 一體演示板PCB底層設計圖
6. CS5005S 一體演示板貼片圖
7. CS5005S 一體演示板物料清單
8. CS5005S 一體演示板實物圖

|
| |
|
|
|
|
|
| |
| |
| |
 |
您可能對以下產品感興趣 |
 |
|
 |
| 產品型號 |
功能介紹 |
兼容型號 |
封裝形式 |
工作電壓 |
備注 |
| IU5002 |
IU5002S是一個具備低噪聲、恒定開關頻率(650KHz),在2.0V-5.0V供電范圍內恒定3.3V輸出、電容式DC-DC轉換器。 |
|
SOT23-6 |
2.0V-5.0V |
300mA、低噪音、3.3V恒壓輸出,電荷泵式DC/DC升降壓IC |
| CS5005 |
CS5005S是一個具備低噪聲、恒定開關頻率(300KHz)的電容式電壓倍增器。輸入2.5至4.5V,產生恒定的5V輸出電壓,最大輸出電流能達到300mA。 |
|
SOT23-6 |
2.5V-5.5V |
300mA無電感電荷泵DC/DC升壓IC |
| HT566 |
2×20W (VDD=14.5V, RL=4Ω, THD+N=1%) |
|
QFN-28 |
4.5V-16V |
I2S數字輸入20W立體聲無電感閉環D類音頻功放IC |
| CS5054 |
CS5054S是面向空間受限的便攜應用的高度,集成鋰離子和鋰聚合物線性充電器器件。該器件由USB端口或交流適配器供電。帶輸入過壓保 護的高輸入電壓范圍支持低成本、非穩壓適配器。支持最小10mA恒流,涓流2mA充電;截止電流1mA,可以設置小電流充電。 |
TP4054 |
SOT23-5 |
4.5V-6.6V |
耐壓28V,零電池泄露電流,500mA單節鋰離子和鋰聚合物電池線性充電電路 |
| CS4056 |
CS4056E是面向空間受限的便攜應用的高度,集成鋰離子和鋰聚合 物 線性充電器件。該器件由USB端口或交流適配器供電。帶輸入過壓保護的高輸入電壓范圍支持低成本、非穩壓適配器。 |
TP4056 |
ESOP-8 |
4.5V-6.6V |
耐壓28V,低電池泄露電流,1.4A單節鋰離子和鋰聚合物電池線性充電電路 |
|
| |
|
| |
|
|