傳統AB類音頻功放效率一般是55%左右。 用常規的芯片封裝輸出功率超過5W就容易出現過熱保護。必須外加散熱器才能正常使用。特別是AM/FM等收音機廠家既要把功率做大又要保證收音機接收效果,迫于無奈只能這樣處理。因為AB類音頻功放對收音機接收效果是零干擾。音頻功放外加散熱器是人工后焊工序,必然會影響生產效率以及直通率,還有產品外殼設計的局限性。
深圳市永阜康科技有限公司針對收音機、車載音響的應用需求,推廣這一款無需散熱器,內置防破音AB類/D類切換單聲道20W音頻功放IC_CS8516。CS8516在AB類工作模式在12V供電時無需外加散熱器可持續輸出20W功率,效率比傳統的AB類功放高5%以上;其5V-15V寬電壓供電滿足雙節/三節鋰電及12V鉛酸電池的應用;根據不同喇叭腔體三種防破音可選,滿足不同市場的音質需求;擴頻工作模式方便EMI認證測試;輸出無濾波節省外圍成本;采用高效EQA16貼片封裝提高生產效率,實現PCBA小型化。

AB類音頻功放屬于線性放大器,對于音頻信號失真度,還原度相對D類音頻功放先天有優勢或者易于設計處理。所以一般AB類音頻功放的聽感偏暖,偏柔和,相對舒適。D類音頻功放一般聲音都偏硬,尖銳,偏吵!所以在一些電源直供,對音質要求較高的應用場合CS8516是理想的選擇。

音頻功放的防破音功能現已非常成熟,對于音頻響應動態范圍,適應不同的音頻信號源,以及音質聽覺感受有明顯作用。然而電源電壓9V以上的音頻功放內置防破音功能型號市面少之又少。CS8516內置防破音功能,12V左右供電最大程度發揮其音質效果。
CS8516應用特性
描述
輸出功率
PO at 10% THD+N, PVDD = 15V
RL = 4 Ω 30W(D MODE NCN OFF)
PO at 10% THD+N, PVDD = 12V
RL = 3 Ω 25W(D MODE NCN OFF)
PO at 10% THD+N, PVDD = 12V
RL = 4 Ω 19W(AB MODE)
AB類使用的最高電壓不得超過12V,負載不得低于4Ω
PO at 10% THD+N, PVDD = 9V
RL = 2Ω 20W(D MODE NCN OFF)
優異的"噼噗-咔嗒"(pop-noise)雜音抑制能力
工作電壓范圍:5V到15V
擴頻功能
固定64倍增益,集成10K輸入電阻,640K反饋電阻
內置三種防破音模式
無需濾波的Class-D結構
最高93%的效率(PVDD=12V)
高電源抑制比(PSRR):在217Hz下為70dB
啟動時間 (200ms)
靜態電流 (18mA)
低關斷電流 (1µA)
過流保護,短路保護和過熱保護
1. CS8516腳位圖以及管腳說明

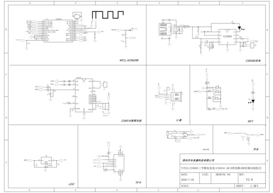
2. CS8516音頻功放+CS5095 USB 5V三節鋰電充電管理應用原理圖
說明
基于CS8516音頻功放+CS5095 USB5V三節鋰電充電管理組合解決方案。采用3節鋰電池串聯12.6V做電源;功放芯片采用CS8516,實現20W/4歐單聲道功率輸出;充電采用CS5095E,5V輸入給三節鋰電池串聯充電,省掉充電的適配器,無需3C認證。
3. CS8516音頻功放+CS5095 USB5V三節鋰電充電管理一體演示板PCB頂層設計圖

4. CS8516音頻功放+CS5095 USB5V三節鋰電充電管理一體演示板PCB底層設計圖
5. CS8516音頻功放+CS5095 USB5V三節鋰電充電管理一體演示板貼片圖

6. CS8516音頻功放+CS5095 USB5V三節鋰電充電管理一體演示板物料清單

7. CS8516音頻功放+CS5095 USB5V三節鋰電充電管理一體演示板實物圖

|