Renesas公司的RAJ306001和RAJ306010是用于三相無刷DC馬達應用的通用馬達控制集成電路,在同一封裝內組合了MCU(RL78/G1F)和預驅動器. 預驅動器包括半橋柵極驅動器,5V穩壓器,電流檢測放大器,霍爾IC比較器, Back-EMF放大器和各種保護功能(超溫,過壓/欠壓,過流和馬達鎖住檢測).三個半橋柵極驅動器提供高效率和高度靈活調整柵極驅動峰值電流(500mA),自對準死區發生器,可選擇柵極驅動電壓和控制信號配置功能.MCU支持安全標準IEC60730的硬件,也可提供RL78系列開發工具. RAJ306001的工作電壓為6V到30V,
RAJ306010工作電壓為6V 到 42V,而RAJ3060xxGNP工作溫度-40 到 +85C, RAJ3060xxZGNP工作溫度為-40 到 +105C.主要用在電動工具,花園工具和真空清潔器以及打印機,風扇,泵和機器人.本文介紹了RAJ306001和RAJ306010主要特性,框圖和推薦外部電路圖,評估板RAJ306010 RSSK主要特性和主要指標,功能框圖和框圖,材料清單和PCB設計圖.
RAJ306001 and RAJ306010 are general-purpose motor control ICs for three phase Brushless DC motor applications. RAJ306001 and RAJ306010 combine MCU(RL78/G1F) and a pre-driver in a single package. The pre-driver includes half bridge gate drivers, 5V regulator, a current sense amplifier, hall IC comparators, Back-EMF amplifier, and various protection functions (overtemperature, over/under voltage, overcurrent and the motor lock detection).
Three half bridge gate drivers provide the high efficiency and high flexibility by adjustable gate drive peak current (500mA), self-align dead time generator, selectable gate drive voltage, and control signal configuration function. Self-align dead time generator prevents the short-through current and provides the safe evaluation environment.
MCU supports H/W of the safe standard of IEC60730. The development tools of the RL78 family are available. This IC can realize the suitable motor control and performance corresponding to each application by F/W construction and optimization of register settings.
RAJ306001和RAJ306010主要特性:
■ Operating Power Supply Voltage
● RAJ306001: 6V to 30V, RAJ306010: 6V to 42V
■ Operating Ambient Temperature
● RAJ3060xxGNP = -40 to +85C
● RAJ3060xxZGNP = -40 to +105C
■ Low VM Supply Current
● [MCU]: 5.2mA (HS mode: fIH = 32MHz, VDD = 5V)
● [Pre-Driver]: 13.5mA (VM = 22.5V)
● VM standby current: 64μA (Typ.)
■ GPIO: 28ch, Port for Input: 2ch
RAJ306001和RAJ306010預驅動功能:
■ Three Half-Bridge Gate Drivers for six N-MOSFET
● Adjustable Gate Drive Peak current up to500mA
● Self-Align Dead Time Generator Function
● Control Signal Configuration Function forflexibility
■ Selectable Single/Double Boost Charge Pump forGate Drive Voltage (10, 13V)
■ Support Hall IC type and Hall Sensor-less type
● Integrated Hall IC Comparators (adjustablethreshold and hysteresis voltage)
■ Integrated 1 Shunt Current Sense Amplifier
● Adjustable Gain (8.25, 25, 50V/V)
■ Integrated Protection function:
● UVLO, Overtemperature, Overcurrent,Overvoltage,
● Motor Lock for Hall IC type, Alarm ConditionIndicator feature
RAJ306001和RAJ306010控制器功能:
■ CPU: 16-bit CISC CPU (RL78/G1F)
■ Flash ROM: 64KB, Data Flash: 4KB
■ RAM: 5.5KB
■ CSI: 2Chanel ---- SPI:2ch, IIC:2ch, UART:1ch
■ Timer
● Timer Array Unit: 1unit --------------- 16-bit, 4ch
● Timer RD for motor control --------- 16-bit, 2ch
● Timer RG with encoding function – 16-bit, 1ch
● 64 MHz motor control input capture timer
● (Timer RX)
■ 10-bit resolution A/D Converter: 9ch
■ Selectable Reference Voltage: Internal/External
■ Event Link Controller (ELC): 6ch (External Input)
RAJ306001和RAJ306010應用:
■ Power Tools, Garden Tools, and VacuumCleaners
■ Printers, Fans, Pumps, and Robotics

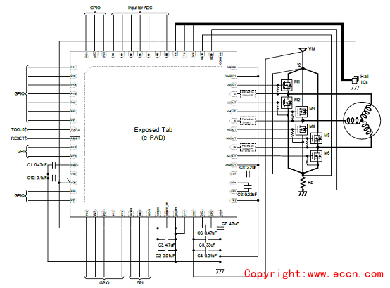
圖1.RAJ306001和RAJ306010框圖(霍爾IC類型)

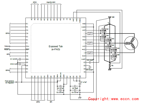
圖2.RAJ306001和RAJ306010推薦外部電路圖

圖3.RAJ306001和RAJ306010推薦外部電路圖:外接5V穩壓器,單激勵功能,無霍爾傳感器類型
評估板RAJ306010 RSSK
This product is a kit for evaluating motor system using RAJ306010. It consists of a board with RAJ306010mounted, a small 24V motor, and a connecting cable.
RAJ306010 is initially equipped with a sample code for 120 conduction control using a Hall IC, and a basicevaluation of motor control can be performed simply by connecting a 24V DC power supply and the attachedmotor. In addition, it is possible to connect and evaluate a motor and MOSFET prepared by user.
評估板RAJ306010 RSSK主要特性:
1. Easy to start the motor control evaluation with RAJ306010.
Since reference firmware has already been written on the RAJ306010, by connecting the attached smallmotor to the board and supplying power, evaluation can be start immediately.
2. High expandability and operability by small board (about B6 size: 148mm * 125mm).
The board is small and easy to operate, but, since switches, potentiometers, LEDs and thermistors aremounted, their functions can be used by using the user program.
3. Connectable to the external MOSFET board.
By setting the switching pin, it is possible to select mounted MOSFET and external MOSFET.
4. Various sample codes for the basic motor drive.
Sample code of basic control required for BLDC Motor control can be downloaded from the website
■ Hall IC 120 conduction control
■ Hall IC 120 energization speed control
■ Hall IC 120 conduction control
■ Hall IC 120 energization speed control
5. Support Desktop Lab ICS tool. (ICS: PC tool for waveform display)
ICS is a tool for monitoring and changing global variables in operation from a PC. Note.2
Refer to Desktop Labs website for detail features and operation methods.
評估板RAJ306010 RSSK指標列表:


圖4.評估板RAJ306010 RSSK外形圖:主要元件和終端
主要元件列表:


圖5.評估板RAJ306010 RSSK外形圖:主要元件和終端(未安裝)
主要元件列表(未安裝):


圖6.評估板RAJ306010 RSSK概述功能框圖

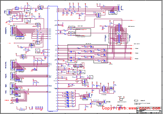
圖7.評估板RAJ306010 RSSK板框圖

圖8.評估板RAJ306010 RSSK板電路圖(1)

圖9.評估板RAJ306010 RSSK板電路圖(2)
評估板RAJ306010 RSSK板材料清單:




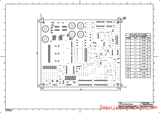
圖10.評估板RAJ306010 RSSK板PCB設計圖(1)

圖11.評估板RAJ306010 RSSK板PCB設計圖(2)

圖12.評估板RAJ306010 RSSK板PCB設計圖(3)

圖13.評估板RAJ306010 RSSK板PCB設計圖(4)

圖14.評估板RAJ306010 RSSK板PCB設計圖(5)

圖15.評估板RAJ306010 RSSK板PCB設計圖(6)

圖16.評估板RAJ306010 RSSK板PCB設計圖(7)

圖17.評估板RAJ306010 RSSK板PCB設計圖(8)

圖18.評估板RAJ306010 RSSK板PCB設計圖(9)


圖19.評估板RAJ306010 RSSK板PCB設計圖(10)

圖20.評估板RAJ306010 RSSK板PCB設計圖(11) |