本應用筆記介紹了CS5521/23,CS5522/24/28和CS5525/26系列的模數轉換器,這些器件具有片上電路來驅動外部負載。該文檔還說明了電荷泵電路以及如何將其用于系統設計。
CS552X概述
CS5521 / 23,CS5522 / 24/28和CS5525 / 26系列A / D轉換器包括一個斬波穩定儀表放大器,用于測量低電平直流信號(±100 mV或更小)。該放大器設計為產生非常低的輸入采樣電流(-40至+85 + C時ICVF <300 pA)。如圖1所示,當使用高阻抗電路進行輸入保護時,低輸入電流可將熱電偶測量中可能發生的誤差減至最小。
圖1所示的電荷泵電路用于產生負電源(約-2.1 V),以為片上儀表放大器供電。這使放大器能夠測量相對于地為負的低電平輸入信號,同時保持低輸入電流。在本文檔中描述的某些限制條件下,電荷泵可用于為轉換器外部的某些其他電路(例如放大器或多路復用器)供電。

CS552x ADC內部的輸入放大器
電荷泵基礎

電荷泵組件
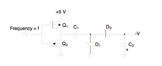
圖2說明了基本的二極管電荷泵。晶體管Q1和Q2代表CMOS反相器的輸出晶體管。當反相器的輸入導致晶體管Q1導通(Q2截止)時,C1通過二極管D1充電至大約5 V的電壓減去二極管的正向電壓。當逆變器的輸出切換為Q1斷開,Q2接通時,C1帶正電的導線將接地。由于電容器兩端的電壓不能瞬時改變,因此連接到二極管D2的C1的引線將變為負,從而導通二極管D2。C1上的電荷然后將流到C2上并產生負輸出電壓。電容器C2充當電荷的儲存器,并且比電荷泵電容器C1大得多。在經過數個電荷泵循環后,

電荷泵循環順序
圖3說明了兩個電荷泵序列中的每一個。電容器C2充當電荷的儲存器,并且比電荷泵電容器C1大得多。
CS552X的電荷泵

ADC電荷泵調節環路
圖4給出了本應用筆記中列出的A / D轉換器內部的基本電荷泵調節環路的簡化版本。電荷泵驅動引腳(CPD)由XIN頻率產生的時鐘(CPCLK)驅動,可直接使用。CS5521 / 22/23/24/28器件使用XIN / 2 /時鐘。穩壓器環路將電荷存儲電容器上產生的電壓幅度與VA +電源幅度的一部分進行比較。該環路旨在將NBV的電壓調節為– [VA + / 2.38]V。請注意,如果芯片的VA +電源電壓高于+5 V,則NBV上的電荷泵輸出的電壓為成比例的更負面。當NBV引腳上的電壓達到適當的幅度時,電荷泵時鐘的周期將被刪除。調節環路將來自CPD引腳的脈沖頻率保持在產生適當輸出電壓的平均頻率。CPD驅動器輸出由VD +電源提供,如圖4所示。可以為+5 V或+3V。圖4所示的二極管電荷泵用于+5 V電源。肖特基二極管D3確保NBV引腳的接地降落不超過二極管的壓降。這樣可以確保調節器環路正確啟動。 |