最近幾年,使用電池供電的小型設備發展迅速,例如:平板電腦、掌上游戲機、視頻播放器、數字相框等。一般而言,這些設備都使用可再充鋰離子 (Li-Ion) 電池作為電源。一些常見的充電解決方案包括墻上適配器類充電器和通用串行總線 (USB) 類充電器。盡管這些充電器解決方案是為鋰離子電池充電的一種低成本的解決方案,但是這些充電器也都存在一個共同的缺點:依靠主電源才能工作運行。這種對主電源的依賴性增加了用戶的電費開銷,同時也增加了溫室氣體排放。而且由于對主電源有依賴性,這些充電解決方案的便攜性也大打折扣。要想以一種有益環境的方式來延長電池使用時間,利用太陽能板收集自然光能量的太陽能充電器或許是一種理想的方案。太陽能充電器的另一個好處是它提供了一種可移動的充電解決方案。
本文中,我們將對開發太陽能充電解決方案過程中一些重要的考慮因素進行說明。需要考慮這些因素的主要原因是:隨著光照環境不同,電壓和電流也隨之變化,那么太陽能電池板就會成為一個高輸出阻抗電源。而墻上電源適配器或者USB電源均為低輸出阻抗電源,具有預先規定好的輸出電壓和電流。我們要討論的太陽能充電解決方案中需要重點關注的因素包括:最大功率點跟蹤 (MPPT)、反向漏電保護、充電終止方法技巧以及太陽能板崩潰保護等。
最大功率點跟蹤
最大功率點 (MPP) 是能夠獲得最大功率的太陽能電池工作區域。圖 1 中的曲線圖表明了該區域。該曲線圖顯示了典型輸出電流與輸出功率同 MPP 雙節太陽能電池板電壓曲線的對比關系。曲線上的 MPP 很明顯,因為它是對應于太陽能電池板最大功率輸出的電壓和電流。MPP 與環境溫度和光線有關,因此會隨時間而變化。這表明,利用太陽能電源的充電器必須具有相應的電路,以隨環境條件變化不斷跟蹤 MPP。MPPT 方案種類繁多,包括簡單的開環技術(電池板電壓維持在固定開電路電壓)和復雜的微控制器類技術(測量輸入和輸出功率,然后正確調節電池板電壓)。

圖 1 輸出電流和輸出功率為雙節太陽能電池板電壓的函數
正確選擇充電解決方案的 MPPT 方案,需要在成本和效率之間做出折中,并且應視具體應用而定。
反向漏電保護
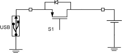
反向漏電是電池中存儲的電荷丟失并返回至電源的一種現象。電池電壓高于電源時出現反向漏電現象。出現這種現象時,電源便成為電池的負載,不再對電池充電。使用墻上電源適配器或者 USB 電源時不會出現這種狀態,因為這兩種電源的電壓輸出始終保持在鋰離子電源電壓之上。使用太陽能電池板時,太陽能板的電壓會在光照不足的情況下降低至電池電壓以下。圖 2a 顯示了一個連接至電池的 USB 電源充電器原理圖。當開關 S1 關閉時,電源從電池斷開,電池無電流。使用太陽能電池板時,如果使用相同的布局,則如果太陽能板電壓降至電池電壓以下時開關體二極管開啟。解決這種問題的一種常用方法是使用背靠背式開關,如圖 2b 所示。
圖 2a 顯示電源開關的 USB 型充電器原理圖

圖 2b 顯示背靠背式電源開關的太陽能板型充電器原理圖
充電終止
鋰離子電池充電要求對電池實施精確的電流和電壓控制,以確保電池電量充滿,防止縮短電池使用壽命,并防止在充電期間出現危險狀態。鋰離子電池充電的常見過程(請參見圖 3)可分為如下三個階段:預穩壓、恒定電流充電和恒定電壓充電。

圖 3 鋰離子電池充電不同階段的電池電壓和電流曲線圖
在預穩壓階段,利用 0.1C 恒定電流(通常情況)對電池充電,以使電池電壓緩慢上升至 2.5V 左右。該階段僅用于深度放電的電池。一旦電池電壓上升至 ~2.5V 以上,則使用恒定電流充電。在恒定電流充電階段,利用 1C 恒定電流(通常情況)對電池充電,直到電池電壓達到 ~4.2V。一旦電池電壓達到 ~4.2V,則使用 4.2V 恒定電壓對電池充電。在這一階段,需對進入電池的電流情況進行監控。當電池電流降至 0.1C 時,充電終止。在恒定電壓充電階段,進入電池的電流會減少,原因是電池充滿時電池阻抗增加。一旦電流減少至 0.1C 以下,充電源必須完全從電源斷開。如果未徹底斷開,會出現金屬鋰電鍍現象,讓電池變得不穩定,從而出現危險狀態。我們必須根據進入電源的電流情況來終止鋰離子電池充電,以保證電池剛好充滿至其最大電量。
使用太陽能充電的充電器必須遵循上述充電過程。問題大多會出現在對電池電流進行監控的恒定電壓充電階段。進入到電池的電流可能會減少,但不是因為電池電量的增加,而是因為光照環境變化帶來太陽能板輸出的降低。因此,電池可能永遠也不會充滿至其最大電量,而且太陽能板可能會一直連接電池。要想解決這個問題,我們可以使用一個長時恒定計時器。計時結束時,太陽能板便從充電器斷開,而不用考慮電池電量情況,這樣便可以防止電池損壞。
太陽能電池板崩潰保護
在一些傳統的充電器中,我們預先知道電源的電流和電壓大小。因此,充電器電路專門為電源規定范圍內運行而設計。使用太陽能電池板輸出時,電流大小和開路電壓都是動態的,其取決于周圍的環境。所以,相比墻上電源適配器,為太陽能充電器設計控制環路要更有挑戰性一些。
利用太陽能進行鋰離子電池充電的系統,在努力維持鋰離子電池充電過程的同時,還要不能讓太陽能板出現意外崩潰現象。因為如果太陽能板電壓急劇下降,就無法從太陽能板獲得有用的電能。在恒定電流充電階段出現太陽能板崩潰的機率較大。在這一階段,太陽能板可能無法提供電池充電所需的電流。當出現這種情況時,太陽能板電壓開始迅速崩潰。因此,充電器必須能夠檢測到太陽能板電壓的快速下降,并立即減少從太陽能板獲取電流,從而防止太陽能板崩潰。
總結
太陽能充電器可以為鋰離子電池提供一種移動的、有益環境的充電方法。在進行太陽能充電器設計時,會遇到許多在進行墻上電源適配器充電器設計時所碰不到的問題。如果設計人員開動腦筋,便可以設計出一些能夠使用太陽能、USB和墻上電源適配器輸入的充電器,實現對鋰離子電池的完美充電。 |