當現成的運算放大器(op
amp)不能提供特定應用所需的信號擺幅范圍時,工程師面臨兩種選擇:使用高壓運算放大器或設計分立解決方案,不過這兩種選擇的成本可能都很高。
對許多應用來說,第三種選擇——自舉——可能是比較廉價的替代方案。除了動態性能要求極為苛刻的應用,自舉電源電路的設計是相當簡單的。
自舉簡介
常規運算放大器要求其輸入電壓在其電源軌范圍內。如果輸入信號可能超過電源軌,可以通過電阻衰減過大輸入,使這些輸入降至電源范圍以內的電平。這樣處理并不理想,因為它會對輸入阻抗、噪聲和漂移產生不利影響。同樣的電源軌也會限制放大器輸出,閉環增益的大小存在一個限值,以避免將輸出驅動到飽和狀態。
因此,如果要求處理輸入和/或輸出上的大信號偏離,則需要寬電源軌和能在這些電源軌上工作的放大器。ADI
的 24V 至 220V 精密運算放大器 ADHV4702-1
是適合這種情況的出色選擇,不過自舉低壓運算放大器也能滿足應用要求。是否使用自舉主要取決于動態要求和功耗限制。
自舉會創建一個自適應雙電源,其正負電壓不是以地為基準,而是以輸出信號的瞬時值為基準,有時稱之為飛軌(flying
rail) 配置。在這種配置中,電源隨著運算放大器的輸出電壓(VOUT)
上下移動。因此,VOUT始終處于中間電源電壓,并且電源電壓能夠相對于地移動。使用自舉可以非常容易地實現這種自適應雙電源。
實際上,自舉必須符合一些準則,有些準則微不足道,但沒有一個準則是特別麻煩的。如下是
基本的準則:
● 輸出負載不得過大。
● 響應速度不得低于運算放大器的壓擺率。
●
必須能處理所需的電壓水平和相關的功耗。
工作原理
飛軌概念是指正負電源軌連續調整,使其電壓始終關于輸出電壓對稱。這樣,輸出始終位于電源范圍內。
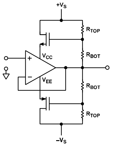
電路架構包括一對互補分立晶體管和一個阻性偏置網絡。
NPN 發射極(或 N 溝道 MOSFET 的源極引腳)提供 VCC, PNP 發射極(或 P 溝道 MOSFET 的源極引腳)用作 VEE。晶
體管被偏置,使得所需的電源電壓出現在放大器的 VS和–VS 引腳上,這些電壓通過電阻分壓器從高壓電源獲得。圖 1 顯 示了簡化高壓跟隨器原理圖。

圖 1. 簡化高壓跟隨器原理圖
理論上,自舉可以為任何運算放大器提供任意高的信號順從電壓。而在實際上,電源調整比例越大,動態性能越差,因為運算放大器的壓擺率限制了電源對動態信號的響應速度。放大器在
大額定電源電壓或接近該電壓下工作時,電源引腳為跟上動態信號而需要橫越的范圍 小。當運算放大器在接近其
高額定電源電壓下工作時,其他誤差源(如噪聲增益)也會降低。
不需要電源移動很遠(或非常快)的低頻和直流應用,是自舉的
佳候選應用。因此,高壓放大器能提供比動態特性相當的低壓放大器更好的動態性能,尤其是當二者均偏置為各自的
大工作電源電壓并且自舉到相同信號范圍時。自舉也會影響直流性能,因此在直流 和高電壓兩方面均經過優化的運算放大器可提供自舉配置能實現的
佳直流和交流性能組合。
舉例:采用ADHV4702-1
的范圍擴展器的設計考慮
ADHV4702-1 是一款精密 220
V運算放大器。有了該器件,就不需要自舉傳統低壓運算放大器,220
V以下信號范圍的高壓設計得以簡化。如果應用需要更高電壓,那么可以應用自舉技術,輕松地將電路工作范圍增加兩倍以上。下面說明一個基于ADHV4702-1 的 500
V放大器設計示例。
電壓范圍
如上所述,擴展器電路的范圍在理論上是無限的,但存在如下一些實際限制:
●
電源電壓和電流額定值
● 電阻和場效應晶體管(FET)功耗
● FET
擊穿電壓
直流偏置電平
首先,考慮提供給放大器的電源電壓。任何在器件額定電源電壓范圍內的電壓都有效。然而,功耗是基于所選擇的工作電壓在放大器和
FET 之間分配。對于給定的原始電源電壓,運算放大器電源電壓越低,FET
中的漏源電壓(VDS)越高,功耗也相應地進行分配。應選擇適當的運算放大器電源電壓,從而以
有利于散熱的方式在器件之間分配功耗。其次,使用下式計算將原始電源電壓(VRAW)降低到放大器期望電源電壓(VAMP)所需的分壓比:

其中,RTOP為頂部電阻,RBOT為底部電阻。
對于下例,考慮運算放大器標稱電源電壓為±100 V。對于需要±250
V 擺幅范圍的應用,通過下式計算分壓比:

然后,使用便于獲得的標準值電阻設計電阻分壓器,盡可能接近地實現此分壓比。請注意,由于涉及高電壓,電阻功耗可能比預期要高。
靜態功耗
對于所選電阻值,應選擇能夠應對相應靜態功耗的電阻尺寸。相反,如果電阻的物理尺寸受限,應選擇適當的電阻值來將散熱限制在額定范圍內。
在該示例中,RTOP達到
150 V,RBOT達到 100 V。使用額定功率為 1 /2瓦的 2512 電阻,設計必須將每個電阻器的功耗(V2/R) 限制在 0.5 W
以下。計算每個電阻的 小值,如下所示:

將較高值電阻(45kΩ)作為功耗的限制因素,RBOT 值產生一個 2.5:1 分壓器,同時觀測靜態功耗限值為

其功耗為(100 V)2/30 kΩ = 0.33
W。
瞬時功耗
考慮到電阻的瞬時電壓取決于放大器的輸出電壓以及電源電壓,本例中任何時刻每個分壓器上的電壓可能高達350
V(VCC = 250 V 且 VOUT = –100 V)。正弦輸出波形在 VCC和 VEE分壓器中產生 相同的平均功耗,但任何非零平均輸出都會導致一個分壓器
的功耗高于另一個分壓器的功耗。對于滿量程直流輸出(或方波),瞬時功耗為 大功耗。
在此示例中,為將瞬時功耗保持在 0.5 W
以下,每個分壓器中兩個電阻之和(RSUM)不得小于以下值:

因此,電阻比為 1.5:1(對于 2.5:1 分壓器)時,各個電阻的 小值如下:
RTOP = 147
kΩ
RBOT = 98 kΩ
FET 選擇
承受 壞情況偏置條件所需的擊穿電壓主要決定
FET的選擇;當輸出飽和,使得一個 FET 處于 大 VDS ,另一個 FET 處于 小 VDS 時,便可明白這一點。在前面的示例中, 高 VDS
約為 300 V,即總原始電源電壓(500 V)減去放大器的總電源電壓(200 V)。因此,FET 必須承受至少 300 V
電壓而不被擊穿。
功耗必須針對 壞情況 VDS 和工作電流來計算,并且必須選擇指定在此功率水平下工作的 FET。
接下來考慮
FET 的柵極電容,因為它會與偏置電阻一起形成一個低通濾波器。擊穿電壓較高的 FET 往往具有較高的柵極電容,而且偏置電阻往往為 100
kΩ,因此不需要多少柵極電容就能顯著降低電路的速度。從制造商的數據手冊中獲得柵極電容值,計算 RTOP和
RBOT并聯組合所形成的極點頻率。
偏置網絡的頻率響應必須始終快于輸入和輸出信號,否則放大器的輸出可能超出其自身的電源范圍。暫時偏離到放大器電源軌之外會有損壞輸入的風險,而暫時飽和或壓擺受限會有造成輸出失真的風險。任何一種狀況都可能導致負反饋暫時丟失和不可預測的瞬態行為,甚至可能因為某些運算放大器架構中的相位反轉而閂鎖。
性能
直流線性度
圖 2 顯示了增益誤差與輸入電壓的關系(直流線性度),增益為 20,電源為±140
V。
壓擺率
實現更高速度的權衡
功耗
如前所述,工作電壓較高時,FET
的擊穿電壓(和相關的柵極電容)以及電阻值也必須較高。較高的電阻和電容值都會造成帶寬降低,
可用的調整因素是電阻值。降低電阻值會提高帶寬,但代價是功耗增加。
空間
低阻值、高功率的電阻尺寸較大,需占用較多電路板空間。以電容的形式在RBOT上增加一些引線補償可以改善電路的頻率響應。此電容與
RBOT和 RTOP電阻形成一個零點,抵消 FET
柵極電容所形成的極點。極點和零點相消,因此可以選擇更高阻值的電阻,從而降低直流功耗。
結論
在需要較高電壓但使用典型高壓運算放大器不經濟的應用中,常常會讓常規運算放大器自舉。自舉有其優點和缺點。還有一個選擇,ADHV4702-1
提供一種高達 220 V的精密高性能解決方案,無需自舉。但是,當信號范圍要求超過 220 V時,
該器件可以自舉以處理超過標稱信號范圍兩倍以上的電壓,同時提供比自舉低壓放大器更高的性能。
|