| 對于任何完整的能量收集系統,旨在為除小型,短時負荷之外的任何物體提供電力,蓄電池代表了初始費用的必要但重要的部分。如果不注意最大化電池組件的使用壽命,則在系統壽命期間電池的成本可能具有甚至更大的影響。此外,如果依賴大容量蓄電池的光伏和其他能源采集系統的單位增長仍在繼續,那么未能最大化電池壽命的設計可能會對制造替代系統所需的額外材料和能源消耗產生負面的環境影響。以及處理耗盡的單位。
蓄電池規格,如堅固性和預計壽命,在很大程度上取決于電池的化學性質;鋰離子,LiFePO4和密封鉛酸是廣泛使用的電池化學品。大多數商用鋰離子電池現在可以充電至4.2 V/電池。 LiFePO4電池允許更高的充電和放電速率,但能量密度更低。典型的電池電壓為3.6 V.鋰離子和LiFePO4的充電曲線是預處理,恒定電流和恒定電壓。為了獲得最長的循環壽命,充電結束電壓閾值可降至4.1 V/電池。盡管電池化學成分,工程師應該知道的幾個設計標準會影響任何類型存儲單元的預期壽命。
最常見的電池殺手之一就是過度充電。當充電持續時間過長或電壓過高時,電池壽命會縮短。簡單的充電電路要么超過最佳充電電壓,要么在過長的充電周期時間內進行權衡。特定的化學成分決定了使用的電壓水平,制造商提供了充電和放電電壓和速率的詳細規格。
具有用于能量輸入的光伏面板的基本系統提供與電池串聯的阻塞二極管或開關,以防止在低光期間耗盡電池。為避免過度充電,一旦電池充滿電,就可以從太陽能電池中分流出過量的電流。實際上,即使這種簡化的設計也需要監控和控制電子設備。
雖然我們這些生活在寒冷氣候中的人傾向于將電池死亡與一年中最寒冷的部分聯系起來,因為當你的汽車無法在暴風雪中啟動時,大多數電池損壞實際上都可能在炎熱的天氣中發生。溫度在確保長存儲電池壽命方面起著重要作用。所有電池都依賴于熱激活的化學反應。由于溫度依賴性很強,這些反應會失去控制,導致突然和嚴重的損害。在低溫下,當電荷耗盡時,電池電解質也會凍結。這在光伏能量收集中尤其重要,因為最低溫度通常與最低太陽能水平(因為能量源在夜間損失)一致,從而加劇了有害的溫度效應。
德州儀器(TI)的bq24650(圖1)是一款多功能同步開關模式電池充電控制器,專門針對太陽能應用。 bq24650在恒定頻率PWM控制器設計中提供可編程最大功率點跟蹤(MPPT),用于三相充電 - 預處理,恒定電流和恒定電壓。預充電受內部計時器的限制,最長可達30分鐘
圖1:TI bq24650同步開關模式電池充電控制器,專為太陽能應用而設計。
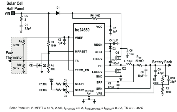
bq24650開關模式電池充電控制器可接受5至28 V的光伏電池板電壓,并可為高達36 V的電池提供輸出。它也可配置為在升壓模式下工作,但這超出了范圍這篇文章。
TI充電控制器包括幾個關鍵功能,使光伏能量收集系統設計人員能夠最大限度地延長電池壽命。 bq24650包括通用充電控制器功能,例如基于最大電壓的充電終止設置,以減少與過充電相關的問題以及旨在最大限度延長電池壽命的關鍵安全功能。
當輸入由太陽能電池板供電時,輸入調節環路會降低充電電流,以便太陽能電池板可以提供最大功率輸出。它還提供輸入電壓調節,當輸入電壓低于編程電平時,可降低充電電流。
如果電池電壓低于內部閾值,bq24650會自動重啟充電周期,當輸入電壓低于電池電壓時,bq24650會進入低靜態電流休眠模式。
通過探索圖2所示的示例設計,部件的功能和控制輸入可能是最容易理解的。太陽能電池板在VI或VP曲線上有一個獨特的點,稱為最大功率點(MPPT),整個光伏系統以最高效率運行并產生最大輸出功率。在bq24650上,MPPT點通過電阻分壓器設置,以使MPPSET(引腳2)保持在1.2 V。以下公式用于設置MPPT點:
VMPPSET = 1. 2 V x(1 + R3/R4)
如果在基本充電控制器設計周圍添加了其他系統監控,則可以通過將MPPSET拉低至75 mV來禁用充電。
充電電壓通過VFB引腳上的2.1 V穩壓輸出進行編程。電池電壓根據以下公式設置:
VBAT = 2.1(1 + R2/R1)

圖2:TI bq24650典型應用示例。
在輸入電壓調節方面,bq24650使用簡單的恒壓算法實現最大功率點跟蹤。控制器降低充電電流以維持光伏板電壓以獲得最大功率輸出。
最大化電池壽命的重要設計標準是控制充電電流,限制電壓并在適當的時間結束充電周期。通過引腳SRP和SRN之間的20mΩ電阻上的電壓降來感測充電電流。這兩個引腳之間的滿量程電壓為40 mV,因此在設計示例中,最大充電電流設置為2 A.
考慮到深度放電單元,bq24650將采用預充電周期,以嘗試恢復放電低于閾值VLOWV的電池。如果預充電周期無法將電池電壓升高到超過VLOWV,內部定時器將在30分鐘后觸發故障指示。
如果滿足預充電條件,控制器將進入充電的第二階段。在“快速充電”循環期間,調節充電電流。當VFB引腳的電壓超過VRECH閾值且充電電流降至快速充電電流的10%以下時,充電終止。
bq24650設計提供的最終安全網是溫度傳感。熱關機避免了潛在的災難性事件。它還可以為電池提供人壽保險,因為系統在初始設計參數漂移后老化。通過正確定位和連接的負溫度系數熱敏電阻,可以實現電池組的溫度檢測。 bq24650允許能量收集系統設計人員對上下安全溫度進行編程。 bq24650可在超出設計范圍的溫度下暫停充電周期。通過VREF和地之間的引腳TS上的電阻分壓器設置冷熱限制。
該器件的QFN封裝具有低熱阻,可提供從硅到環境的良好熱傳導,從而保持低結溫。作為額外的保護級別,只要結溫超過TSHUT閾值145°C,充電器轉換器就會關閉并自我保護。充電器保持關閉狀態,直到結溫低于130°C。
設計人員應該始終仔細研究制造商的數據表,特別是對于這個關鍵且非平凡的設計步驟。 bq24650EVM是一款評估模塊,可幫助用戶評估bq24650同步電池充電器。 |