背景技術:
消費者在使用音響產品時最不能接受的就是humnoise(電流聲)和po-ponoise(開關機沖擊聲)。美國titpa3116classd類系列功放ic包含tpa3116/tpa3118/tpa3130型號。輸出rms功率分別為:50w*2/30w*2/15w*2,輸出功率是民用音響黃金段輸出功率,一般使用在中檔民用音響產品中。但此系列功放ic有一個非常嚴重的設計瑕疵,就是在開關機處理po-ponoise不是很到位,也就是在開關機處理不好有很大的沖擊聲。由于電源打開時瞬間有電源火花,該火花沖擊電信號經電路放大后會產生很大的沖擊聲從喇叭中發出。對消費者,尤其是老人小孩產生一定的噪音傷害,所以必須進行規避設計。而一般的通常用的處理方式是利用mcu輸出一個控制電平將進行置高和置低延時處理開關機沖擊聲的tpa3116設計瑕疵問題,用mcu延時進行置高置低控制可以有效達到控制開關機沖擊聲,但這樣會增加一定的硬件成本和軟件成本。
技術實現要素:
為解決現有技術中的問題,基于產品性價比的考慮,本實用新型提供一種消除tpa3116系列功放開關機沖擊聲的電路。
本實用新型包括時序開關,控制時序開關打開或關閉的控制模塊、設置在時序開關與tpa3116系列功放芯片負責靜音的第12引腳mute引腳之間的分壓模塊和延時模塊,所述分壓模塊和延時模塊還與電源輸出端相連。
本實用新型作進一步改進,所述控制模塊包括信號放大單元、整流單元、時間控制單元、開關控制單元,其中,所述信號放大單元的輸入端與音頻輸入電路的輸出端相連,輸出端與整流單元的輸入端相連,所述整流單元的輸出端與開關控制單元的輸入端相連,所述時間控制單元控制所述開關控制單元的工作時間,所述開關控制單元的輸出端與時序開關的控制端相連。
本實用新型作進一步改進,所述信號放大電路為多級放大電路,包括分別具有放大作用的2個以上運放串聯而成。
本實用新型作進一步改進,所述信號放大電路包括運放u306b、運放u306a和運放u202a及其外圍阻容器件,其中,
所述運放u306b的正相輸入引腳5接地,反相輸入引腳6通過串聯的電阻r420和電容c416接音頻輸入電路的輸出端,并通過并聯的電阻r422和電容c418接運放u306b的輸出引腳7,所述運放u306b的輸出引腳7通過串聯的電容c415和電阻r419接運放u306a的反相輸入引腳2,
所述運放u306a的反相輸入引腳2通過并聯的電阻r421和電容c417接運放u306a的輸出引腳1,所述運放u306a的正相輸入引腳3接地,電源引腳8分別與接地電容c413和電阻r417的一端相連,電阻r417的另一端接+15v電源,電源引腳4分別與接地電容c412和電阻r413的一端相連,電阻r413的另一端接-15v電源,所述運放u306a的輸出引腳1通過串聯的電容c411和電阻r228接運放u202a的反相輸入引腳2,
所述運放u202a的反相輸入引腳2通過并聯的電阻r224和電容c236接運放u202a的輸出引腳1,所述運放u306a的正相輸入引腳3接地,電源引腳8分別與接地電容c233和電阻r234的一端相連,電阻r234的另一端接+15v電源,電源引腳4分別與接地電容c235和電阻r236的一端相連,電阻r236的另一端接-15v電源,所述運放u202a的輸出引腳1通過電容c237接整流單元輸入端。
本實用新型作進一步改進,所述開關控制單元包括運放u202b及其外圍阻容器件,所述u202b的正相輸入引腳5通過電阻r423接整流單元和時間控制單元輸出端,反相輸入引腳6分別與電阻r231、電阻r232、電容c2334的一端相連,并通過電容c233接輸出引腳7,所述電阻r231另一端接+15v電源,電阻r232、電容c234另一端分別接地,所述u202b的輸出引腳接時序開關控制端。
本實用新型作進一步改進,所述時間控制單元包括極性電容c302和電阻r411,其中,所述極性電容c302的正極和電阻r411的一端接整流單元輸出端和電阻r423輸入端之間,所述極性電容c302的負極和電阻r411的另一端接地。
本實用新型作進一步改進,所述整流單元包括二極管d101和二極管d102,其中,所述二極管d101的負極和二極管d102的正極分別接信號放大單元輸出端,所述二極管d102輸出端接開關控制單元輸入端,二極管d101正極接。
本實用新型作進一步改進,所述時序開關包括電阻r309、極性電容c301和三極管q301,其中,所述三極管q301的基極分別與電阻r309的一端和極性電容c301正極相連,電阻r309另一端接控制模塊輸出端,極性電容c301負極接地,所述三極管q301的發射極接地,集電極接分壓模塊的一端。
本實用新型作進一步改進,所述分壓模塊包括電阻r310和電阻r316,其中,所述電阻r310的一端與所述三極管q301的集電極相連,另一端分別與電阻r316的一端和tpa3116系列功放芯片mute引腳,電阻r316的另一端接tpa3116系列功放芯片的電源avcc引腳。
本實用新型作進一步改進,所述延時模塊包括極性電容c309,所述極性電容c309與電阻r316并聯,其中,負極接tpa3116系列功放芯片的電源avcc引腳。
與現有技術相比,本實用新型的有益效果是:利用純硬件的電阻電容等器件,防止開關機沖擊聲對消費者的噪聲傷害,也避開了由mcu延時控制的硬軟件開發和成本的上升。
附圖說明
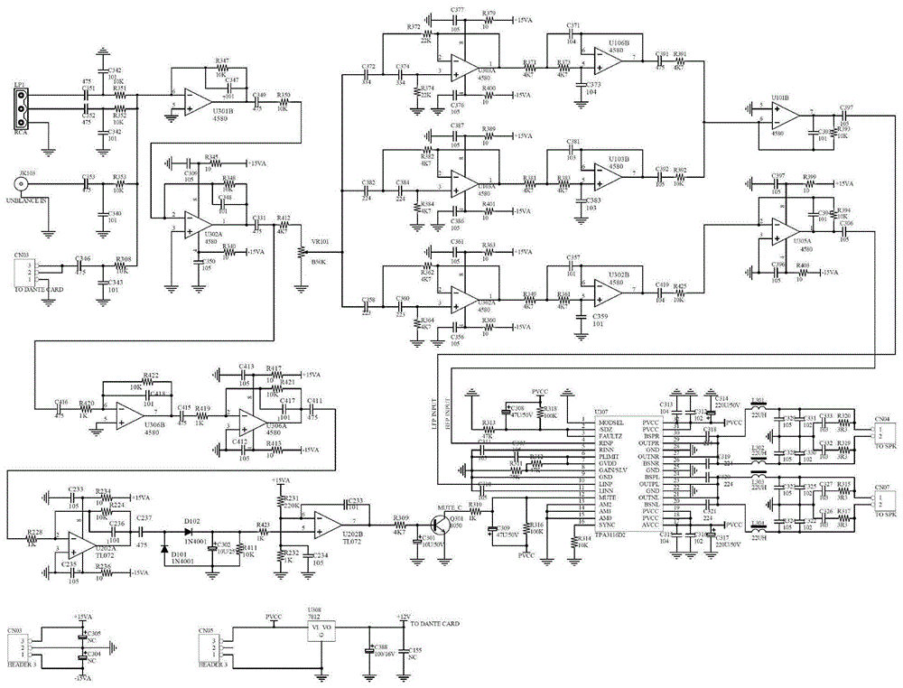
圖1為包括本實用新型的音箱整機電路原理圖;
圖2為控制模塊電路原理圖;
圖3為tpa3116系列功放芯片第12引腳的外圍電路原理圖。
具體實施方式
下面結合附圖和實施例對本實用新型做進一步詳細說明。
本申請人在開發cq6a/cq8a/cq6d/cq8d等網路及教育用有源音箱產品所使用的功放芯片是美國titpa3116classd類系列功放ic。本實用新型主要針對tpa3116功放ic開關機沖擊聲的一種規避電路。本申請人cq6a/cq8a/cq6d/cq8d等網路及教育用有源音箱產品的整機電路如圖1所示。
本整機功放電路前級電路已經過電子分頻處理,在此不作分析,只對開關機沖擊聲規避電路進行重點闡述。其中功放icu307的引腳4為高頻輸入,引腳10為低頻輸入,相對應的,引腳26/27~29/30橋接成高頻輸出,引腳20/21~23/24橋接成低頻輸出。真正可以進行規避開關機沖擊的引腳只有引腳12(也叫12pin)/mute引腳。由于引腳12置高置低邏輯時序都占空比是1.4秒作用,也就是規避tpa3116classd類功放開關機沖擊聲,可利用的地方就是針對置高置低及1.4秒的時序邏輯進行開發。
如圖1-圖3所示,本實用新型包括時序開關,控制時序開關打開或關閉的控制模塊、設置在時序開關與tpa3116系列功放芯片負責靜音的第12引腳mute引腳之間的分壓模塊和延時模塊,所述分壓模塊和延時模塊還與電源輸出端相連。
本例的時序開關包括電阻r309、極性電容c301和三極管q301,其中,所述三極管q301的基極分別與電阻r309的一端和極性電容c301正極相連,電阻r309另一端接控制模塊輸出端,極性電容c301負極接地,所述三極管q301的發射極接地,集電極接分壓模塊的一端。
本例的分壓模塊包括電阻r310和電阻r316,其中,所述電阻r310的一端與所述三極管q301的集電極相連,另一端分別與電阻r316的一端和tpa3116系列功放芯片mute引腳,電阻r316的另一端接tpa3116系列功放芯片的電源avcc引腳。
本例的延時模塊包括極性電容c309,所述極性電容c309與電阻r316并聯,其中,負極接tpa3116系列功放芯片的電源avcc引腳。
本實用新型利用q301/npn三極管ttl的邏輯關系處理置高靜音,置低打開功放輸出。當打開電源時pvcc立馬送到功放icu307的pvcc腳,功放處于待機狀態。如果引腳12處于低電平時功放被打開。
本實用新型利用電阻電容的充放電的時間進行處理,同時利用三極管ttl的邏輯關系,其功能效果同樣達到甚至超過mcu延時控制的效果,電阻r316與r310進行分壓使12pin/mute腳并通過q301/8050三極管的ttl邏輯關系對功放輸出進行控制。其中電阻r316為100k,r310為1k。如果三級管q301/8050基極處于0.6v以下的低電平,三極管q301截止,也就是三極管q301開關沒打開。由于電阻r310懸空,電阻r316與r310的分壓關系不成立,12pin/mute處于高電平的狀態,功放處于muting(靜音)狀態,功放被muting沒輸出。如果三級管q301基極處于0.6v以上的高電平,三極管處于飽和狀態,也就是電阻r310被接地,電阻r316與r310的分壓關系成立。功放icu307的12pin/mute處于1/100*pvcc低電平的狀態,功放處于輸出狀態。如果讓功放icu307的12pin/mute腳置高置低狀態與電源供電的時序不進行合理延時的話,還是會有開關機沖擊聲輸出。本實用信息在打開電源后必須保證12pin/mute腳至于高電平狀態,其時序占空比大于開關機沖擊電信號經前級放大和功率放大時序占空比。鑒于此考慮,因為電容在充放電期間,剛接通電源時電容是短路的,也就是開機瞬間將pvcc同時加到電源腳時也同時加到12pin/mute腳上,使之處于高電平狀態tpa3116功放也處于關閉狀態。隨著時間的增加也就是充電時間的增加,電容正負極的電容壓降達到一定值時,因為在開關機時沖擊電平也會通過電路回路放大,繼而驅動三極管q301,使之ttl邏輯關系也成立,功放輸出被打開,電阻r316與r310的分壓關系成立,這時會產生打開功放而出現沖擊聲。為使在開機期間保證對tpa311612pin/mute有效置高,其驅動原理見圖2的說明。其高電平時序邏輯必須大于開機沖擊電信號送達功放的時序,這樣就有效避開了開機沖擊。因此本實用新型的電路中在電阻r316并有一個47u/25v的電解電容c309就是保證12pin/mute開關機產生延時處理的時序邏輯,其時間常數為4.7秒。這個4.7秒是指r316并有一個47u/25v的電解電容時間常數關系,其實還包含功放電路中r325與avcc&pvcc到功放icu307的17,18,19,31,32等pin腳的內阻,也包含tpa3116功放ic12pin到地電阻r310與功放ic與地的內阻。這個時序4.7秒非常重要的參數,但實際開機延時時間常數不是4.7秒,是遠遠小于4.7秒的一個數值,實測時序占空比約400~500毫秒,顯然400~500毫秒小于1.4秒,也就是說,在開機沖擊電平信號到達功放時功放還處于mute狀態,因此,能夠有效防止開機沖擊po-ponoise。
本實用新型的三極管q301/8050,r309/4k7,c301/10uf這三個元件組成12pin的時序開關,當r309前面有高電平輸入時,三極管q301開關特性打開。也就是q301三極管的ttl邏輯關系。三級管q301/8050基極處于0.6v以上的高電平,三極管飽和,r316與r310的分壓關系成立。12pin/mute處于1/100*pvcc低電平的狀態,功放處于輸出狀態。本例電路中在q301/8050的基極有一個c301/10uf的電解電容接地,也是利用電容瞬間短路充放電的原理進行延時,消除三極管q301/8050產生電子開關的二次電信號沖擊。r309與c301的時間常數為:47毫秒。它有效緩解和消除三極管q301/8050產生電子開關的二次電信號沖擊。
如圖3所示,本例通過控制模塊驅動時序開關,提供打開q301三極管的ttl邏輯關系的電平。
作為本實用新型的一個實施例,本例控制模塊包括信號放大單元、整流單元、時間控制單元、開關控制單元,其中,所述信號放大單元的輸入端與音頻輸入電路的輸出端相連,輸出端與整流單元的輸入端相連,所述整流單元的輸出端與開關控制單元的輸入端相連,所述時間控制單元控制所述開關控制單元的工作時間,所述開關控制單元的輸出端與時序開關的控制端相連。
本實用新型的信號放大電路為多級放大電路,包括分別具有放大作用的2個以上運放串聯而成。本例信號放大電路包括運放u306b、運放u306a和運放u202a及其外圍阻容器件,其中,
所述運放u306b的正相輸入引腳5接地,反相輸入引腳6通過串聯的電阻r420和電容c416接音頻輸入電路的輸出端,并通過并聯的電阻r422和電容c418接運放u306b的輸出引腳7,所述運放u306b的輸出引腳7通過串聯的電容c415和電阻r419接運放u306a的反相輸入引腳2,
所述運放u306a的反相輸入引腳2通過并聯的電阻r421和電容c417接運放u306a的輸出引腳1,所述運放u306a的正相輸入引腳3接地,電源引腳8分別與接地電容c413和電阻r417的一端相連,電阻r417的另一端接+15v電源,電源引腳4分別與接地電容c412和電阻r413的一端相連,電阻r413的另一端接-15v電源,所述運放u306a的輸出引腳1通過串聯的電容c411和電阻r228接運放u202a的反相輸入引腳2,
所述運放u202a的反相輸入引腳2通過并聯的電阻r224和電容c236接運放u202a的輸出引腳1,所述運放u306a的正相輸入引腳3接地,電源引腳8分別與接地電容c233和電阻r234的一端相連,電阻r234的另一端接+15v電源,電源引腳4分別與接地電容c235和電阻r236的一端相連,電阻r236的另一端接-15v電源,所述運放u202a的輸出引腳1通過電容c237接整流單元輸入端。
本例開關控制單元包括運放u202b及其外圍阻容器件,所述u202b的正相輸入引腳5通過電阻r423接整流單元和時間控制單元輸出端,反相輸入引腳6分別與電阻r231、電阻r232、電容c2334的一端相連,并通過電容c233接輸出引腳7,所述電阻r231另一端接+15v電源,電阻r232、電容c234另一端分別接地,所述u202b的輸出引腳接時序開關控制端。
本例時間控制單元包括極性電容c302和電阻r411,其中,所述極性電容c302的正極和電阻r411的一端接整流單元輸出端和電阻r423輸入端之間,所述極性電容c302的負極和電阻r411的另一端接地。
本例的整流單元包括二極管d101和二極管d102,其中,所述二極管d101的負極和二極管d102的正極分別接信號放大單元輸出端,所述二極管d102輸出端接開關控制單元輸入端,二極管d101正極接。
本例的控制模塊工作原理為:
在有音頻信號輸入時取出一路信號經運放u306b,u306a,u202a三級放大,每級放大倍數為10倍,也就是輸入音頻信號為1mv時*10*10*10=1000mv,經二極管d101和d102整流變成1.4v直流,這個音頻直流經電阻r423緩沖后送入運放u202b/5pin正相輸入腳,與為u202b6腳r231/220k&r232/1k*(+15v)=68mv反相輸入進行比較。當音頻直流大于68mv時7pin輸出高電平通過電阻r309驅動三極管q301對tpa3116功放進行關閉和打開。
本控制電路有兩個作用:1.在沒音頻輸入時關斷功放,有音頻輸入時打開功放,做到一種節能的方式。2.在關機時搶在關機沖擊電平送入功放前關斷功放,達到消除關機出現po-ponoise沖擊聲。
本實用新型電路中在二極管d101/d102輸出端增加整流濾波電容c302/10uf,既有濾波功能也有時間控制功能,也就是控制直流電平在運放u202b的正向輸入引腳5pin的時間長短,使運放u202b的輸出引腳7pin的輸出電平在合理時間進行翻轉。起到打開和關斷tpa3116功放的功能。與電容c302/10uf并聯的電阻r411/10k能決定運放u202b7pin高低電平的翻轉時間。當音頻信號切斷后音頻直流能保持100毫秒的時間。這個100毫秒的時間常數非常重要,時間太長關機沖擊電平會在功放關斷前送入功放輸出產生很大的關機沖擊聲,太短又會在小信號時音頻因為對q301/8050驅動時間不夠而出現斷音。既可以防止斷音又可以在關電源產生沖擊電平送入功放間使u202b7pin輸出電壓翻轉提前關斷tpa3116靜音功能,達到防止關機沖擊聲的輸出。
綜上,本電路完美的達到了防止開關機沖擊聲對消費者的噪聲傷害,也避開了由mcu延時控制的硬軟件開發和成本的上升。同時也通過電路原理與理論計算相結合完成了此電路的正確性,同時裝備的產品也驗證了此電路的可靠性。
以上所述之具體實施方式為本實用新型的較佳實施方式,并非以此限定本實用新型的具體實施范圍,本實用新型的范圍包括并不限于本具體實施方式,凡依照本實用新型所作的等效變化均在本實用新型的保護范圍內。

本實用新型涉及一種音箱電路,尤其涉及一種消除tpa3116系列功放開關機沖擊聲的電路。 |