作者:STEVE TARANOVICH
自從推出半導體放大器以來,模擬和混合信號設計人員就一直在其電路設計中面臨放大器1 / f噪聲以及DC偏移和漂移的挑戰。該博客旨在為設計師提供有關如何在其設計中實現斬波穩定的基本知識。
根據凌力爾特公司(Linear Technology)的吉姆·威廉姆斯(Jim Williams)所說,斬波穩定的方法是由EA戈德堡(EA Goldberg)在1948年開發的,它使用放大器的輸入來對交流載波進行幅度調制。該載波被放大并同步解調回DC,并提供放大器的輸出。由于直流輸入被轉換為交流信號并放大為交流信號,因此放大器的直流項不會影響整體漂移。因此,斬波穩定型放大器與傳統差分類型相比,可實現更低的時間和溫度漂移。

圖1開關在經典的斬波穩定型運算放大器中實現調制。資料來源:ADI公司
如圖1所示,開關執行調制,從而使輸入在斬波頻率下乘以方波。結果,由于輸入抗混疊濾波器,放大器將僅使低頻通過。
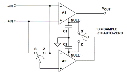
現在,讓我們看一個改進的自動歸零或斬波穩定放大器(圖2)。

圖2該圖顯示了一種改進的自動歸零或斬波穩定放大器。資料來源:ADI公司
在此,A1是主放大器,其中輸入信號始終連接到輸出,而A2執行歸零自動歸零放大器功能。
該做什么和不該做什么
要注意避免與容性負載發生共振
設計人員需要了解運算放大器的復數輸出阻抗(Z0)及其與容性負載的相互作用。一旦補償了運算放大器,應用電路將變得穩定。
避免1 / f噪音
避免1 / f噪聲的一種方法是將信號調制到沒有1 / f噪聲的區域,然后對其進行解調。這種被稱為斬波穩定的方法已經使用了很多年,以將1 / f噪聲移至另一個頻帶,在該頻帶中可以將其濾除。零漂移運算放大器利用這種方法來獲得從0.1 Hz到10 Hz的接近100 nV pp(16 nV rms)的噪聲電平,這主要是由白噪聲引起的。
不要以為現代斬波運算放大器會消除對標準運算放大器的需求
但是,當今的新一代斬波放大器在更廣泛的應用領域中很有用。它們具有強大的失調電壓穩定性,幾乎沒有閃爍噪聲,并且具有非常接近標準運算放大器的性能。
現實世界中的設計實例
通常與物聯網(IoT)應用相關的加速度計,角速度傳感器和霍爾傳感器等設備在從模擬輸入信號轉換為數字信號時需要高效的后處理。電壓至頻率轉換器是此處的解決方案,電壓至頻率轉換的關鍵部分是精密運算放大器。
斬波穩定型運算放大器是精密運算放大器,可不斷校正放大器輸入兩端的低頻誤差。
斬波運算放大器通常用于工業和儀器儀表應用,尤其是在需要低工作功率的情況下。加上合適的ADC,可實現高達24位精度的可靠性能。典型的應用可能是斬波穩定的運算放大器,用作緩沖的精密電壓或電流源,或者用作傳感器應用中的前端增益放大器,或者同時用作這兩種角色。
另一個常見的應用是可以使用高精度的24位sigma-delta ADC將壓力感測橋的輸出數字化。設計人員面臨的挑戰是,高端sigma-delta ADC的差分輸入通常需要進行緩沖,以防止其干擾傳感器性能。
在這里,斬波穩定的放大器非常適合用作該緩沖器,因為常規的儀器拓撲無法滿足噪聲,電壓偏移(VOS)或漂移規范的要求。單獨的參考電壓通常不會驅動壓力傳感器電橋。它的輸出必須經過緩沖,以確保橋接傳感器的有效電壓在溫度和時間范圍內保持穩定。
新一代的斬波器比早期的斬波器要安靜得多。現代斬波器包含一個開關電容器濾波器,該濾波器具有多個與斬波頻率及其奇次諧波對齊的陷波。在頻域中,這將產生一個sinc(x)或sin(x)/ x濾波器響應,其零點與三角波的基波和所有諧波精確對準(圖3)。
圖3斬波運算放大器的濾波器響應的輸入級顯示了新一代斬波運算放大器如何將開關電容器濾波器與具有與斬波頻率和諧波對齊的多個陷波的濾波器相結合。資料來源:德州儀器(Texas Instruments)
由于1 / f或閃爍噪聲只是一個隨時間變化的緩慢偏移電壓,因此斬波器可以消除低頻范圍內這種增加的噪聲頻譜密度中的大部分。斬波動作會將基帶信號移至斬波頻率,該頻率遠超出輸入級的1 / f區域。因此,斬波放大器的低頻信號范圍的噪聲頻譜密度等于放大器高頻范圍的噪聲頻譜密度。 |