| 當前位置:首頁->技術分享 |
|
| 兩顆CS8683并聯輸出單聲道200W/4歐應用原理圖 |
|
|
| 文章來源:永阜康科技 更新時間:2022/5/5 14:48:00 |
在線咨詢: |
| |
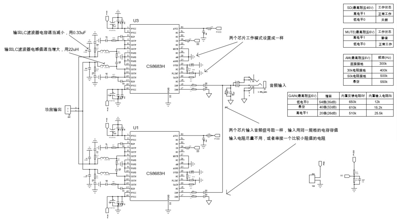
CS8683H兩個功放芯片輸出經過LC低通濾波器之后直接并聯,驅動能力加倍,負載阻抗可降低,提升輸出功率。可以實現36V供電單聲道200W/4歐持續功率輸出。

CS8683H并聯輸出200W應用電路圖 |
| |
|
|
|
|
|
| |
| |
| |
 |
您可能對以下產品感興趣 |
 |
|
 |
| 產品型號 |
功能介紹 |
兼容型號 |
封裝形式 |
工作電壓 |
備注 |
| ACM8629 |
2×50W,立體聲模式(4Ω, 24V, THD+N = 1%);100W,1×100W單聲道模式(2Ω, 24V, THD+N = 1%)
|
|
TSSOP-28(散熱片朝上,支持外接散熱器) |
4.5V-26.4V |
50W立體聲/100W單聲道、數字輸入音頻功放芯片,內置DSP多種音頻處理效果 |
| IU8689 |
2X75W/24V/4Ω/THD10%或145W/28V/3Ω/THD10% |
|
EQA-28(散熱片在背部) |
5V-28V |
低空載電流,AM抑制功能,帶主從模式,145W單聲道、2X75W立體聲D類音頻功放 |
| IU5706 |
寬輸入范圍(4.5V-24V)同步升壓控制器,支持高達36V的輸出電壓。 |
|
EQA-16 |
4.5V-24V |
具有寬輸入范圍的低靜態電流同步升壓DC-DC控制器 |
| CS8683 |
130W/30V/4Ω |
|
EQB-32(散熱片在頂部,支持外接散熱器) |
4.7V-45V |
130W單聲道D類功放IC,具有AM干擾抑制功能 |
|
| |
|
| |
|
|