前言
現如今,很多用戶除了手機之外,還配備了平板、TWS藍牙耳機、手表、手環等電子產品,并且新一代產品大多基于USB-C接口充電,這也對USB PD充電器形成了強需求。此時如果用戶僅僅使用單口充電器給設備充電,往往需要依次排隊,并且等待時間較長;而如果使用多個單口充電器,雖然緩解了多設備充電的問題,但又會在收納、攜帶等方面帶來諸多不便。

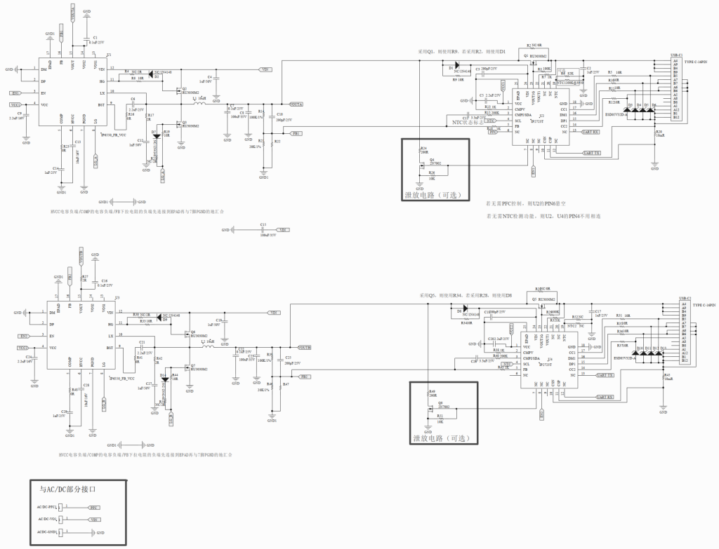
對于當下這種使用場景,傳統的單口充電器已經無法滿足用戶使用需求。既可以同時充兩臺設備,又能保持小巧便攜的充電器,成為了許多用戶的新訴求,尤其是一些雙機黨用戶,雙USB-C口充電器更是顯得尤為重要。近期英集芯推出了基于 IP6550+IP2723T 的雙USB-C口充電器方案,為快速發展的雙USB-C口充電器市場提供全新選擇。
方案介紹
英集芯 IP6550 是一款集成同步開關的降壓控制器,采用 QFN16(0303)封裝。支持最大 36V 輸入電壓,集成電感峰值限流和雙路輸出平均電流限流功能; 支持 DCP(BC1.2、Apple、三星)協議的雙口輸出器件,為車載充電器、適配器、智能排插、行車記錄儀提供完整的解決方案。

英集芯 IP6550 的輸出電壓帶有線補功能,輸出電流增大后會相應提高輸出電壓,用以補償連接線阻抗引起的電壓下降。 支持軟啟動功能,可以防止啟動時的沖擊電流影響輸入電源的穩定。 支持輸入過壓、欠壓保護,輸出過流、過壓、欠壓、短路保護等多種保護功能。

英集芯 IP6550 支持FB 調壓方式,根據方案需要通過外圍電路設定輸出電壓; 輸出具有 CV/CC 特性,當輸出電流小于設定值,輸出 CV 模式,輸出電壓恒定;當輸出電流大于設定值,輸出 CC 模式,輸出電壓降低。
方案中與 IP6550 搭配的協議IC是IP2723T,IP2723T 是一款集成多種協議、用于 USB 輸出端口的MTP架構快充協議 IC,可根據不同客戶需求配置不同的功率分配以及其它拓展功能。為適配器、車充等單向輸出應用提供完整的 TYPE-C 解決方案。

英集芯 IP2723T 具備高集成度與豐富功能,在應用時僅需極少的外圍器件,有效減小整體方案的尺寸,降低 BOM 成本。支持USB PD2.0/PD3.0/PPS、HVDCP QC4/QC4+/QC3.0/QC2.0、華為FCP/SCP、三星AFC、MTK PE+ 2.0/1.1、Apple 2.4A、BC1.2等多種協議。
此款方案雙路均采用IP2723T搭配IP6550,通過雙路IP2723T之間的12/13腳進行URAT通訊,來相互傳輸每個口的狀態信息,可以實現用C1口的IP2723T來控制PFC電路。

此款方案可以實現通過判斷每個口接入的設備來動態調整分配功率,例如C1口接電腦,C2口接手機,那就可以把大部分功率分配給C1口,C2口分配小功率。反之C2口接電腦,C1接手機,那就C2口分大功率。如果兩個口都接電腦,那就平均分配功率。 |