RT7885 是目前最強的移動電源解決方案之一,而且它還有一個重要的特性Bidirectional,即“雙向的”,它說明RT7885內含的Buck-Boost轉換器是可以雙向工作的,這是設計中的關鍵之處,它的使用最大化地簡化了產品結構,讓高性能移動電源的設計變成了可能。
實際上,使用 PD 協議的 USB Type-C 接口是可以支持雙重角色的:與用電設備連接時,它可以供電;供電設備接入時,它可以受電為己所用,這樣的特性正好符合移動電源的需要,我們可以用這樣的端口為它充電,又可以用這樣的端口為負載供電。
普通移動電源的充電端口和供電端口是分離的,因為供電路徑和受電路徑完全不一樣,這樣就需要使用各自獨立的電壓、電流轉換器件,一個負責將外部供電轉換為適合電池充電的信號,一個負責將電池電壓轉換為外部設備需要的電壓。
改用 USB Type-C 接口并實施 PD 協議以后,同樣的電源架構也可以套用,但是因為接口可以是雙重角色的,所以需要在接口內部加入切換電路,而電源轉換的部分仍然維持原有狀態,重要的功率器件仍然需要兩套,這就必然使得移動電源的設計變得復雜且器件眾多,空間占用也多,成本也會很高,這還沒有計算實施 PD 協議的部分呢。
在探索 USB Type-C 接口移動電源解決方案的過程中,立锜曾經設計過一種各部獨立的解決方案,如下圖所示(僅供參考,不要考慮用它):

其中的 RT9485 是一款獨立的移動電源芯片(現在沒有對外銷售),可以 Buck 模式為電池充電,也可以 Boost 模式為外部設備供電,內含 MCU 可以操控所有的事情。當需要通過 USB Type-C 接口對外供電的時候,Boost 轉換器 RT4813 進入工作狀態,其輸出用電子開關接入 VBUS,完成對外供電的功能。RT1711 是 USB Type-C 接口控制器和 PD 協議處理器,它是使得這樣組合起來的系統能符合 PD 標準要求的必要部分。整個系統的電路如下圖所示:

這款設計雖然沒有大量走入應用,但性能表現還是不錯的,我現在還時不時地用一用由它構成的樣機。
與這樣的設計相比,RT7885 厲害的地方就是把所有的問題都簡化到了極致,用它設計的功率轉換電路是可以雙向工作的,外部供電的時候工作于對內電池的充電模式,需要對外供電的時候又工作于電壓轉換模式,一點都沒有浪費的地方,而且雙向的工作都可以升壓和降壓,也都具備輸入、輸出端電壓和電流的調節控制,所用電池可以是 1 ~ 4 節串聯,還具有電池均衡管理功能(只針對兩節電芯串聯的應用)。
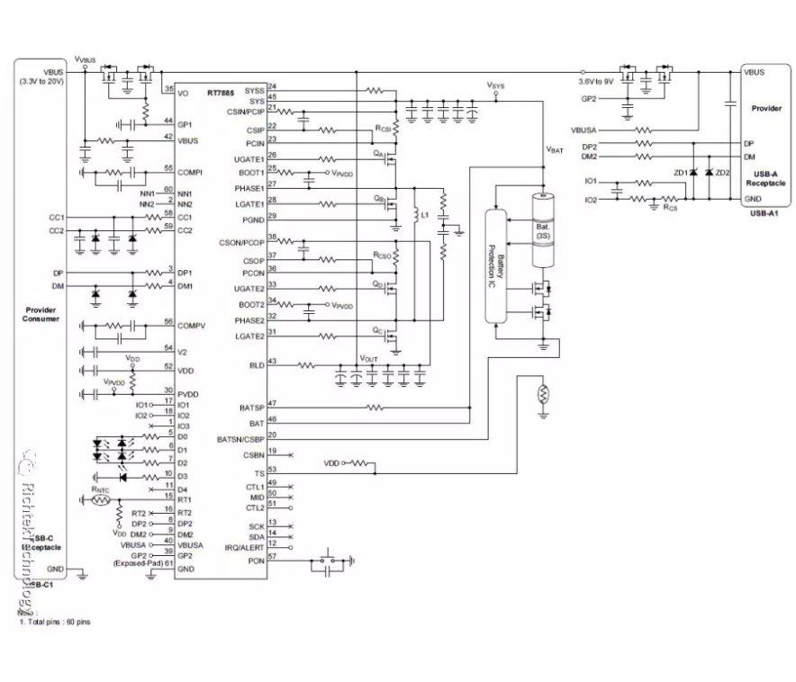
關于芯片細節的東西我們就不進一步涉及了,那是從事專業工作的人才真正關心的,這樣的人一定要去看規格書(文末的閱讀原文可以直接抵達),現在讓我們一起欣賞一下由 RT7885 構成的系統框圖:

圖片中間部分的 QA、QB、QC、QD 和 L1 便是構成雙向 Buck-Boost 的核心元件,Q1A/B、Q2A/B 是實現端口電源阻斷控制的開關。假如需要 2 個以上的 A 型端口,右上角的那塊電路就需要另行加入。由于同時支持 C 型和 A 型接口,RT7885 的控制核心又是 MCU,世上現存的各種協議它都能支持,所以需要設計強悍移動電源的讀者可以特別關注。
下面是可資參考的 1C1A 應用電路圖,供關注細節的讀者參考。
(注:1C1A 表示有一個 A 型接口,有一個 C 型接口)

|