引言
目前中大功率拉桿音箱主要采用12V鉛酸電池為供電電源,在電源直供的時候,一般的功放芯片輸出功率在20W左右(喇叭為4歐、THD10%)。超過50W的功率現階段市場上主要采用升壓芯片+TPA3116的組合解決方案。
隨著競爭的加劇,音響廠家對于成本的控制、國產替代的需求越來越迫切。深圳市永阜康科技有限公司推出基于IU8689+IU5706、單聲道100W/立體聲2x60W同步升壓+功放IC大功率拉桿音箱應用組合方案,升壓效率高達96%。在提供更大功率輸出的前提下,整套方案組合極具性價比。
IU8689+IU5706功率輸出典型指標
單聲道:108W/28V/4歐/THD10%

立體聲:2*75W/24V/4歐/THD10%

方案說明
1、采用IU5706高效同步升壓控制器。此芯片4.5V-24V輸入電壓(涵蓋2-5節鋰電、鉛酸電池作為電源的應用),輸出電壓最高36V,并且能夠為負載提供8A持續電流,效率高達96%,采用EQA-16封裝。
IU5706腳位定義圖以及管腳說明


2、采用IU8689大功率D類音頻功放IC,工作電壓4.5V-28V,25V提供2x70W/4歐 ( THD+N=1%)持續功率輸出;28V提供100W/4歐 ( THD+N=10%)持續功率輸出;低Rdson(相比TPA3116更。WC音質有足夠的下潛度;采用EQB-28封裝(散熱片在背部,支持外接散熱器)。
IU8689腳位定義圖以及管腳說明


3、IU5706支持12V升壓至24V,給兩顆IU8689供電,輸出4x65W/4歐 ( THD+N=1%);IU8689主從模式可實現多顆芯片無限級聯功率輸出,此應用非常適合車載音頻后裝市場。
IU8689主從模式應用圖

應用信息
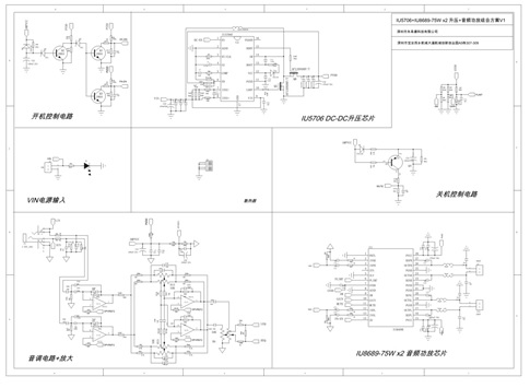
1. IU8689+IU5706 DEMO板原理圖

2. IU8689+IU5706 DEMO板頂層設計圖

3. IU8689+IU5706 DEMO板底層設計圖

4. IU8689+IU5706 DEMO板貼片圖

5. IU8689+IU5706 DEMO板物料清單

6. IU8689+IU5706 DEMO板實物圖

|