無刷直流 (BLDC) 電機的日益普及是由于使用了電子換向。這取代了由刷子在換向器上摩擦以激勵直流電機電樞中的繞組的傳統機制。而BLDC 電機可以采用不同的物理配置構建,根據定子繞組,這些可以配置為單相、兩相或三相電機。
其中,單相感應馬達和單相無刷直流(BLDC)馬達已存在多年,廣泛部署于家用電器(如冰箱)、工業空調系統及其他眾多應用,提供了一個相對便宜驅動風扇的方法。雖然這類應用的物料成本很低,但這是錯誤的省錢方式,因為普遍存在于馬達的低能效工作意味著相關功耗將維持在高水平,因此電費會更高。
此外,單相BLDC馬達產生的相當大的噪聲所引起的麻煩也要列入考慮。隨著更強勁的國際環境立法及更多的消費者開始在意能效,都促進過時的固定速度單相感應馬達轉向可調速同步馬達發展。
基于此,精密三相BLDC馬達對于當今更注重節能的時代變得越來越有吸引力。這些組件毋需機械換向器(這對有刷馬達是必備條件),因此機械不易磨損,從而可靠度更高、使用壽命更長,也支持更高的能效水平。所以,目前最常用的是帶有永磁轉子的三相 BLDC 電機。
下面,向大家介紹兩款峰岹熱門開發板。
PART 01 FT8215Q開發板介紹
FT8215Q是一款三相、無傳感器FOC控制直流無刷馬達驅動IC,內置驅動MOS。支持5V-18V直流電源輸入,最大可支持2A工作電流。
FT8215Q開發板是為開發者而設計的專用測試板,開發板留有電源接線端、U/V/W接線端、仿真器插座、各功能接口。開發者可仿真調試電機和通信燒錄IC,以及測試PWM/VSP調速、正反轉控制、FG測速等功能。
FT8215Q開發套件包括開發板、仿真器、調試手冊、數據手冊、調試軟件、原理圖等,為開發者提供了穩定的設計參考和完善的軟件開發環境,能夠有效幫助開發者提高開發效率、縮短開發周期、優化設計質量、加快產品研發和上市時間。

FT8215Q開發板實物圖
FT8215Q開發板引腳功能

FT8215Q開發板引腳功能說明
FT8215Q開發板硬件接線

FT8215Q開發板硬件接線圖
FT8215Q開發板原理圖

FT8215Q開發板原理圖
FT8215Q開發板PCB

圖4:FT8215Q開發板布局

FT8215Q開發板PCB圖
FT8215Q芯片封裝
FT8215Q是QFN24封裝,長度和寬度均為4mm,厚度為0.75mm。芯片高度集成,封裝體積小,外圍器件少,驅動效率高,噪音低,轉矩脈動小,成本低。
FT8215Q可實現緩啟動、轉速控制、多種調速方式、多種保護功能等,支持預定位/初始位置檢測,支持順逆風啟動,芯片可多次燒錄,適用于無感三相電機的FOC正弦波驅動控制。

FT8215 QFN24(4mm*4mm*0.75mm)
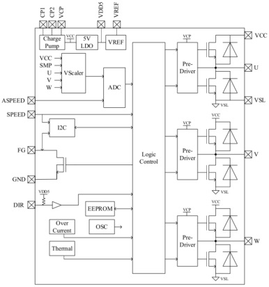
FT8215Q功能框圖
FT8215Q高度集成電機控制所需部件。內置驅動MOS,外圍元器件少。芯片內置EEPROM模塊,可配置電機參數、FOC參數、啟動和調速參數等。
FT8215Q內置多個功能模塊:系統時鐘(OSC)、ADC采樣、I2C通信、5V穩壓(LDO)、電流采樣(VScaler)、過流保護(Over Current)、過溫保護(Thermal)等模塊。外置引腳有U/V/W驅動輸出、SPEED/APSEED調速、FG輸出、正反轉DIR控制等。

FT8215Q功能框圖
FT8215Q功能說明

FT8215Q功能說明
PART 02 FT8132Q開發板介紹
基于FT8132Q三相電機控制專用IC為開發者提供的測試板,設計了MOSFET驅動電路,各種電流電壓檢測電路,HALL輸入電路,以及各類功能接口電路。可實現三相電機的無感FOC驅動,有感FOC驅動,有感SVPWM驅動,支持恒轉速、恒電流、恒功率、電壓環控制模式,支持模擬電壓、PWM、I2C、CLOCK調節電機轉速,支持 HALL、BEMF 檢測,還可實現轉速的實時反饋和電機的控制,以及各類應用方案開發的前期預研;
FT8132Q開發測試板支持5V-28V供電電壓,最大電流10A設計,支持模擬電壓、PWM、I2C、CLOCK調速,FG/RD信號反饋等,峰岹科技控制專用IC高度集成,開發者僅需以 FT8132Q+MOS為基礎即可完成電機控制相關產品的設計;同時開發者可使用配套的GUI調試軟件直接設置參數運行,無需編程,縮短產品開發周期,簡化產品的設計流程;
開發套件提供包括專用IC用戶手冊,PDF原理圖、以及上位機GUI調試界面,仿真器等,為開發者提供了穩定的設計參考和完善的軟件開發環境,能夠有效幫助開發者提高開發效率、縮短開發周期、優化設計質量、加快產品研發和上市時間。

FT8132Q開發板實物圖
FT8132Q開發板基本參數



FT8132Q開發板3D渲染圖

FT8132Q開發板平面渲染圖

FT8132Q開發板原理圖

FT8132Q開發板功能接口示意
FT8132芯片介紹
FT8132是一款三相內置Pre-driver直流無刷馬達驅動 IC。芯片高度集成,外圍元器件少,電機噪聲低,轉矩脈動小。GUI 可配置客戶電機參數、啟動和調速方式,并儲存在內置的 EEPROM。調速接口可選擇模擬電壓、PWM、I2C、CLOCK 調節電機轉速。集成轉速指示功能,可通過FG 引腳或I2C 接口實時讀取電機轉速。控制方式可選擇恒轉速、恒電流、恒功率和電壓環控制。集成過流、欠壓、過壓、外部過溫、內部過溫、堵轉、缺相、Hall異常等多種保護模式,睡眠電流約50μA。

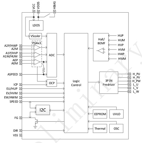
FT8132Q無感功能框圖

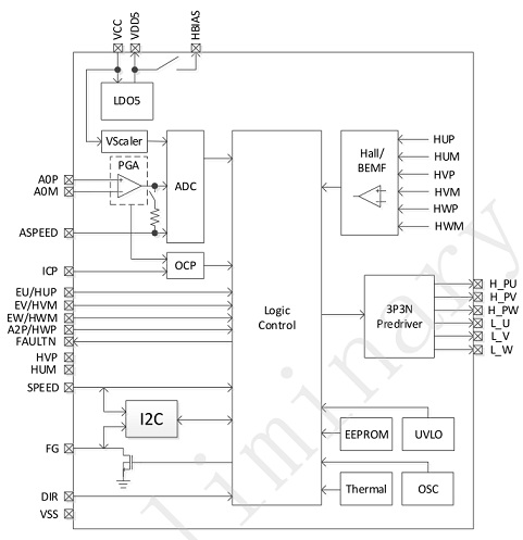
FT8132Q有感功能框圖
FT8132芯片主要參數

|