位置、速度和方向等電機旋轉信息必須準確,以便在各種新興應用中生產的驅動器和控制器——例如,在有限的印刷電路板上安裝微型元件的拾放機(印刷電路板)面積。近,電機控制已經小型化,從而在用于醫療保健的手術機器人和用于航空航天和國防的無人機中實現了新的應用。更小的電機控制器還支持工業和商業設施中的新應用。設計人員面臨的挑戰是滿足高速應用中位置反饋傳感器的高精度要求,同時將所有組件集成到有限的
PCB 空間中以安裝在微型外殼內,例如機械臂。

圖
1. 閉環電機控制反饋系統。(:Analog Devices, Inc.)
電機控制
如圖 1
所示,電機控制回路主要由電機、控制器和位置反饋接口組成。電機轉動旋轉軸,使機器的手臂相應地移動。電機控制器告訴電機何時施加力、停止或繼續旋轉。回路中的位置接口向控制器提供轉速和位置信息。該數據對于用于組裝微型表面貼裝
PCB
的貼片機的正確操作至關重要。所有這些應用都需要關于旋轉物體的準確位置測量信息。
位置傳感器的分辨率必須非常高——足以準確檢測電機軸位置,正確拾取微小元件,并將其準確放置在電路板上。此外,更高的電機轉速會導致更高的環路帶寬和更低的延遲要求。
位置反饋系統
在低端應用中,增量傳感器和比較器可能足以進行位置感測,而高端應用則需要更復雜的信號鏈。這些反饋系統包括位置傳感器、模擬前端信號調理、模數轉換器
(ADC)
及其驅動器,然后數據進入數字域。
的位置傳感器之一是光學編碼器。光學編碼器由發光二極管 (LED) 光源、附在電機軸上的標記盤和光電探測器組成。該圓盤具有不透明和透明區域的蒙版圖案,可以遮擋光線或允許光線通過。光電探測器感測產生的光,并將開/關光信號轉換為電信號。
當圓盤轉動時,光電探測器連同圓盤的圖案會產生
mV 或 μV 級別的小正弦和余弦信號。該系統在位置光學編碼器中很典型。這些信號被饋送到模擬信號調理電路,通常由分立放大器或模擬可編程增益放大器 (PGA)
組成,以將信號增益至 1 V 峰峰值范圍——通常適合 ADC 輸入電壓范圍動態范圍。然后,同步采樣 ADC
的驅動放大器會采集每個放大的正弦和余弦信號。
ADC
必須在其通道上進行同步采樣,以便在完全相同的時間點獲取正弦和余弦數據點,因為該組合提供了軸位置信息。ADC 轉換結果被傳遞到專用集成電路 (ASIC)
或微控制器。電機控制器在每個脈寬調制 (PWM) 周期查詢編碼器位置,并根據收到的指令使用此數據驅動電機。過去,系統設計人員必須權衡 ADC
速度或通道數以適應受限的電路板占位面積。

圖 2.
位置反饋系統。(:Analog Devices, Inc.)
優化位置反饋
不斷發展的技術需求導致了需要高精度位置檢測的電機控制應用的創新。光學編碼器的分辨率可以基于光盤上刻有精細光刻的槽的數量,通常是數百或數千。
將這些正弦和余弦信號插值到高速、高性能
ADC 將使我們能夠創建更高分辨率的編碼器,而無需對編碼器盤進行系統更改。例如,當以較慢的速率對編碼器正弦和余弦信號進行采樣時,捕獲的信號值較少,如圖 3
所示;這也限制了頭寸上限的準確性。

圖
3. 采樣率。(:Analog Devices, Inc.)
在圖 3 中,當 ADC 以更快的速率采樣時,會捕獲更詳細的信號值,并確定更高精度的位置。ADC
的高速采樣率允許過采樣,進一步提高噪聲性能,消除一些數字后處理需求。同時,它降低了 ADC
的輸出數據速率;也就是說,允許較慢的串行頻率信號,從而簡化數字接口。電機位置反饋系統安裝在電機組件中,在某些應用中可能非常小。因此,尺寸對于適合編碼器模塊的有限
PCB
區域至關重要。在單個微型封裝中出現的多通道組件適合節省空間。
光學編碼器位置反饋設計實例
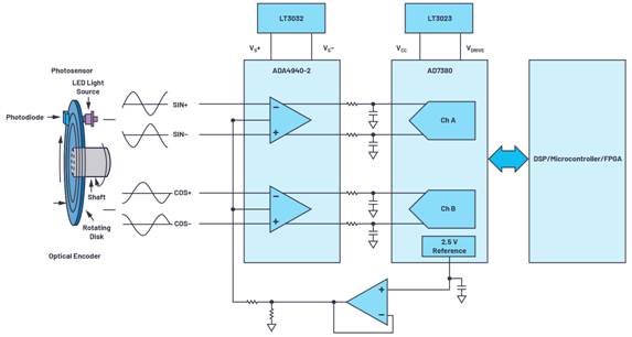
圖 4
顯示了優化的光學編碼器位置反饋系統的示例。該電路可以連接到類型的光學編碼器,其中來自編碼器的差分正弦和余弦信號可以由電路捕獲。圖 4 顯示了驅動 ADC的
ADA4940-2 前端、雙通道、全差分放大器,在本例中為 AD7380,這是一款雙通道、16 位、全差分、4 MSPS、同步采樣 SAR ADC,封裝在小型
3 mm × 3 mm LFCSP 封裝。

圖
4. 優化的反饋系統設計。(:Analog Devices, Inc.)
片上 2.5 V 基準將允許該電路的組件要求。ADC 的 VCC 和 VDRIVE 以及放大器驅動器的電源軌可以由 LDO
穩壓器供電,例如LT3023和LT3032。當連接這些參考設計時——例如,使用一個 1024 槽光學編碼器,在編碼器盤旋轉一圈時產生 1024
個周期的正弦和余弦——16 位 AD7380 以 216 個代碼對每個編碼器槽進行采樣,整體增加了編碼器分辨率高達 26 位。
4 MSPS
吞吐率可確保捕獲詳細的正弦和余弦周期,并確保編碼器位置是的。高吞吐率可實現片上過采樣,從而減少數字 ASIC
或微控制器向電機提供編碼器位置的時間損失。片上過采樣允許額外的 2 位分辨率,可與片上分辨率提升功能一起使用。分辨率提升可以進一步提高高達 28
位的精度。
電機控制系統對更高精度、更高速度和小型化的要求越來越高。光學編碼器用作電機位置傳感設備。為此,光學編碼器信號鏈在測量電機位置時必須具有高精度。高速、高吞吐量的
ADC 可準確捕獲信息并將電機位置數據饋送到控制器,從而在位置反饋系統中實現更高水平的精度和優化。
|