本應用筆記介紹了如何實現一個非承諾、隔離式SPST(單刀/單擲)雙極性電源開關,該開關可用于產生高達200A和75V的瞬變。該開關可用于測試電源和電源 IC。該開關專為測試快速電路而設計,可在數十納秒內實現導通和關斷時間。
介紹
在測試一般電源電路,特別是電源IC時,一個常見問題是需要能夠產生瞬變并處理所需的大電流和電壓脈沖的開關。這種開關必須能夠連接到各種電路拓撲,具體取決于被測電源的類型及其應用。
在某些情況下,可以使用商業測試負載;否則,有必要開發一種獨一無二的測試設置。如果開關的一側連接到電源公共電源,而電源恰好也是系統公共電源,則設置設計很簡單。如果沒有,則需要設計自定義開關驅動程序,這可能非常復雜。一個足夠通用的開關可以執行大多數電源瞬態故障測試將非常有用。這種開關的規格概述應包括最大電壓和電流額定值,以及目前市場上大多數中檔電源的測試需求。
開關應具有超過100A的電流能力,并能夠承受至少75V的開路電壓。它必須是雙極性的,用于載流和保持電壓,因為一些測試會產生振鈴電流,而一些電源電路會產生雙極性輸出。導通和關斷速度應在幾十納秒內,以便觀察快速電路的響應。開關的串聯電阻必須低。串聯電感也必須非常低,這意味著物理尺寸小且電流路徑較短。最后但并非最不重要的一點是,開關必須電氣隔離,并且具有非常低的輸出對地電容——如果要將開關插入電路而不扭曲其性能或響應,這是一個基本屬性。
電路說明
圖 1 顯示了滿足上述愿望列表中的大多數項目的開關。它采用側對側電容小于1pF的數字隔離器耦合器實現。它的總傳播延遲為 80ns,輸出上升時間約為 40ns。輸出級由兩個低R組成德森MOSFET 能夠處理任一極性的 75V、200A 瞬變。
開關元件(兩個輸出MOSFET采用反串聯連接)具有7mΩ串聯電阻和25nH串聯電感。在ON狀態下,它充當兩個極性電流(包括零交越)的線性電阻器,因此不會引入諧波失真,充當金屬觸點。

圖1.該電路使能5V邏輯信號來控制一個非專用(隔離)電源開關(Q1–Q2),該開關能夠在200V時處理75A脈沖。
對于吸收大于50A電流的低電阻負載,開關上升時間(定義為ON瞬態)主要由串聯電感決定。對于較低電流范圍,上升時間低于40ns,下降時間(關斷瞬態)主要與負載阻抗有關。
電路隔離(開關)側的電源是一組三個串聯的3V鋰硬幣原電池(CR2025二氧化錳鋰電池)。對于幾千赫茲的開關速率,這種電池類型標稱可用的 170mAh 應該支持連續使用一個多月。對于正常的測試臺應用,如果保持永久連接,電池壽命應在三個月左右。
輸入為0V至5V數字信號,其唯一要求是上升和下降時間小于20ns,最小脈沖寬度(ON或OFF)為50ns。當導通電流小于18A時,開關可以無限期地保持ON或OFF狀態。
在圖1中,IC1和IC2形成一個邊緣檢測器,根據輸入邊沿的符號,向T1初級的任一側施加窄正脈沖。另一邊仍然很低。因此,T1脈沖極性取決于施加到電路的輸入信號邊沿的極性。T1的次級連接在同相邏輯緩沖器(輸入到輸出)上,該緩沖器由雙通道低邊功率MOSFET驅動器(IC3)的一半組成。該緩沖器表現為雙穩態電路(觸發器),該電路響應T1初級端的正脈沖而設置,并響應負脈沖復位。然后,雙穩態電路輸出是電路輸入(施加到邊緣檢測器的數字輸入信號)的副本。
IC3的另一半和IC4的兩個驅動器都并聯連接。它們的輸入連接到雙穩態輸出,它們的輸出并聯連接,驅動兩個低R的柵極德森功率場效應管 (IRFB3077)。兩個 MOSFET 以反串聯方式連接,漏極連接到外部開關電源連接,兩個柵極連接在一起,兩個電源連接在一起。三個驅動器的并聯提高了功率MOSFET的開關速度,因為IC2-IC3的每一部分都可以提供4A的峰值柵極電流,三者合計為12A。MOSFET 源極連接到電池的負極。
MAX5048的輸入邏輯允許輕松實現邊緣檢測器,MAX5054 s(用作功率晶體管驅動器)的較低靜態功耗延長了電池壽命。因此,在低端(控制和隔離,IC1和IC2)和高端(電源驅動器,IC3和IC4)包括相似但不同的IC驅動器。
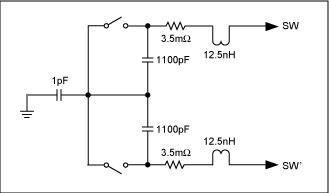
圖2顯示了電源開關的等效電路,包括主要寄生元件。與所有電源電路一樣,開關的連續功率處理能力取決于提供的散熱器。但是,由于包含散熱器會大大增加寄生輸出電容,因此該設計不包括散熱器。作為處理200A脈沖時的補償,脈沖寬度必須限制為8ms,開關占空比必須限制為最大0.5%。對于80A瞬變,脈沖不受封裝限制,因此可以持續更長時間(長達50ms),但80A瞬變的占空比不應超過3%。

圖2.這是一個電源開關電路,與圖1電路相當,但包括主要的寄生元件。
在室溫下切換無鉗位電感時,圖1電路在單個非重復脈沖中的能量吸收能力為280mJ,或在最大占空比為200%的情況下為1mJ/脈沖。
耦合變壓器設計用于最小尺寸和繞組間電容:初級線圈一匝,次級兩匝,纏繞在 Fair-Rite 2643000801 7.5mm x 7.5mm 鐵氧體磁珠上。變壓器結構還設置開關負載和開關控制電路之間的最大允許電壓差。當使用普通電磁線絕緣結構時,它可以輕松承受 1kV,如果電線用特氟龍或類似的高質量、高介電剛性絕緣材料絕緣,則可承受超過 1kV。對于更高的電壓隔離,還應審查封裝設計的所有其他方面。
T1的鐵氧體磁芯必須被認為是導電的;因此,不得允許它同時接觸交換機的兩側。該開關沒有聯鎖保護,因此在使用之前必須驗證鋰電池的狀況。未包括電路以保證通電時開關的狀態(ON或OFF)。因此,在打開設置的任何其他電源之前,必須打開交換機的電源。由于開關狀態是由施加在輸入端的第一個轉換強制的,因此在向設置的其余部分通電之前,開關應至少循環打開和關閉一次。
測試結果
在圖3–5中,頂部波形是數字輸入,底部波形是在5.0Ω阻性負載上觀察到的25μs脈沖,通過開關連接到50V電源。由于波形是在短的極低電感薄膜電阻器上產生的電壓,因此它們非常接近開關電流波形。圖200的近似3A脈沖形狀在其過沖和上升時間(60ns至80ns)方面都受到高電流路徑中寄生電感和電容的影響。圖4顯示了該脈沖的上升時間和導通傳播延遲;圖5顯示了下降時間和關斷傳播延遲。圖6–8顯示了5Ω負載和10A脈沖的相同波形,采用相同的50V電源工作。由此產生的上升時間更接近MOSFET的30ns至40ns固有開關上升時間,受封裝和源極電感的限制。

圖3.從圖1中,響應控制信號(5)的2μs脈沖(1)出現在由0.25Ω電阻與50V電源串聯的負載上。

圖4.圖3所示的上升時間和導通傳播延遲,以40ns/cm掃描速率查看。

圖5.圖3所示的下降時間和關斷傳播延遲,掃描速率為40ns/cm。

圖6.從圖1中,響應控制信號(5)的2μs脈沖(1)出現在由5Ω電阻和50V電源串聯的負載上。

圖7.圖6所示的上升時間和導通傳播延遲,以40ns/cm掃描速率查看。

圖8.圖6所示的下降時間和關斷傳播延遲,掃描速率為40ns/cm。
總結
本應用筆記說明了簡化電源測試的SPST雙極性電源開關的設計。該開關能夠承受開關瞬變期間產生的大電流和電壓脈沖,可用于測試市場上大多數中檔電源。它可以處理兩種極性的75V,200A瞬變;它在數十納秒內實現了開啟和關閉時間;它具有低串聯電阻和非常低的串聯電感;它采用電氣隔離,輸出對地電容非常低。 |