本人長期從事新能源汽車主驅電機的軟件開發工作,專注于擴展卡爾曼觀測器、高頻注入等針對電機各項參數的識別算法的研究,對市面上各個廠商的電驅方案都有所了解。本篇文章,我們將對Power Integrations(以下簡稱PI)公司電機控制軟件開發套件進行測評,其中包括上位機軟件Motor-Expert 2.0和基于
libTPCFOC_IPH_Curr_Recon_v01.00.000.a電機控制庫的下位機軟件。該軟件庫搭配PI BridgeSwitch™功率器件,能夠實現400V電壓平臺下的中小功率無刷電機驅動,適用于家用或商用的空調、風扇等,具有很廣闊的應用場景。同時由于其功率器件的高度集成化,極大的降低了硬件成本和減少了PCB占用空間。下面我們將開始具體測評。
針對文中出現的縮略詞,為避免歧義,在此提前聲明:

開發套件功能一覽
首先,我們來看看本次測評對象PI電機控制軟件開發套件的具體組成。主要包括上位機軟件Motor-Expert 2.0和下位機軟件基于
libTPCFOC_IPH_Curr_Recon_v01.00.000.a電機控制庫。
Motor-Expert 2.0是PI推出的一款嵌入C語言應用程序、庫及控制GUI的軟件,使用BridgeSwitch™無刷直流(BLDC)電機驅動器IC的設計人員,借助該軟件可對三相電機的運行性能進行精確的控制和調整。其與電機控制庫的通信協議是公開的,用戶在產品開發過程中可使用該上位機進行調試。根據說明文檔整理及軟件界面顯示,該上位機具備如下功能:電機狀態顯示、電機參數設置、電機控制指令設置、數據波形顯示(同一時刻最多四個信號)、控制臺等。
對于下位機軟件電機控制庫
libTPCFOC_IPH_Curr_Recon_v01.00.000.a,我們根據說明文檔,能夠整理發現該軟件庫具備以下功能:
-高可配置性,包括在運行過程中也可以進行配置,突出一個“靈活”
-速度環控制、扭矩環(電流環)控制
-通過使用BridgeSwitch™功率器件,對三相電流進行重建,實現三相無刷電機無感矢量控制
-支持BridgeSwitch™功率器件的錯誤總線功能。錯誤總線使用單線通信,可使三組半橋通過同一根信號線連接至單片機,向單片機傳送半橋的四個級別的欠壓、過壓、半橋過熱、驅動狀態、過流等故障信息,該功能極大的減少了單片機引腳的使用,確實優秀,本人第一次見功率器件及驅動以總線形式傳遞故障信息
-對功率器件的監控、保護
-數據記錄、回放功能,方便系統狀態診斷和系統參數調試
-與上位機軟件的通信,方便進行電機控制和數據可視化
-方便移植至其他單片機平臺。該軟件庫的Demo是基于XMC1400單片機,為Cortex-M0內核,48MHz,所以對于大部分基于Cortex-M核的單片機都可使用,只是對于支持浮點計算的單片機,有點性能浪費;使用DAVE開發環境,編譯鏈為ARM-GCC,所以移植時需考慮編譯鏈匹配。
綜上所述,該電機控制庫具有完整的電機控制環路算法,在實際使用過程中,用戶只需要專注處理如下工作:單片機硬件適配、產品應用層設計、產品參數配置。
明確套件功能后,我們的測評步驟也基本確定:首先使用XMC1400(單片機開發板)、DER-870(BridgeSwitch™器件評估板)構建電機控制硬件。然后對PI Demo程序(BridgeSwitch Three-Phase Sensorless FOC Code Library using Integrated Phase Current (IPH))進行硬件適配。再使用上位機軟件Motor-Expert 2.0進行電機控制環的參數調優。最后,使用上位機軟件對電機狀態、相關數據波形進行顯示展示。
硬件環境搭建
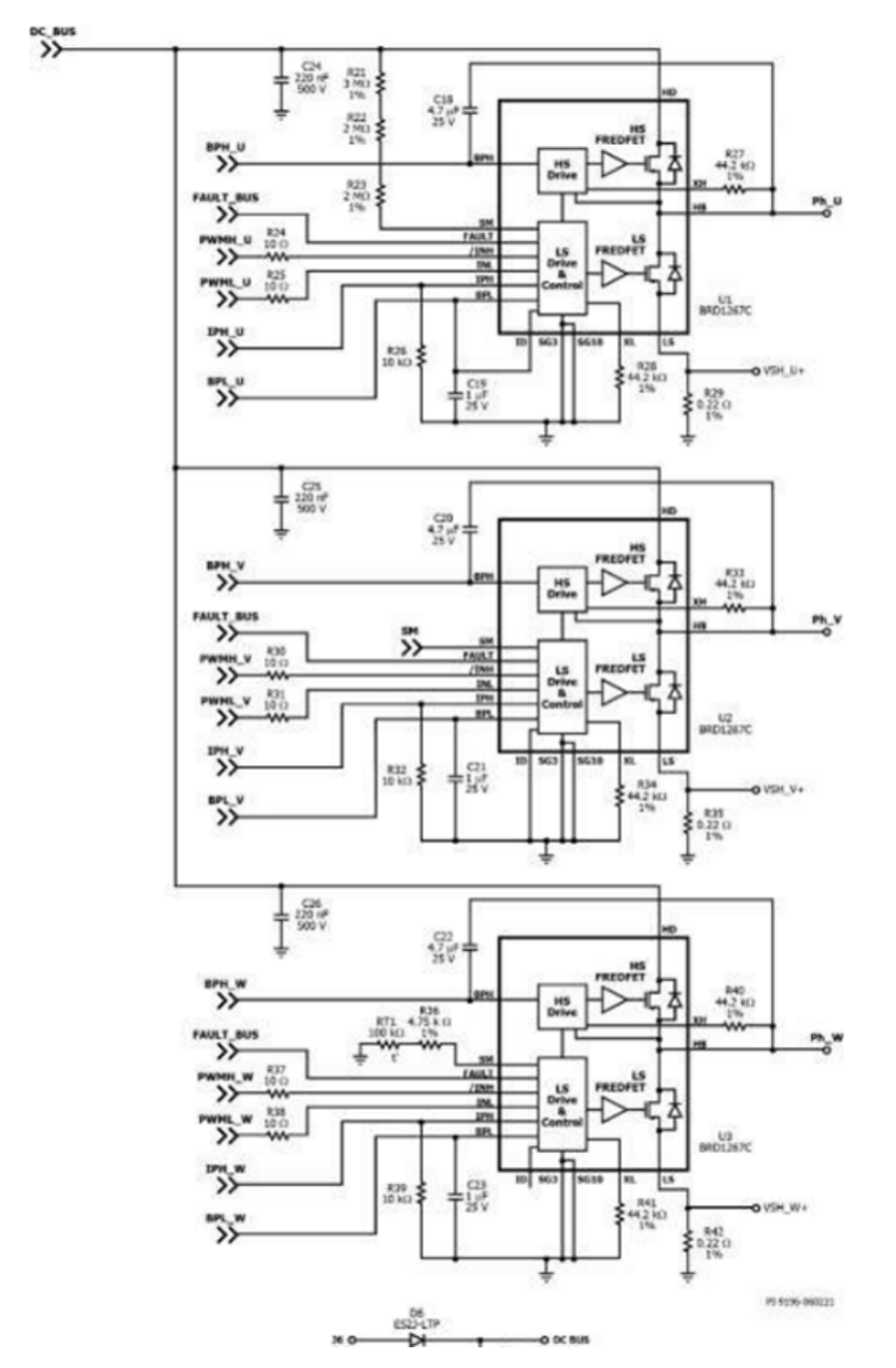
1. 逆變橋:逆變橋使用PI DER-870評估板,實物如下如所示:

該評估板使用三顆BridgeSwitch™ BRD1267C 半橋器件,原理圖如下所示

該評估板的主要外參數如下圖所示

可以看出,該半橋的電路極其簡單,只需在外圍配置電阻、電容即可正常工作。該評估板背側另有額外的電流采集電路,試用過程中下未使用,故未列出其原理。結合原理圖、參數、Datasheet可知,該評估板的電氣接口定義如下:

此外,該評估板的關鍵電信號主要包括:半橋功率器件,相電流與電流信號的對應關系為400uA/A,電流信號轉電壓信號所使用的電阻值為10KΩ,對應電壓信號為4V/A,該半橋最大輸出電流為0.7A,對應最大輸出電壓為2.8V;半橋的上橋臂使用的PWM信號為低邏輯,即當該PWM信號為低時,對應上的上橋臂導通;器件ID,逆變橋使用三個半橋功率器件,該三個半橋使用同一根FAULT_BUS信號與微控制器通信,因此需要設置每個半橋的通信識別ID,通過將半橋功率器件的ID引腳分別:連接至BPL引腳、懸空、連接SG引腳共三種方式來設置三個ID,微控制器具有默認的ID,因此無需設置。
2. XMC1400評估板

3. 連線:依據Demo文檔,接線關系如下

4.電機:電機連接如下圖所示:

電機控制軟件Demo分析
硬件環境搭建完成,讓我們來看看軟件部分。電機控制軟件Demo程序將代碼主要分為三層:硬件抽象層、電機控制算法層、電機控制應用層。硬件抽象層包括錯誤總線驅動、PWM驅動、ADC驅動、UART驅動、GPIO驅動、看門狗驅動。電機控制算法層包括FOC、反饋信號處理、V/f(壓頻)控制、PI控制器、速度環、加速度控制、狀態觀測器、相電流重構、電流環、錯誤總線監控、狀態監控。電機控制應用層包括故障處理、電機控制、數據采集、與上位機軟件的通信。
第一步:電機啟動過程
此電機控制庫所使用的轉子位置觀測算法是基于磁鏈觀測算法,當電機轉速過低、電流太小(信噪比太小)時,將導致觀測器無法穩定閉環,故需要先將電機轉速開環條件下進行轉動,其啟動過程如下圖所示:

Bootstrap階段:在低成本的逆變電路中,對于逆變橋上橋臂的門級驅動普遍采用自舉電路,通過二極管、電容來維持上橋臂開通時所需要的的門級電壓。在上圖的Bootstrap階段,當第一個半橋的上橋臂關斷、下橋臂開通時,通過二極管對自舉電容充電,使得上橋臂在下一個PWM周期內可以正常工作。
Alignment階段:此階段,通過給定一個方向恒定的電磁場,強行拉動電機轉子轉到該角度附近。
Alignment De-energize階段:上一階段后的一段空閑時間,猜測是用于等待轉子穩定下來。
Sensorless Startup階段:此階段通過開環拖動,使電機轉速逐漸提高至設定的轉速值。
Open-Loop階段:控制器輸出固定的占空比信號,使電機轉速逐漸穩定下來,預設置觀測器,用于下一階段的閉環控制。
Closed-Loop階段:基于上一階段的穩定運行,使用磁鏈觀測的方法,進行電機轉子角度、轉速的閉環觀測、電流環、轉速環、應用層等的正常運行。
第二步:電機磁鏈觀測器
磁鏈觀測器原理如下圖所示。Vs即控制器的輸出電壓,減去電機電流×電機電阻,理想情況下,為電機的反電動勢+電機電感的電壓,通過該電壓計算得到總的磁鏈,并減去由電流+電感產生的磁鏈,即可得到電機轉子的磁鏈。由此可以看出,當電機轉速過小,將導致反電動勢過小,信噪比過小,影響觀測效果。同時可以看出,電機電感、電阻、永磁體磁鏈等參數也將影響觀測器的結果的準確性。

第三步:電機轉子位置觀測器
理論上,當得到轉子的磁鏈矢量時,即可通過arctan()函數計算出電機轉子位置,但是實際中此方法計算得到的電機角度紋波毛刺過大,后需一個低通濾波器。此電機控制庫使用正交鎖相環QPLL對磁鏈矢量進行處理,即可得到低毛刺的轉子位置信號。

第四步:上位機軟件Motor-Expert 2.0
Motor-Expert 2.0軟件是PI公司針對其電機控制軟件設計的調試軟件,通過串口與目標控制器進行數據交互,完成參數配置、命令設置、數據回傳等功能。

具體使用步驟如下:
-在下位機內燒寫電機控制軟件
-連接通過USB連接下位機至PC
-點擊上位機菜單欄‘Connect’,在彈出的對話框中,選擇對應的串口號,只有選擇了正確的串口號,才能進行后續的操作
-配置參數:
✔️點擊‘Configuration’
✔️‘Motor Configuration’,電機旋轉方向,順時針或者逆時針,看需求選擇
✔️‘Current Feedback’,逆變電路參數選擇,我使用的DER-870開發板使用的器件為BRD1267,轉換電阻為10000 Ohm
✔️‘Motor Stall Monitoring’、‘Current Limit Monitoring’、‘Speed Limit Monitoring’等根據需要更改
✔️‘Motor Parameters’,根據實際填寫母線電壓、電機電阻、電感
✔️點擊‘Phasing’,此頁面的參數對應電機的啟動過程參數,當發現點擊無法啟動,或者啟動時過流,需調節此頁參
✔️電流重建、磁鏈觀測器的參數可暫時使用默認參數
✔️點擊‘Control’,分別進行電流環的參數調節、轉速換參數調節,即可進行電機的恒轉速控制。
-當電機可以較為穩定的運行后,點擊‘Vector Estimation’,我遇到的主要是‘Stator Manitude Regular’下的積分項‘KI’參數過大,導致最終計算結果角度偏差過大,D軸電流過大,體現出母線電流過大,我將‘KI’參數減小,‘KP’參數加大之后,轉速不變的情況下,母線電流大幅度減小。
在電機實際啟動過程,先通過給定固定的矢量電流進行相位對齊,此時電機會轉動一個小角度,產生抖動,這是此類無感算法的特點。在電機開環拖動過程中,如果產生明顯抖動,需要調整開環拖動期間的PWM占空比參數,有條件的,應通過測試設備實時監測電機轉速,對比設定的開環拖動參數,判斷開環拖動狀態下是否發生電機轉子磁場矢量與電磁矢量之間節拍不一致(PWM參數太小時,電機轉子轉速小于電磁矢量的轉速)。在開環狀態到閉環狀態,此時容易產生振動,需要減弱速度環的PI參數,使其轉速環性能變軟。當閉環控制穩定之后,即可進行轉速環指令的調整。
總結
本次測評,總體感受是上手很快,節約了很多時間。由于使用了官方Demo所使用的單片機開發板,整個Demo順利運行起來還是比較簡單,基本上是下班后讀讀官方的相關文檔,然后按照Demo文檔所述連接硬件,再連接上位機調參即可。由于我使用的電機電感比較小,所以在電流環的調節、磁鏈觀測器調節上占用了一定的時間。所收獲的經驗就是理解軟件的基礎算法結構,有利于根據電機的運行狀況調節參數。
同時,由于PI BridgeSwitch™功率器件典型工作電壓為340V,電壓等級為400V,最大擊穿電壓為600V,故在市電下,經過一級簡單的整流濾波后,即可作為目標設備的功率供電,相比較傳統的方案,省去了DCDC電路,節省了成本。通過直接對市電進行整流后,使用此套方案,即可用在風扇、空調、油煙機等常見的家用電器之中,在產品尺寸、成本等方面都具有明顯的優勢。
同時,也有一些建議,以期待更好的提升。由于基于磁鏈的觀測器,過于依賴反電動勢,對于極低速狀態下,無法穩定運行,建議加入高頻注入觀測器、擴展卡爾曼觀測器等進行低速區的過渡。此外,建議上位機提供二次開發接口,作為子進程運行在客戶的應用程序 |