近年來,隨著汽車電子控制技術的不斷成熟,對汽車舒適性、安全性的要求也在提高,控制系統中用于動作執行及行程控制的部件-車用微電機的應用越來越廣,催生了一項技術的應用落地,而許多人可能都還沒注意到,這就是無刷直流電機(BLDC)在汽車上的廣泛應用,其市場正在悄然興起,而且成長迅速。
汽車控制類電機通常有有刷直流電機、步進電機、空芯電機、無刷直流電機(BLDC)等。有刷直流電機曾廣泛應用于多種車載系統,如空調鼓風機、電動風扇、雨刮器、電動后視鏡和電動車窗等,但是由于存在一些固有問題,例如電刷壽命短、EMI 性能差和功效低等等,因此目前越來越多的車輛已經用無刷直流 ( BLDC ) 電機取代有刷直流電機。

BLDC 相較有刷直流電機具有更快的速度、更高的效率、更低的噪音和更高的運行可靠性,但同時也需要復雜的電子控制。在電子控制技術日趨完善的今天,無刷直流電機市場得到了迅速擴展,除了傳統車燃油泵 、冷卻水泵、HVAC 鼓風機和電子風扇之外,尤其在自動駕駛及新能源汽車上,更是得到了廣泛應用:如MCU\EMS\電池系統的風冷系統,和水冷系統中的電子水泵,空調系統的電子壓縮機,制動助力用的電子真空泵,以及AFS、座椅調節、和電動助力轉向EPS等等。![]()
![]()
下表顯示了在典型新能源汽車中電機使用的情況。總之,凡是有驅動機構運動之處都需要用到電機,而且更多地使用了無刷電機。

無刷直流電機在汽車上的應用

二、 汽車BLDC電機的競爭格局
從市場趨勢來看,亞洲由于日本的帶領而發展迅速;日本和中國是亞洲無刷電機生產的主要國家,日本由于其技術居前,在全球多個地區和國家都布局了無刷電機的廠商,主要生產高端無刷電機產品。中國前些年由于原材料和人力資源的優勢,無刷電機也開始迅速發展,但由于起步較晚,無刷電機技術基礎普遍較低,所生產的無刷電機大多以中低端產品為主。隨著中國的節能電機補貼政策的出臺和技術的進步,中國的無刷電機市場將會進一步擴大。
對于歐洲,由于起步較早,許多歐洲國家如德國、瑞士等掌握著無刷電機技術的核心技術,隨著全球市場對于高端無刷電機的需求增多,歐洲的無刷電機所占比例將會維持緩慢上升趨勢。
近年來,以博世、麥格納、大陸、德爾福等為代表的汽車零部件研發巨頭,在汽車控制電機產業通過研發積累了大量的成果,構筑了這個領域的技術壁壘。但國內也涌現出如江蘇超力、健科電子等優秀的無刷電機研發和制造企業,自主開發成功了轉向助力無刷電機,無刷電機風扇及電子水泵等可以與國際品牌競爭的無刷電機產品。
根據GrandviewResearch發布的數據顯示,亞洲市場以46.94%的市場規模占據全球首位,其次是美國,占比21.08%。

全球BLDC電機行業市場地區分布(單位%)
根據市場公開的資料,2020年全球無刷直流電機的市場規模為195.5億美元,樂觀的市場研究機構預計未來五年,市場將會以13%的年復合增長率持續增長,而中國將以15%的年復合增長率持續增長,這個市場都非常值得期待。
三、 BLDC電機的發展趨勢
1955 年美國 工程師提出了用晶體管換向代替機械電刷,標志著無刷直流電動機雛形的形成,1978 年,原西德 Mannesmann公司在漢諾威貿易博覽會上推出了方波無刷直流電動機及其驅動控制系統,無刷直流電機真正進入實用階段。其后,出現了采用120°電角度的新型換向方式,以及無位置和無電流傳感器的新型控制方案,只需采集功率開關器件的端電壓即可完成換向控制,并且可以通過占空比來控制電機的轉速。隨著單片機技術的發展,各種不同類型的單片機芯片被應用于各種無刷直流電機的控制中,根據不同的用途,可以編寫不同的程序以達到不同的控制方式來滿足其工作要求,并可針對每一種工況,選擇最優的控制方式。另外電機電控一體化的發展趨勢以及電機控制專用芯片的推出,大大提高了電子換向裝置的可靠性和成本的降低,使無刷電機成為目前電機應用領域的主流。

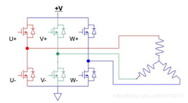
BLDC電機三相橋式驅動器電路
隨著無刷直流電機在各領域的廣泛應用,其發展有以下幾個方向:一是無位置傳感器控制技術,位置傳感器在無刷直流電機中的使用不僅會增加電機結構的復雜程度,還會增加電機的成本,因此人們開發出了通過采集電機的反電動勢來獲取轉子位置信息的算法,取代了位置傳感器的作用。二是無刷直流電機控制器的研究,其主流方向是將智能控制和 PID 控制算法結合起來,形成新型控制算法,包括模糊控制、基于遺傳算法的控制、基于神經網絡的控制等。三是驅動電路的MOSFET管有被碳化硅器件替代的趨勢。在構成方面趨于電機控制單元(MCU)+電機集成為動力包(PowerPack)的系統方案。另外針對自動駕駛以及電動智能車的功能安全保障,具有故障失效安全的冗余雙繞組電機的開發也在研發試制階段,引領行業潮流。




