近日,德州儀器推出了全新的100V氮化鎵——LMG2100和LMG3100系列產品,補充了公司在100V左右中壓市場的空白。借助新一代氮化鎵,以及熱增強雙面冷卻封裝技術,可簡化中壓應用的熱設計并實現大于1.5kW/in3的超高功率密度。
德州儀器氮化鎵業務負責人楊斐博士詳細介紹了該產品以及氮化鎵在中壓市場的新動向。

德州儀器廣泛的氮化鎵產品組合
功率密度貫穿電源設計趨勢始終
楊斐表示,隨著AI、電動汽車、能源等行業應用越來越復雜,處理器及系統的功耗越來越大,這也對電網和電源提出了更高要求。在功率提升的同時,整個系統的尺寸并沒有變化,比如服務器還是傳統的機架,汽車上留給電源的尺寸不變,新能源行業也需要設備越來越小型化,集成化。
功率密度的提高通常與效率或成本等其他領域的發展息息相關。一般而言,功率轉換效率的根本性提高可減小解決方案的尺寸。減小尺寸會產生一系列連鎖反應,物理材料更少、組件更少、成本結構更好、解決方案集成更多以及總體擁有成本更低,從而實現成本的節省。
第三代半導體代表之一的氮化鎵,相比傳統的硅器件有更低的開關損耗,以及更高的開關頻率。更高的開關頻率可以選擇更小的電感、變壓器和電容,從而提升電源系統的功率密度。
“具體系統效率的提升取決于拓撲,比如針對微型逆變器,硅器件的效率一般在 94% 到 96%,如果使用氮化鎵則可以輕松達到 98%。”楊斐舉例道。
當然還有其他的應用,比如共驅系統。電驅系統可以通過電源設計頻率的提升,對電機、輸出 THD、散熱及成本等參數實現優化。

電源優化器方框圖
高集成的氮化鎵
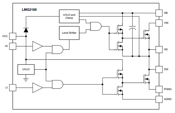
楊斐表示,氮化鎵由于頻率高,因此開關的dv/dt、di/dt都是快速切換的,這就給驅動、PCB布線等設計帶來了巨大挑戰。
“TI的做法是把氮化鎵的功率器件和驅動集成在一起,通過優化內部參數和驅動,可以充分發揮出氮化鎵的優勢,用戶無需考慮額外的布局布線問題,同時也可以確保產品一致性。”楊斐解釋道。

LMG2100產品功能圖
根據TI給出的數據,相比于傳統硅,采用集成驅動的氮化鎵系統可以將PCB面積縮小40%,一方面是通過氮化鎵實現,另外則是通過高集成簡化了驅動設計。
除了驅動之外,TI的氮化鎵產品還集成了諸多保護功能,包括過流、短路、欠壓、電流檢測、過溫保護等等,比如內部自舉電源電壓鉗位,可防止 GaN FET 過驅動。
另外則是TI在封裝上的創新。此次新品,TI采用了雙面冷卻封裝技術,增強了散熱水平,從而進一步提高了功率密度。
楊斐表示,DC/DC轉換模塊商目前都接受了氮化鎵的優勢,且正在各類開發過程中,每個廠家都有獨特的拓撲、優化等不同的考量,因此目前對于兼容性的可替換性需求不大,客戶也不需要不同廠商產品的兼容,因此更高集成度的產品是目前客戶最喜歡的方式,可以加速他們的創新過程。
中壓氮化鎵的廣泛應用
在TI《GaN 將革新四種中壓應用的電子設計》白皮書中,TI指出了除了業界已經采用的高壓 GaN(額定值 >=600V)外,新的中壓 GaN 解決方案(額定值 80V-200V)也日益受到歡迎,可在高壓 GaN 之前無法支持的電源系統中實現更高的功率密度和效率。
TI例舉了四個中壓氮化鎵潛在的應用爆點。包括在太陽能微型逆變器、電源優化器中的DC/DC,服務器中的電源單元(PSU)、中間總線轉換器(IBC)、電池備份單元,電信電源以及電機驅動。

服務器電源方框圖
另外,包括通用直流/直流轉換、D類音頻放大器以及電池測試和化成設備等場景,都可以充分利用氮化鎵高開關頻率低功率損耗的特性。比如針對精密伺服系統,氮化鎵可以減少電路尺寸,提高轉矩并減少紋波。而對于D類音頻放大器,氮化鎵可以提高工作頻率保持高效率的同時,降低信號的失真度。
而為了充分體現氮化鎵的優勢,TI也是一口氣推出了六個參考設計,涵蓋了方方面面的應用。

參考設計一覽
總結
手機充電器中正在廣泛使用氮化鎵,這證明了市場對于該產品的接受度越來越高,也越來越意識到其高功率密度的特性。隨著TI等大型電源供應商進入中壓市場,相信會有越來越多的功率相關場景嘗試氮化鎵,其優勢也將不止在快充上得以充分體現。 |