模擬開關定義
模擬開關(Analog switches)主要是完成信號鏈路中的信號切換功能。采用MOS管的開關方式實現了對信號鏈路關斷或者打開,由于其功能類似于開關,而用模擬器件的特性實現,稱為模擬開關。模擬開關回路可以實現較高的關斷阻抗,一般是兆歐姆以上的關斷阻抗,這是模擬開關的作用之一。為增加大家對模擬開關的認識,本文將介紹模擬開關的作用、模擬開關的選擇方法。
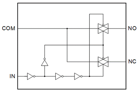
工作原理

圖1 模擬開關工作原理
模擬開關工作原理如圖1,當IN端輸入低時,通過邏輯控制使得COM和NC之間的通道閉合,COM和NO之間的通道斷開,IN端為高時,則與之相反。

圖2 傳輸門開關原理圖
圖2為NO/NC口的FET(傳輸門)的原理圖,由一個N溝道晶體管和一個并聯的P溝道晶體管組成,當OE端輸入為高時,經過反相器后,P溝道導通,N溝道導通,此時A到B導通。與之相反,當OE端輸出為低時,P溝道與N溝道阻斷,此時A到B關斷。
如何選擇模擬開關
模擬開關作用主要是用于信號的切換。目前集成模擬電子開關在小信號領域已成為主導產品,與以往的機械觸點式電子開關相比,集成電子開關有許多優點,例如切換速率快、無抖動、耗電省、體積小、工作可靠且容易控制等。但也有若干缺點,如導通電阻較大、輸入電流容量有限、動態范圍小等。因而集成模擬開關主要使用在高速切換、要求系統體積小的場合。艾為的模擬開關采用CMOS工藝制成,均可應用于較寬的頻段范圍。
選擇模擬開關時需考察以下指標:
1. 通道數量
集成模擬開關通常包括多個通道。通道數量對傳輸信號的精度和開關切換速率有直接的影響,通道數越多,寄生電容就越大。因為當選通一路時,其它阻斷的通道并不是完全斷開,而是處于高阻狀態,存在泄漏電流,另外通道之間也存在著耦合與寄生電容,所以存在通道之間的相互干擾。
2. 泄漏電流
一個理想的開關要求導通時電阻為零,斷開時電阻趨于無限大,漏電流為零。而實際開關斷開時為高阻狀態,漏電流不為零,常規的CMOS漏電流約1nA。如果信號源內阻很高,傳輸信號是電流量,就特別需要考慮模擬開關的泄漏電流,一般希望泄漏電流越小越好。
3. 導通電阻
導通電阻的平坦度與導通電阻一致性。導通電阻會損失信號,使精度降低,尤其是當開關串聯的負載為低阻抗時損失更大。應用中應根據實際情況選擇導通電阻足夠低的開關。必須注意,導通電阻的值與電源電壓有直接關系,通常電源電壓越大,導通電阻就越小,而且導通電阻和泄漏電流是矛盾的。要求導通電阻小,則應擴大溝道,結果會使泄漏電流增大。導通電阻隨輸入電壓的變化會產生波動,導通電阻平坦度是指在限定的輸入電壓范圍內,導通電阻的最大起伏值ΔRON=ΔRONMAX—ΔRONMIN。它表明導通電阻的平坦程度,ΔRON應該越小越好。導通電阻一致性代表各通道導通電阻的差值,導通電阻的一致性越好,系統在采集各路信號時由開關引起的誤差也就越小。
4. 開關速度
指開關接通或斷開的速度。通常用接通時間TON和斷開時間TOFF表示。對于需要傳輸快速變化信號的場合,要求模擬開關的切換速度高,同時還應該考慮與后級采樣保持電路和A/D轉換器的速度相適應,從而以最優的性能價格比來選擇器件。
5. 開關耐壓
模擬開關由于其應用的信號鏈路為電子板低壓工作環境,耐壓值一般在15v以內,常見的有3.3v、5v、12v、15v等最大耐壓值。選擇時必須注意信號鏈路的最大電壓與器件最大耐壓值。
6. THD(總諧波失真)
該指標可以衡量模擬開關對于音頻信號的還原度,一些音頻的信號處理對THD要求嚴格,THD定義為,信號功率與諧波及噪聲的dB比值。THD與模擬開關的導通電阻的平坦度相關。一般來說,隨著導通阻抗的增加,導通阻抗平坦度(即導通阻抗在輸入電壓范圍的變化)也相應升高。而導通阻抗平坦度的升高會降低THD性能。也就是說,在輸入電壓范圍內,導通阻抗越平坦,THD性能就越好。
模擬開關應用
模擬開關與機械開關不同,在使用時需要考慮它的半導體特性:
1. 導通電阻(Ron)隨輸入信號(VIN)變化而變化

圖3 Ron與VIN關系
2. 注入電荷
應用機械開關我們當然希望Ron越低越好,因為低阻可以降低信號的損耗。然而對于模擬開關而言,低Ron并非適用于所有的應用,較低的Ron需要占據較大的芯片面積,從而產生較大的輸入電容,在每個開關周期其充電和放電過程會消耗更多的電流。時間常數t=RC,充電時間取決于負載電阻(R)和電容(C),一般持續幾十納秒。這說明低Ron具有更長的導通和關斷時間。為此,選擇模擬開關應該綜合權衡Ron和注入電荷。
3. 開關耐壓
當輸入信號過低(低于零電勢)或者過高(高于電源電壓)時,MOSFET處于反向偏置,當電壓達到某一值時(超出限值0.3V),此時開關無法正常工作,甚至損壞。因此模擬開關在應用中,一定要注意輸入信號不可超出規定的范圍。
圖四是一音響設備前端放大及信號選通部分電路,其中使用了四通道運算放大器和雙通道模擬開關:

圖4 音響前端放大及信號選通電路
該方案設計本意是當Input=0時,Line_outL和Line_outR音頻信號選通。當Input=1時,Phone_outL和Phone_outR音頻信號選通。然而當實驗機做出后,發現當Input=1時,Line_outL和Line_outR通道有相當一部分信號分別漏到D1和D2端。用網絡分析儀測試模擬開關的關斷隔離度,當輸入信號為10kHz時,開關的關斷隔離度為-120dB,因此芯片應該沒有問題。
事實上,該電路在模擬開關應用上存在下面兩處錯誤:
1. 模擬開關的輸入信號缺少一個直流偏置
模擬開關部分電路可以等效成圖五,CMOS工藝的模擬開關輸入信號最小只能到-0.3V,如果再低于這個值,芯片將不能正常工作,甚至會損壞。圖四中模擬開關輸入信號沒有直流偏置,所以輸入信號有一部分處于負值區,模擬開關自然無法正常工作。

圖5 模擬開關等效電路
解決辦法:將電容C2、C3均去掉,模擬開關輸入信號便有了1/2VDC的直流偏置信號,此時模擬開關便可以軌到軌工作。
2. 在D1和D2端缺少耦合電阻
當模擬開關在斷開的情況下,其輸入與輸出端等效串聯了一個電容C,如果再假設在模擬開關輸出端到地之間有一個等效電阻R,則模擬開關在斷開時的等效電路如圖六所示。

圖6 模擬開關斷開時等效電路
此時的模擬開關其實等效為一個RC濾波電路,由此不難得出以下公式:

其中,Uout為模擬開關輸出信號,Uin為模擬開關輸入信號,R為模擬開關輸出端電阻負載,C為模擬開關斷開時等效電容,f為輸入信號頻率。
由于模擬開關等效電容C會設計成很小,所以當輸入信號f處于音頻區時,增益A由R和f同時決定。當R取值較小時,f起主導作用,此時A<<1,信號被有效隔離。當R取值較大時,此時R起主導作用,此時A—>1,信號幾乎被完全泄漏過來。所以當輸出端懸空時,其輸出端與地之間電阻R—>+∞,此時模擬開關完全導通。
修正以上兩個錯誤后,該音頻應用電路便可以正常工作了。由以上實例可以看出,充分理解模擬開關的基本概念是正確應用模擬開關的基礎。
AW模擬開關介紹
艾為電子致力于為客戶提供更好的解決方案,擁有以下模擬開關產品可供選擇:

其中AW35301STR是一個單路單刀雙擲模擬開關,導通電阻3Ω,帶寬400MHz,采用SOT363-6L封裝,可用于音頻路由、選波、斬波、調制與解調等應用。
AW35321QNR采用綠色環保的小體積QFN 1.8mm * 1.4mm * 0.55mm – 10L封裝。0.5Ω(典型值)超低導通電阻以及只需要單電源供電即可支持負擺幅信號的特性使其非常適合應用于音頻領域該封裝占板面積小,非常適用于手機、PAD、超薄本等內部空間緊湊的電子設備。 |