當前,汽車前照燈正朝著小型化和高效節能的趨勢不斷發展。隨著燈具尺寸逐漸減小,LED驅動需要具備更大的功率,以確保在有限空間內實現高亮度的照明效果。同時,為了降低整車電耗,緩解電動車續航焦慮,高效率也成為LED驅動產品不可或缺的特性。帝奧微最新推出的LED驅動DIA89360完美契合了這一發展趨勢,將小型化和高效節能融為一體,為汽車前照燈的未來發展提供了完美的解決方案。
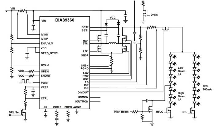
DIA89360是國內首款具有完整診斷功能的車規級四開關同步升降壓LED控制器,該架構能以最高的系統效率和最少的外部組件數量驅動大功率LED,特別適用于需要高效率且電路板空間有限的高電流近光燈,遠光燈或組合遠近光燈應用。調光方式靈活,支持模擬和數字(內部&外部)調光;提供完整的故障診斷和保護功能,集成輸入和輸出的電流檢測功能;開關頻率可調并支持展頻功能,來確保出色的EMC性能;內置高側PMOS驅動,可以驅動外部PMOS拓展高調光比應用。得益于恒流和恒壓模式的靈活調節,DIA89360也可以為USB等非LED應用供電。
產品特性
• 寬輸入電壓范圍:4.5V - 55V
• 寬輸出電壓范圍:0V - 55V
• 開關頻率范圍:200kHz - 700kHz
• 高達97%的超高效率
• LED電流精度,±3%
• 支持恒流 & 恒壓模式
• 集成軌到軌電流感測放大器,支持高側 & 低側LED電流檢測
• 優越的EMC性能:
支持展頻功能
支持外接同步時鐘
• 靈活的調光方式:
外部PWM調光
內部PWM調光
模擬調光
• 完整的診斷和保護功能:
輸入/輸出過壓,輸入欠壓,輸出開路,輸出短路,過溫
輸入/輸出電流檢測,帶專用的檢測輸出引腳
輸入電流限流
獨立的短路/開路報錯引腳
• 可調軟啟動
• 符合AEC-Q100標準
• 封裝:QFN-48,7mm*7mm

QFN-48
產品優勢
超高效率,高達97%

內部集成高側PMOS驅動
1. 拓展高調光比應用。LED電流路徑中串聯調光FET是實現高調光比所必需的;當PWM信號為低時,串聯的調光FET斷開可以防止輸出電容放電,確保了LED電流能夠實現快速的上升和下降,以此來響應高調光比的PWM輸入,如DIA89360波形;在沒有任何調光FET的情況下,輸出電容放電,輸出電壓降低,LED電流的建立有一定的延時,如競品波形,當調光比高到一定數值時,LED電流無法快速響應PWM輸入。

2. 相比于集成低側NMOS驅動,高側的PMOS驅動允許單根線束連接到LED燈串,燈串陰極接地,通過地回路與控制板相連,節省線束。
高精度調光
調光方式靈活,支持模擬調光,外部PWM調光和內部PWM調光。內部PWM的調光頻率為280Hz,調光占空比可通過改變PWMI引腳的電壓DC值來調節,不需要MCU的參與,節省MCU資源。

不同工作狀態的平穩切換
DIA89360能夠在降壓、四開關升降壓、和升壓工作區之間平穩地轉換。

單芯片驅動多個輸出
在系統電路板空間有限或系統成本預算不高的情況下,可以考慮將遠光燈,近光燈以及日行燈“包裹”在一起。因為日行燈僅在遠光燈和近光燈關閉時才會需要,故可使用單個 LED 驅動器給遠光和近光 LED 或日行燈供電。相對于傳統單通道驅動方案具有外圍元器件少、BOM成本低、效率高、EMC性能好等優點。

結語
帝奧微致力于為客戶提供更加智能、更加高效的汽車照明解決方案,為汽車前照燈的未來發展鋪平道路。期待未來,我們將與您攜手,共同見證汽車前照燈技術的卓越進步,為行車安全和舒適體驗助力! |