一、簡介
I2C(Inter-Integrated Circuit)總線是一種由Philips公司開發的兩線式串行總線,用于連接微控制器及其外圍設備。I2C總線產生于在80年代,最初為音頻和視頻設備開發。
由于其簡單性,如今方泛用于微控制器與各種功能模塊的連接,可以說是學單片機的人,入門之后,必定要涉及到的。
I2C 總線實際上已經成為一個國際標準在超過100 種不同的IC 上實現,而且得到超過50 家公司的許可,正因為其簡單和應用廣泛,因此其功能也越來不滿足人們的要求,其速度也從原來的100Kbit/S,增加了快速模式,其速度達400Kbit/S,再后來也增加了高速模式,其速度更達3.4Mbit/S。
二、功能和特點
I2C總線是一種用于IC器件之間連接的雙向二線制總線,所謂總線它上面可以掛多少器件,并且通個兩根線連接,占用空間非常的小,總線的長度可高達25英尺,并且能夠以10Kbps的最大傳輸速率支持40個組件。
它的另一優點是多主控,只要能夠進行接收和發送的設備都可以成為主控制器,當然多個主控不能同一時間工作。
I2C總線有兩根信號線,一根為SDA(數據線),一根為SCL(時鐘線),任何時候時鐘信號都是由主控器件產生。
I2C總線在傳送數據的過程中,主要有三種控制信號:起始信號,結不信號,應答信號。
-
起始信號:當SCL為高電平時,SDA由高電平轉為低電平時,開始傳送數據;
-
結束信號:當SCL為高電平時,SDA由低電平轉為高電平時,結束數據傳送;
-
應答信號:接收數據的器件在接收到8bit數據后,向發送數據的器件發出低電平信號,表示已收到數據。這個信號可以是主控器件發出,也可以是從動器件發出?傊山邮諗祿钠骷l出。
這些信號中,起始信號是必需的,結束信號和應答信號,都可以不要。
三、基本操作
下面我們以ATMEL公司的AT24C02來介紹I2C的基本操作。
AT24C02是美國ATMEL公司的低功耗CMOS串行EEPROM,它是內含256×8bit存儲空間,具有工作電壓寬(2.5~5.5V)、擦寫次數多(大于10000次)、寫入速度快(小于10ms)等特點。他在系統中始終為從動器件。
對AT24C02的操作主要有:字節讀,字節寫,頁面讀,頁面寫
首先發送起始信號,如下圖,起始信號后必須是控制字。

控制字格式如下,其中高四位為器件類型識別符(不同的芯片類型有不同的定義,EEPROM一般應為1010),接著三位為片選,也就是三個地址位,最后一位為讀寫控制位,當為1(Input)時為讀操作,為0(Output)時為寫操作。

控制字后就是相應的操作,讀或寫,一定不要結束,因為這個操作還沒有完成,如果結束就等于放棄操作。
先來看寫操作,寫操作分為字節寫和頁面寫兩種操作,對于頁面寫根據芯片的一次裝載的字節不同有所不同,AT24C02為8字節,每寫一個字節后,地址自動加1。
關于頁面寫的地址、應答和數據傳送的時序參見圖3,字節寫可以看成是只有一個字節的頁面寫,也就是寫一個數據后停止。
注意:寫一次需要一定時間,一般為10ms,要等侍這個操作完成,時序如下圖。

說明:對于AT24C02,在控制字后還必須寫入地址,這個地址是以后讀寫的起始地址。
讀操作有三種基本操作:當前地址讀、隨機讀和順序讀。三種操作方法類似,只是讀的數據個數不同,可連續讀8個字節,圖4給出的是順序讀的時序圖,圖中共讀了四個數據,需要注意的是當前的地址,如果不是想要的,可以用寫操作,重新寫入地址。
非常重要的是,每讀一個數據后,必須置低SDA,作為應答,否則,只能讀一個數據,后面的數據,因為收到不應答信號,AT24C02就會認為出錯,停止操作。
特別提醒的是,當SCL為低電平時,數據是可變的,因些只有SCL為高電平時,才能讀數。
四、例程序(51匯編,測試單片機為AT89C51,12M晶振)

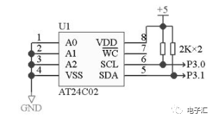
電路連接如圖5,其中A0,A1,A2為地址線,本例中全部接地,因此全部為0。由于SCL和SDA為漏極開路輸出,所以在使用時,需加上拉電阻。
五、結束語
在I2C總線的應用中應注意的事項總結為以下幾點 :
-
嚴格按照時序圖的要求進行操作;
-
若與口線上帶內部上拉電阻的單片機接口連接,可以不外加上拉電阻;
-
程序中為配合相應的傳輸速率,在對口線操作的指令后可用NOP指令加一定的延時;
-
為了減少意外的干擾信號將EEPROM內的數據改寫可用外部寫保護引腳(如果有),或者在EEPROM內部沒有用的空間寫入標志字,每次上電時或復位時做一次檢測,判斷EEPROM是否被意外改寫。
|