產品概述
隨著電子產品發展,用戶對設備可靠性要求提升,其中對端口可靠性愈發重視。USB Type-C端口采用對稱設計支持正反插,具有高速數據傳輸、高功率供電,用于數據傳輸、設備充電、視頻輸出(支持4K),音頻傳輸等,被廣泛使用。但在日常生活中,Type-C端口作為關鍵的連接部位經常會暴露在潮濕的環境中,水汽或者生活用水等各種水分滲入接口中可能會引發故障。從接觸不良、充電不穩定到設備微短路或短路,甚至導致損壞設備。為此,力芯微新推出一款耐高壓、低導通阻抗的端口高精度濕度檢測過壓保護開關ET9545L,可檢測端口潮濕及充電線纜插入后的接觸狀態。
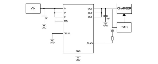
ET9545L是一款5.5A持續電流能力具有過壓保護和濕度檢測功能的大電流保護器件。在使用濕度檢測時,MD引腳連接IN或GND時觸發。將器件的MD引腳放置在靠近IN腳的位置,在正常情況下,MD引腳處于懸空態,此時VB=0.9V<VMDT=1.2V<VA=2.2V,未檢測到水分;如果有水汽此時在USB接口上,導致MD引腳連接到IN,則IN電壓將通過MD引腳傳輸到VMDT,此時VMDT>VA,檢測到水分,FLAG通過控制邏輯設置為高;如果USB接口的水汽導致MD引腳連接到GND,則VMDT<VB,檢測到水分,FLAG通過控制邏輯設置為高。檢測到水分至FLAG拉高,響應時間為1ms。
ET9545L的輸入電壓范圍為3.2至28V,內部6.8V的OVLO閾值;可以通過OVLO引腳的外部電阻來調節OVP閾值。內置±80V的浪涌保護,可以有效地防止端口的異常高壓。
ET9545L采用綠色WLCSP12-1.55×1.10mm、0.4mm間距的小型封裝,可顯著節省PCB布局空間,有效提升電路板集成密度。可在-40℃至+85℃溫度范圍內正常工作。
產品特性
管腳定義

典型應用

|