概述
HTR7216(S)是一款通過1MHz的I2C接口 (HTR7216)或10MHz SPI接口(HTR7216S)進行編程的支持18×12陣列的LED驅動芯片,每路SWx都支持8位PWM數據進行獨立調光,并且每路CSx都有8位的直流掃描數據用來支持每個點的256階的線性PWM調光,并且每個CSx都支持256階的直流電流可調節等級。
HTR7216(S)內置三個模式控制器,以提供不同的自動呼吸或群組調光控制。每個模式控制器可以工作在自動呼吸或手動控制模式。 呼吸相關參數均可設置,如上升下降沿、開/關 時間、重復次數、最高/最低亮度等。每個LED 的PWM參數可從三個模式控制器中的任意一個得到。
另外,每個LED的開路和短路狀態都能被檢測,HTR7216能夠把開路和短路信息存儲在Open-Short寄存器組中。
HTR7216(S)的工作電壓在2.7V到5.5V之間,并且關斷電流和工作電流都非常小。HTR7216支持QFN5×5-44L封裝,可在2.7V到 5.5V和-40°C to +125°C下工作。
特點
・輸入電壓范圍:2.7V-5.5V
・18路電流源(CS),12路開關(SW)
・可設置矩陣路數,最高支持18×12 = 216路
・全局256個直流設置臺階
・獨立的256階PWM調光
・獨立的256階CS電流用于調色
・3個模式控制器,用于自動呼吸或群組PWM控制
・高精度電流控制:器件間誤差±5%;通道間誤差 ±5%
・EMI和可聞噪聲的降低措施:
-相移設置
-擴頻功能
-上升下降沿可設置
・邏輯高/低電平可設置:1.4V/0.4V 或 2.4V/0.6V
・支持通過SYNC腳進行多個芯片的時鐘同步
・欠壓和過溫保護功能
・多種PWM頻率可選
・HTR7216:支持1MHz的I2C接口,16個I2C器件 地址
HTR7216S:支持10MHz SPI接口
・獨立的開路和短路錯誤檢測功能
・De-Ghost
・QFN5×5-44L
應用
智能家居設備 、IOT設備、個人消費電子 、鍵鼠等
管腳排列及定義



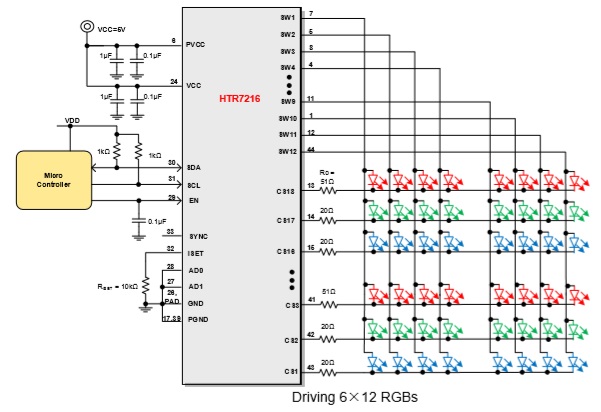
典型應用圖



詳細的產品資料及銷售聯絡信息請參看:http://www.lbxn.com.cn/products_7149.htm