|
有刷式直流電機參考設計,由DRV8701柵極驅動器、MSP430G2553IPW20超低功耗微控制器、CSD18540Q5B60V N溝道MOSFET和LMT86DCKT精密CMOS溫度傳感器等器件組成。
有刷電機由于其低價和簡單的控制方案,成為相對受歡迎的電機設計選項。有刷電機具有繞線轉子和永磁定子。電機的換向通過導電環實現:此導電環連接到轉子,而轉子使用刷子在換向器環上刮擦,從而實現換向。因此,流經電機的電流方向可根據刷子方向和不同換向環而改變。利用H橋可對有刷直流電機迅速高效地實現簡單的方向變更和速度控制變更。需要使用電子驅動器來控制有刷直流電機中的電機電流。電子驅動電路包含具有兩相逆變器的功率級(滿足所需功率強度)、用于實施電機速度命令和故障處理的微控制器、用于電機啟動/停止保護的電流感應功能、用于控制兩相逆變器的柵極驅動器以及用于微控制器和其他低壓器件的電源。
有刷式直流電機驅動電路包括:
帶有兩相逆變器的功率級滿足所需的功率容量;
微控制器實現電機速度命令和故障處理;
電機啟動/失速保護的電流檢測;
用于控制兩相逆變器的柵極驅動器。

圖示1-基于TI產品的有刷式直流電機參考設計系統架構圖
功能描述
脈寬調制(PWM)和相位控制:
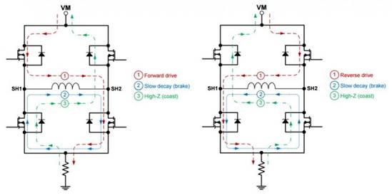
在有刷直流(BDC)電機中,可以使用一個簡單的脈寬調制(PWM)信號來控制該電機轉子的速度。由于PWM信號的占空比改變了傳送的平均電壓到電機是不同的,允許不同的轉子速度,而不會通過一個電阻電位器。然后使用兩相逆變器控制電機的方向這允許使用四個快速改變提供給電機的電流的方向獨立控制的MOSFET。如圖所示。

圖示2-TI產品的有刷直流電機工作示意圖
用于控制電機的PWM信號是使用MSP430G2553產生的。通過取樣速度電位器的滑動電壓并將該樣本與Timer_A進行比較MSP430的PWM信號具有不同的占空比和恒定的開關頻率創建。

圖示3-TI產品的有刷直流電機工作示意圖
電流斬波使用VREF
為了控制通過電機的電流,檢測電阻被放置在H橋的底部在兩個低端MOSFET的源極和地之間。一個內部運算放大器然后將DRV8701連接在檢測電阻和地之間,使驅動器可以測量電壓降并通過比例因子AV放大以產生更大的幅度值。該電壓被稱為VSO,并與VREF引腳上設置的電壓進行比較;如果VSO大于或等于VREF時,電橋停止產生柵極信號直到電壓已經降到VREF以下,如果VSO小于VREF,那么橋將繼續產生門電路信號。
VSO涉及使用等式1的通過電動機的電流:VSO=AV*(IDRIVE*RSENSE)(1)
如果VSO大于或等于VREF,則SNSOUT引腳的輸出被拉低指示驅動器故障,DRV8701正在切斷門信號。而VSO是小于VREF時,SNSOUT引腳的輸出可通過外部上拉電阻拉高至邏輯高電平表示器件工作在典型的驅動電流狀態。下面的圖顯示了電流斬波驅動電流方案。在圖中,電機正在初始驅動,電流從電源中汲取增加。一旦在檢測電阻(VSO)上測得的電壓等于或大于此值,比VREF的SNSOUT引腳被拉低,輸出門信號被切斷該PWM開關間隔的其余部分。在下一個PWM開關間隔的感應在最后一個驅動循環中,電機仍然保持一部分電流流過電機在驅動花費較少的時間駕駛電動機之前,VSO等于VREF和到橋的門信號被切斷。

圖示4-有刷直流電機工作示意圖
IDRIVE
使用DRV8701為兩相逆變器中的MOSFET提供柵極信號可以實現使用IDRIVE設置選擇ISINK和ISOURCE電流?刂频哪繕薎SOURCE和ISINK將調整提供給四個MOSFET的柵極的電流量H橋,并在沒有有源區和飽和區之間達到所需的轉換速率向設備提供過量的電流。如果MOSFET的轉換速率太低,該器件將花費太多的時間在下面的圖所示的米勒地區。

圖示5-有刷直流電機工作示意圖
產品特性
DRV8701ERGER是一款采用四個外部N溝道MOSFET的單一H橋柵極驅動器,面向雙相逆變器驅動一個雙向有刷直流電機。階段/啟用(DRV8701E)控制方案允許簡單地連接到單片機電路。一個內部檢測放大器允許使用外部檢測電阻進行可調節的電流控制。柵極驅動器包括使用固定關斷時間PWM來控制繞組電流的能力電流切斷。DRV8701采用9.5 V VGS柵極驅動器驅動高端和低端FET來自一個集成的電荷泵。所有外部FET的柵極驅動電流可以是在IDRIVE引腳上配置一個外部電阻。
MSP430G2553IPW20是一款超低功耗微控制器,由許多不同的器件組成特征。其中一些功能包括五種不同的低功耗模式,一個16位RISC CPU、16位寄存器和常量發生器。使用數字控制振蕩器(DCO)MSP430G2553可以在低于1μs的時間內從低功耗模式喚醒。
CSD18540Q5B是一款60V N溝道MOSFET,RDS額定值為1.8mΩ。該器件是功率轉換應用的理想選擇,因為其設計可將損耗降至最低,而SON的尺寸僅為5mm×6mm。
LMT86DCKT是一款精密的CMOS溫度傳感器,利用與溫度線性成反比的模擬輸出電壓。該器件的工作電壓可低至2.2V,電源電流為5.4μA,是電池供電應用的理想器。


圖示6-TI產品的有刷式直流電機參考設計方案照片
應用
刷式直流電機驅動器;
直流充電(樁)站;
電動汽車充電站HMI模塊;
電動汽車充電站電源模塊;
物料搬運(叉車、倉庫機器人等);
工業步進驅動。 |