近年來,特別是2008金融危機之后,隨著智能手機、智能家居、物聯網等的快速發展,整個消費電子亦呈現快速增長;诖,傳統音響市場從DVD、家庭影院、電視機、汽車音響等市場逐漸向更多的市場領域擴展,如智能音響、便攜式音響、無線音響、智能家居、集成吊頂、智能燈、機器人、兒童玩具,并增長顯著。
以智能音響為例,美國知名市場調研公司comScore公布最細數據顯示,智能音箱在美國有Wi-Fi家庭的普及率達到了20%,從2017年12月到2018年2月之間短短3個月內,其普及率就暴增了50%,現在使用智能音箱的美國家庭達到驚人的1870萬個智能音箱。隨著全球消費電子風向標蘋果在今年初發布智能音響Homepod,預計智能音響將進入一個更快速的增長周期。

(圖片來源于網絡)
另外,隨著智能音響的帶動,智能吊頂、智能燈泡、智能玩具等產品概念逐漸退出,并大有成為主流的趨勢。這些產品中往往嵌入了語音控制和喇叭,體驗相比傳統智能家居有較為明顯的提升。
然而,我們注意到的是,在這些迅速增長的新興市場中,雖然小功率(小于10W)音頻功放已被以嘉興禾潤電子科技有限公司為代表的大陸芯片供應商所占據,但是在大功率音頻功放領域,仍舊以TPA311x、TAS575x、TDA749x等少數進口品牌的少數陳舊產品所壟斷。
就此,深圳市永阜康科技有限公司現在力推的兩款強有力的產品,即可在電視機、家庭影院等傳統市場中應用,亦可在智能音響、無線音響等新興市場廣泛使用。
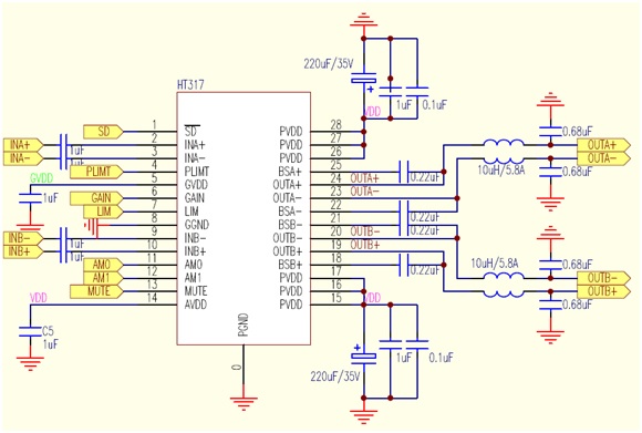
*模擬輸入2×30W Class D音頻功率放大器HT317
該器件具有精簡的外圍(TSSOP28),24V, 8ohm, THD+N=1%條件下
能提供
2×30W的功率,24V, 4ohm, THD+N = 10%條件下能提供75W的功率, 并具有AGC、過溫限幅和各類保護功能,因其具有明顯的性價比優勢和良好的音質表現,是明星產品TPA3116/8的有力繼承者。
特性:
・輸出功率(BTL模式)
2×30W (VDD=24V, RL=8Ω, THD+N=1%)
2×23W (VDD=14V, RL=4Ω, THD+N=10%)
・輸出功率(PBTL模式)
75W (VDD=24V, RL=4Ω, THD+N=10%)
・單電源系統,4.5V-26V寬電壓輸入范圍
・超過90%效率,無需散熱器
・可設置功率限制功能(PLIMT)以及AGC功能
・過溫限幅功能
・模擬差分/單端輸入,輸出模式立體聲/單聲道可選
・多重開關頻率選擇,具有AM抑制功能。
・保護功能:過壓/過流/過熱/欠壓異常,直流檢測和短路保護
・無鉛無鹵封裝,TSSOP28-PP
應用原理圖

HT317 BTL輸出

HT317 PBTL輸出
PCB Layout圖

HT317 PCB Layout Top Layer

HT317 PCB Layout Bottom Layer
隨著藍牙音響、Wi-Fi音響和智能音響的普及,方案中涉及I2S數字音頻信號的場合越來越多,因此方案對I2S輸入的數字功放需求越來越大,其中TAS575x為代表性產品。然而在較多場合中,主控已具有一定的EQ等調音功能,TAS575x等產品中的EQ等調音功能即略顯冗余并且不利于成本的控制;在另一些場合中,由于需要單獨的較為功能全面的音頻DSP進行調音,TAS575x等產品中的EQ等調音功能亦略顯冗余并且不利于成本的控制。HT560正是基于這些場合,其成本嚴格控制,未含有EQ等調音功能,能輸入數字音頻信號并驅動喇叭。
特性:
・輸出功率
BTL,2×30W,24V/8Ω,連續
BTL,2×25W,16V/4Ω,連續
BTL,2×40W,18V/4Ω,峰值
PBTL, 75W,24V/4Ω,連續
・4.5V-26V寬電壓輸入范圍
・超過90%效率,無需散熱片
・立體聲I2S輸入
・32,44.1,48,88.2,96kHz采樣率
・可選硬件或軟件控制
・可編程功率限制,以及AGC功能
・過溫限幅功能
・輸出短路、過流關斷功能
・欠壓異常保護功能
・無鉛無鹵封裝,QFN36-P

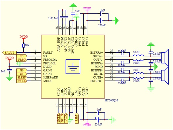
HT560 硬件模式BTL輸出

HT560硬件模式PBTL輸出

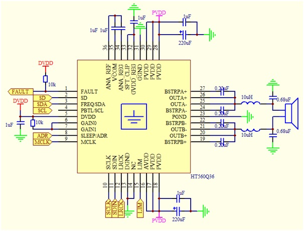
HT560軟件I2C模式 BTL輸出

HT560軟件I2C模式 PBTL輸出
PCB Layout圖

HT560 PCB Layout Top Layer

HT560 PCB Layout Bottom Layer |