| 當前位置:首頁->行業資訊 |
|
| E520.47 專為汽車應用開發的傳感器信號調理芯片 |
|
|
| 文章來源:永阜康科技 更新時間:2019/3/8 10:31:00 |
在線咨詢: |
| |
——符合標準ISO26262 ,達到ASIL C等級
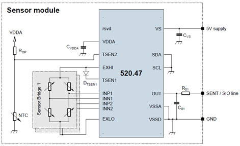
2019年3月6日,德國巴伐利亞州慕尼黑訊,elmos日前宣布推出E520.47,這是一款帶有SENT接口的傳感器信號調理IC,支持兩路電阻式傳感器電橋的同步信號處理。該IC專為汽車應用的需求而開發。E520.47符合標準ISO26262,以便能夠滿足系統直至ASIL C等級的安全要求。該IC可應用于多種領域諸如制動、傳感器、MEMS 壓力傳感器應用和電阻式電橋傳感器。

E520.47提供低噪聲傳感器信號調理,帶有兩個15位Δ-ΣADC,用于兩路電阻式電橋傳感器信號處理,包括補償和線性化處理。帶有14位Δ-ΣADC的兩路額外溫度通道可以對不同溫度的傳感器進行精確檢測和線性化處理。此外,該IC還集成了內部傳感器和自診斷功能。靈敏度范圍為3-112 mV/V。E520.47提供10級粗增益和31級粗漂移調整。
E520.47的所有補償和線性化傳感器數據均可在數字SENT接口輸出端獲得。SENT引腳允許串行I/O通信,實現真正的1線終端配置和校準。另外,I2C接口允許E520.47更快地訪問傳感器,對數據進行診斷,校準和配置。針對此款IC,elmos提供包括實用軟件在內的一套校準工具。
該IC采用QFN20L4封裝或無封裝IC(裸片)。
欲知更多關于elmos產品信息,敬請蒞臨展臺E4.4216(慕尼黑電子展與2019年3月20日至2019年3月22日在上海新國際博覽中心舉行)
主要特點:
工作電壓4.75V~5.25V
輸入電源和輸出過電壓保護值:-18V/+35V
可同時處理兩路傳感器信號
全數字式校準功能,無需外部調整電路
專門為阻性傳感器電橋優化芯片設計
靈敏度范圍:3~112mV/V
10步長粗調增益調整功能
31步長粗調漂移調整范圍,達到+/-4輸入跨距
15位低噪聲ADC輸入
可配置數字低通濾波器:13Hz~1.1kHz.
通過SENT接口可配置為12位輸出信號
I2C通信接口
芯片符合ISO26262功能安全標準,達到ASIL C
主要應用領域:
汽車電子傳感器應用
汽車安全系統,如剎車系統
通用MEMS p-sensor傳感器應用
空調系統中阻性電橋傳感器應用
典型應用框圖:

|
| |
|
|
|
|
|
| |
| |
| |
 |
您可能對以下產品感興趣 |
 |
|
 |
| 產品型號 |
功能介紹 |
兼容型號 |
封裝形式 |
工作電壓 |
備注 |
| HT71678 |
帶音頻檢測和輸出關斷的13V,10A自適應H類同步升壓轉換器,帶有音頻信號檢測功能;輸入電壓范圍VIN:2.7V-13V;輸出電壓范圍VOUT:4.5V-13V;可編程峰值電流:10A
|
|
QFN-20 |
2.7V-13V |
帶音頻信號檢測和輸出關斷的13V,10A自適應H類同步升壓轉換器 |
| CS5025 |
輸入電壓:3-12V;輸出電壓最高可提供14V恒定的電壓輸出;最大可保證8A的峰值電流下
|
|
ESOP-10 |
3V-12V |
內置MOS、8A高效率DC-DC升壓IC |
| CS5086 |
CS5086E是一款5V USB輸入,支持雙節串聯鋰電池/鋰離子電池的升壓充電管理IC。同時集成有NTC功能和電池自動電量平衡功能,其最大的充電電流可達1.5A。 |
|
ESOP-10 |
3.5V-18V |
帶平衡功能、5V USB輸入、雙節鋰電池串聯1.5A升壓充電管理IC |
| CS5230 |
恒定4.8W/2.5V-5.5V(內置自適應Charge Pump模塊)/4Ω |
|
ESOP-10 |
2.7V-5.5V |
ESOP-10內置無電感電荷泵升壓5W防破音單聲道音頻功放IC |
|
| |
|
| |
|
|